Curiosii for ever!: Car repair manuals for everyone.

Ignition Control Module: Testing and Inspection


***UPDATED BY TSB# 89-08-003, January, 1989



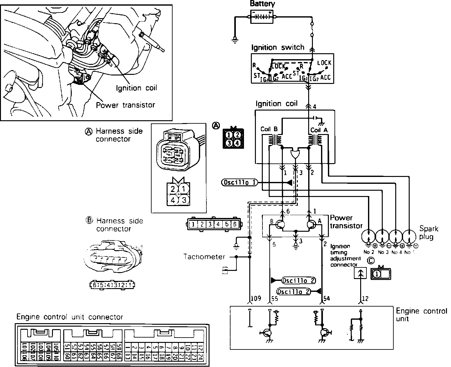
System Schematic:






To test the Power Transistor, located on the intake manifold, using an analog type circuit tester proceed as follows.

Component Test:






1. Disconnect the power transistor connector.
2. Connect a power supply of 1.5v (one dry cell) between power transistor terminals 3 (-) and 2 (+).
3. Check for continuity between terminals 1 (+) and 3 (-). There should be continuity.
4. Remove power from terminals 3 and 2.
5. Check for continuity between terminals 1 (+) and 3 (-). There should not be continuity.
6. Connect a power supply of 1.5v (one dry cell) between power transistor terminals 3 (-) and 5 (+).
7. Check for continuity between terminals 6 (+) and 3 (-). There should be continuity.
8. Remove power from terminals 3 and 6.
9. Check for continuity between terminals 6 (+) and 3 (-). There should not be continuity.

If the Power Transistor fails any of these tests, replace the Power Transistor.


OSCILLOSCOPE TEST

Power Transistor Control Signal Scope Pattern:






Power transistor control signal test.
1. Run engine at idle speed.
2. Connect the scope probe to pick-up point #2 (one side at a time) shown in the system schematic diagram and compare each signal to the pattern shown.


Refer to COMPUTERIZED ENGINE CONTROLS for further information.