Curiosii for ever!
: Car repair manuals for everyone.
Home
>>
Mitsubishi
>>
1984
>>
Tredia L4-2.0L SOHC
>>
Repair and Diagnosis
>>
Powertrain Management
>>
Computers and Control Systems
>>
Diagrams
>>
Feedback Carburetor Control
Feedback Carburetor Control
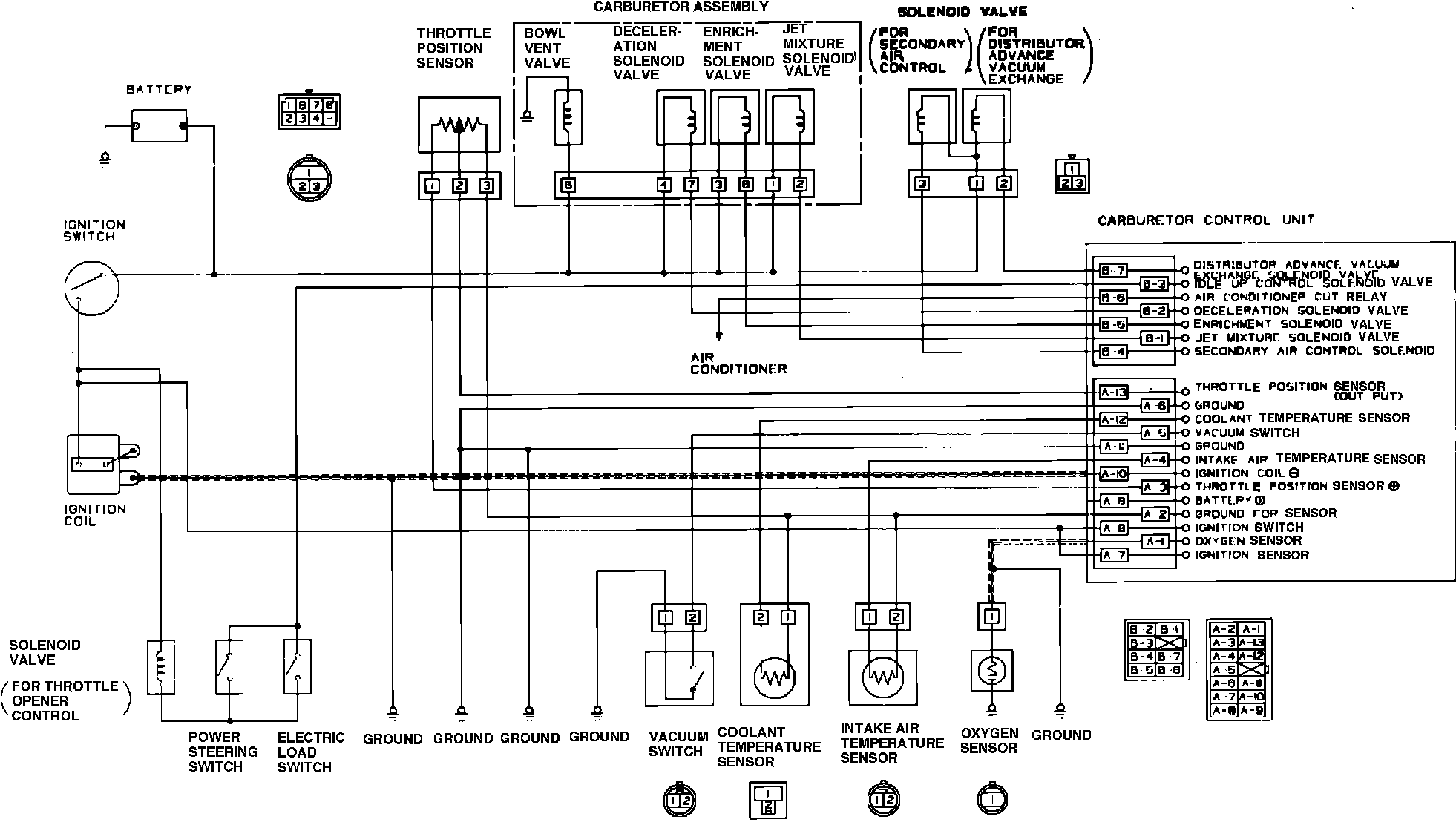
Fig. 7 Feedback Carburetor Control Wiring Circuit.: