Curiosii for ever!
: Car repair manuals for everyone.
Home
>>
Mitsubishi Fuso
>>
2005
>>
FE120 L4-4.9L DSL Turbo
>>
Repair and Diagnosis
>>
Diagrams
>>
Mechanical Diagrams
>>
Computers and Control Systems
>>
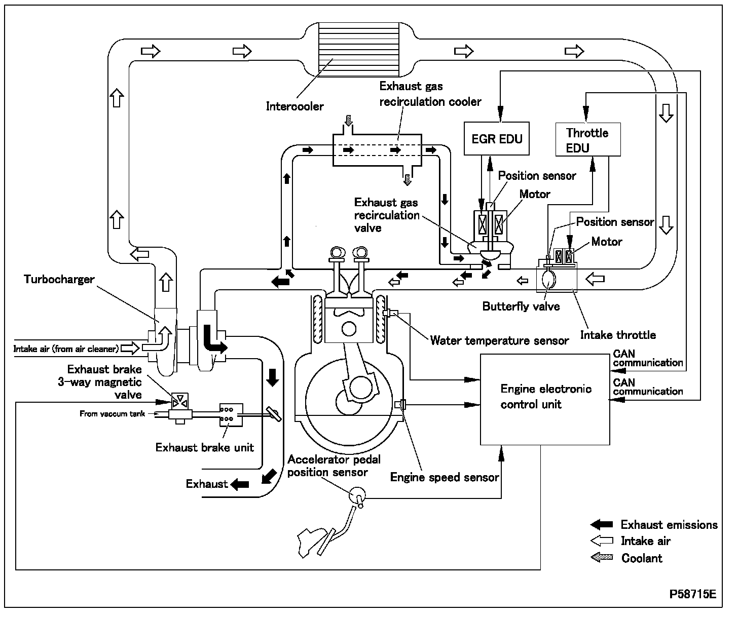
Electronic Throttle Control Module
Electronic Throttle Control Module