Curiosii for ever!
: Car repair manuals for everyone.
Home
>>
Mitsubishi Fuso
>>
2005
>>
FE120 L4-4.9L DSL Turbo
>>
Repair and Diagnosis
>>
Diagrams
>>
Connector Views
>>
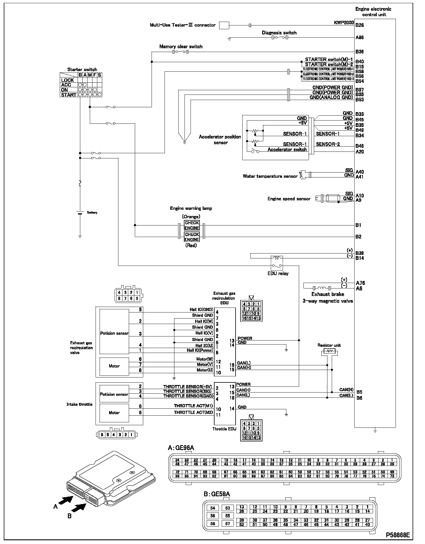
EGR Control Module
EGR Control Module