Curiosii for ever!: Car repair manuals for everyone.

Engine Speed Sensor: Description and Operation

STRUCTURE AND OPERATION

Configuration of Electronic Governor and Pre-stroke Control Injection Pump System










- The electronic governor and pre-stroke control injection pump system combines an electronic governor 10 with an injection pump 6 that has an electronically controlled pre-stroke adjustment feature.
- The injection pump's plunger lift speed varies in accordance with the engine speed, causing concomitant variations in the injection pipe pressure.
- Variations in the injection pipe pressure make it difficult to achieve an optimum spray from the injection nozzles and the optimum air/fuel mixture.
- To compensate for changes in the injection pipe pressure, the injection pump plunger pre-stroke is increased at low and mid- range speeds, thus ensuring that fuel injection takes place late in the cam lift, when plunger movement is relatively fast.
- At high speeds, the plunger pre-stroke is decreased, thus ensuring that fuel injection takes place in early in the cam lift, when plunger movement is relatively slow. Excessive increases in injection pipe pressure are thus prevented.
- By adjusting the plunger pre-stroke in this manner, the pre-stroke control injection pump 6 ensures that the spray and air/ fuel mixture are always optimally suited to combustion.
- The overall benefits are higher engine torque and cleaner exhaust emissions than are possible with a conventional injection pump.
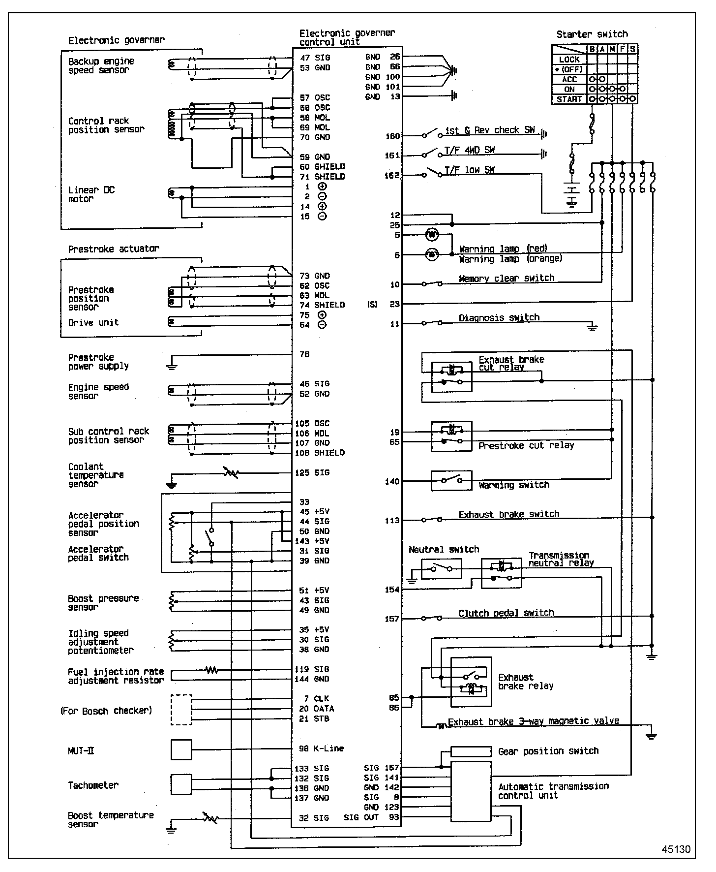
- Control operations are performed by the engine control unit 35, which receives data from sensors on the engine and other vehicle components, processes them, and issues appropriate drive signals to the pre-stroke actuator 5 (located at the rear of the injection pump) and to the linear DC motor 9 (located inside the electronic governor).







System Block Diagram







Fuel Injection Rate Control







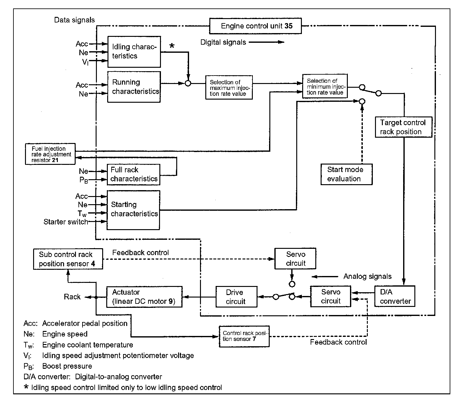
Operation of engine control unit 35
- During engine operation, control is effected in accordance with the idling characteristics and running characteristics. The maximum fuel injection rate value is selected in accordance with the output signals.
- After this selection, the control unit calculates and determines the minimum injection rate to prevent the injection rate selected in accordance with the full rack characteristics from exceeding the maximum injection rate. The target control rack position is thus determined. (During engine start-up, control is effected in accordance with the starting characteristics, with the target rack position determined directly in accordance with the data signals.)
- The determined control rack position signal is converted into a continuous analog signal. By way of the servo circuit and drive circuit, the signal is applied to the linear DC motor 9, which moves the rack.

Operation of control rack position sensor 7
- The control rack position sensor 7 monitors the operation of the linear DC motor 9. In accordance with the position of the control rack, the sensor determines whether the linear DC motor is operating in accordance with the target, and it transmits feedback signals to the engine control unit 35.
- In accordance with the feedback signals, the engine control unit 35 calculates the actual control rack position. If the actual position differs from the target, the control unit issues a correction command.
- Through repetition of this process, the system ensures that the control rack position complies with the target at all times.

Pre-stroke control







Operation of engine control unit 35
- During engine operation, control is effected in accordance with the basic map.
- The pre-stroke position learning function compensates for pre-stroke position sensor adjustment errors and other injection pump errors using the pre-stroke position sensor output voltage, thereby enabling determination of the target pre-stroke.
- The determined target pre-stroke value is converted into a continuous analog signal. By way of the servo circuit and drive circuit, the signal is applied to the drive unit. The drive unit moves the timing sleeve to alter the pre-stroke.
- During engine start-up, control is effected in accordance with the start map.

Operation of pre-stroke position sensor (integral part of pre-stroke actuator 5)
- The pre-stroke position sensor monitors the operation of the drive unit. In accordance with the position of the timing sleeve, the sensor determines whether pre-stroke control is being performed in accordance with the target, and it transmits feedback signals to the engine control unit 35.
- In accordance with the feedback signals, the engine control unit 35 calculates the actual timing sleeve position. If the actual position differs from the target, the control unit issues a correction command.
- Through repetition of this process, the system ensures that the timing sleeve position complies with the target at all times. The appropriate pre-stroke is achieved as a result.

Warm-up time shortening function







The warm-up time shortening function increases the engine's idling speed in accordance with the coolant temperature, thereby shortening the time required for the engine to warm up. Control is effected automatically or manually in accordance with the position of the idling speed adjustment potentiometer 20. Automatic control is selected by pushing the potentiometer, and manual control is selected by pulling it.







Automatic control (Potentiometer pushed)
- Automatic control is selected when the idling speed adjustment potentiometer 20 is pushed.
- When the coolant temperature is low, the engine's idling speed is automatically increased to shorten the time required for warm-up.
- If the coolant temperature increases from T to T' (see the graph), the engine speed is decreased from N' to N, thus returning to its standard idling level.







Manual control (Potentiometer pulled)
- When the idling speed adjustment potentiometer 20 is pulled, the automatic mechanism is deselected. The driver can then adjust the idling speed as desired by rotating the potentiometer. (Rotation of the potentiometer causes the potentiometer's output voltage to change accordingly.)
- With the output voltage between 0 and V, the engine speed stays at the N to N' level.
- If the output voltage is increased from V to V' (see the graph), the engine speed decreases from N' until it reaches its standard idling level N.

Emergency vehicle operation function (Used in event of control rack position sensor fault)

Fault in Control rack position sensor 7
In the event of a fault in the control rack position sensor 7, detection of the control rack position is performed using the sub control rack position sensor 4. This enables more-or-Iess normal vehicle operation.

Fault in control rack position sensor 7 and sub control rack position sensor 4







In the event of faults in both the control rack position sensor 7 and sub control rack position sensor 4, the position of the rack, which is controlled by the linear DC motor 9, cannot be sensed directly. The fuel injection rate cannot be controlled normally with the engine in this condition. As an emergency measure, therefore, control operations are performed in accordance with engine speed data signals only. For this function, target engine speeds for given degrees of accelerator pedal depression are pre-programmed into the engine control unit 35. Control is effected as follows:

- The target engine speed is compared with the actual engine speed (this is indicated by the engine speed sensor 3).
- The target duty ratio is determined in accordance with the result of the comparison. In accordance with the target duty ratio, a drive signal is transmitted to the UP-side (speed increasing side) circuit to effect control over the engine speed. If the target engine speed exceeds the actual engine speed or vice versa, the UP-side circuit's ON time period is altered such that the target engine speed is maintained.

The target duty ratio is the ratio of the time periods during which the linear DC motor's UP-side and DOWN-side (speed decreasing side) circuits are energized. It is calculated as follows:







CAUTION: When this function is activated, the warning lamp 14, 15 flashes to indicate that the engine must be inspected immediately.

Auxiliary brake control function







The auxiliary brake control function acts upon the auxiliary braking devices, i.e., the exhaust brake, when the following conditions are satisfied:
- Clutch pedal switch 32: OFF (clutch pedal released)
- Accelerator pedal switch 19: ON (accelerator pedal released)
- Transmission neutral switch 33: ON (transmission not in neutral)

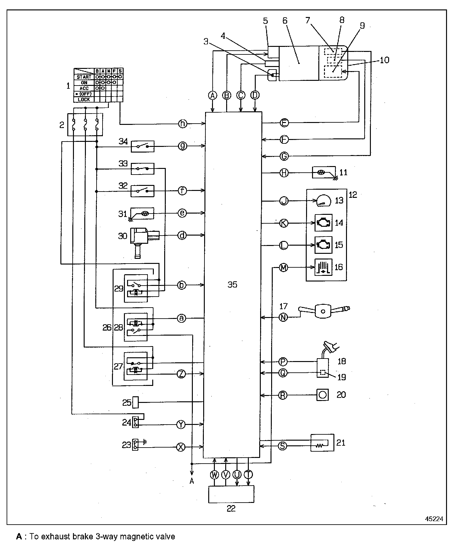
Electronic Governor Control Unit













Electronic governor control unit







Pre-stroke Control Injection Pump Unit







- The injection pump is provided with a mechanism that enables variation of the plunger pre-stroke.
- Variation of the plunger pre-stroke enables the creation of air/fuel mixture and spray conditions that are optimally suited to combustion. The overall benefits are higher engine torque and cleaner exhaust emissions than are possible with a conventional injection pump.







Pre-stroke
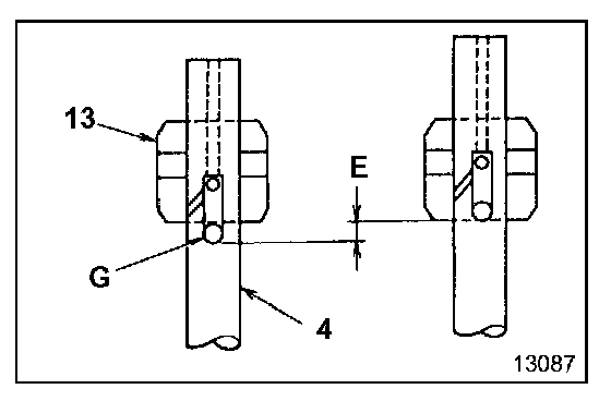
The term "pre-stroke" refers to the stroke dimension E of a plunger 4 from the plunger's bottom dead center position to the point at which its fuel inlet hole G is closed by the timing sleeve 13 and fuel feed begins. This stroke dimension is constant in a conventional injection pump.







Variable pre-stroke mechanism
F : Lead
G : Inlet hole
H : Outlet hole

- In contrast to the fixed plunger barrel arrangement of a conventional injection pump, each plunger barrel 12 in the pre-stroke control type injection pump incorporates a vertically moveable timing sleeve 13.
- Movement of the timing sleeve is effected by the timing rod 14, pin 6, and drive unit 17.
- When the drive unit 17 rotates the timing rod 14, the pin 6 moves the timing sleeve 13 up or down accordingly.
- Since the timing sleeve 13 incorporates a fuel outlet hole H, the prestroke changes in accordance with the movement of the timing sleeve.







Fuel feed action
J : Fuel intake
K : Start of pressurization
L : End of pressure feed

- As the plunger 4, moves downward from its top dead center position and its inlet hole G opens, fuel flows into the pressure chamber M owing to the vacuum created by the plunger's downward movement and the fuel pressure produced by the feed pump.
- When the plunger 4 moves upward but its lift dimension is still small, the fuel in the pressure chamber M escapes into the sump N through the inlet hole G in the plunger. Thus, the pressure in the pressure chamber does not increase.
- As the plunger 4 moves further upward and the inlet hole G is closed by the timing sleeve 13, the fuel starts to be pressurized. The pressure increases as the plunger moves upward, and the injection pump starts to feed the pressurized fuel to each injector.
- When the lead F in the plunger 4 becomes aligned with the outlet hole H in the timing sleeve 13, the fuel in the pressure chamber M returns to the sump N, thus completing the pressure feed cycle.
- Adjustment of the injected fuel volume is achieved by rotation of the plunger 4, which alters the position of the outlet hole H in the timing sleeve 13 relative to the lead F at the plunger.







Fuel injection timing and fuel injection characteristics
- Changes in the position of the timing sleeve 13 cause multiple changes in the pre-stroke, which in turn alter the fuel injection timing.
- A decrease in the pre-stroke causes the fuel inlet hole G in the plunger 4 to close earlier such that the fuel injection timing is advanced.
- This arrangement provides highly responsive control over the injection timing and thus enhances the engine's cold startability.







Delivery valve
P : Start of pressure feed
Q : End of pressure feed

- The delivery valve 10 keeps constant the residual pressure R in the injection pipe at all engine speeds. This operation prevents the generation of bubbles in the fuel (this is known as "cavitation") and thus enables fuel injection at a high pressure.
- When the plunger 4 moves upward and the pressure of the fuel pushed by the plunger overcomes the residual pressure R in the injection pipe and the preset force of the delivery valve spring 7, the delivery valve is pushed upward and delivery of the pressurized fuel begins.
- As soon as fuel delivery is complete, the fuel in the injection pipe rapidly returns to the plunger side and the delivery valve closes.
- Surplus fuel slowly returns through the orifice S, thus reducing the pressure in the injection pipe.
- When the preset force of the spring 9 in the delivery valve 10 is exactly offset by the pressure in the injection pipe, the ball 8 closes the orifice S, thus ensuring that the residual pressure R in the injection pipe remains constant.

Electronic Governor












Linear DC motor
The linear DC motor 5 moves the coil assembly 4 vertically in accordance with signals from the electronic governor control unit. Via the link 6, this movement is transmitted to the control rack A, which moves longitudinally to increase and decrease the fuel quantity.

Control rack position sensor
The control rack position sensor 2 senses whether the control rack A is moved to the correct position by the linear DC motor 5. In the event of a discrepancy between the actual control rack position and the target control rack position (this is determined by the electronic governor control unit), the control unit instructs the linear DC motor to perform a corrective movement.

Emergency engine stop lever
The emergency engine stop lever 7 is connected to the link 6. Via a cable, it enables the link to be moved from the driver's seat. In the event of a system fault that prevents the engine from being stopped normally, operation of the emergency engine stop lever forces the control rack A to move to the position at which fuel injection is terminated. This operation takes place irrespective of the position of the linear DC motor 5.







Backup engine speed sensor
The backup engine speed sensor B is fitted inside the governor. It converts the rotation speed of the sensing gear 8 into electric signals and feeds the signals to the electronic governor control unit to provide an indication of the engine speed.