Curiosii for ever!
: Car repair manuals for everyone.
Home
>>
Mini
>>
2012
>>
Cooper JCW (R56) L4-1.6L Turbo (N14)
>>
Repair and Diagnosis
>>
Starting and Charging
>>
Starting System
>>
Keyless Starting System
>>
Diagrams
>>
Electrical Diagrams
>>
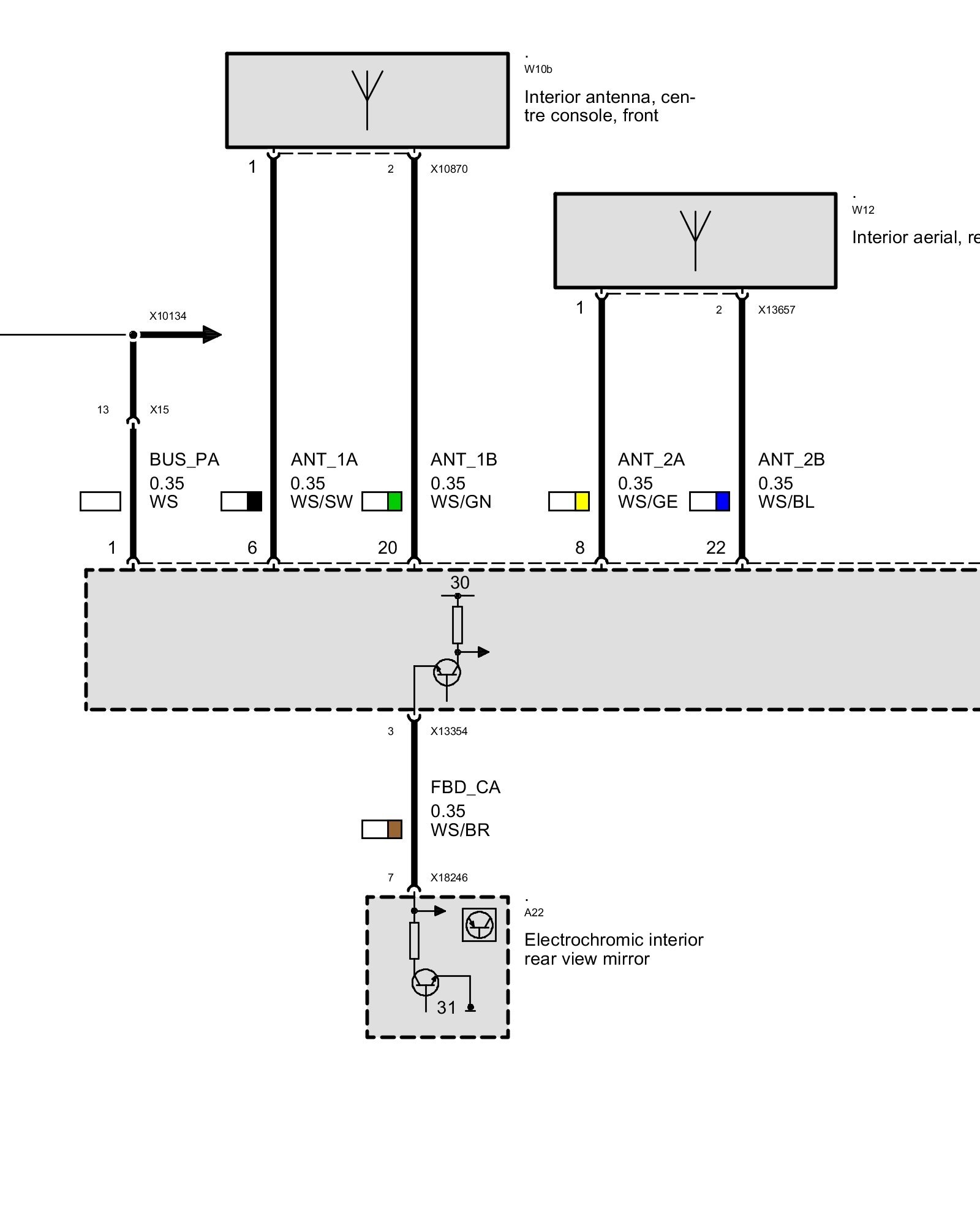
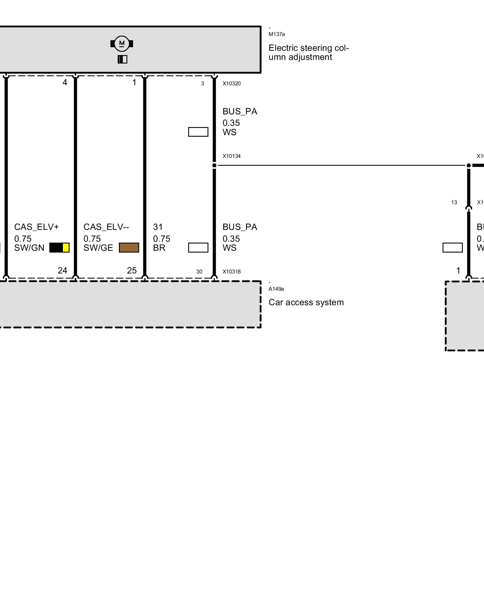
Convenient Access System Inputs
Convenient Access System Inputs
Convenient Access System Inputs