Curiosii for ever!
: Car repair manuals for everyone.
Home
>>
Mini
>>
2007
>>
Cooper Convertible (R52) L4-1.6L (W10)
>>
Repair and Diagnosis
>>
Diagrams
>>
Electrical Diagrams
>>
Chassis
>>
Slip Control Systems
>>
ASC MK60 (ASC Automatic Stability Control)
>>
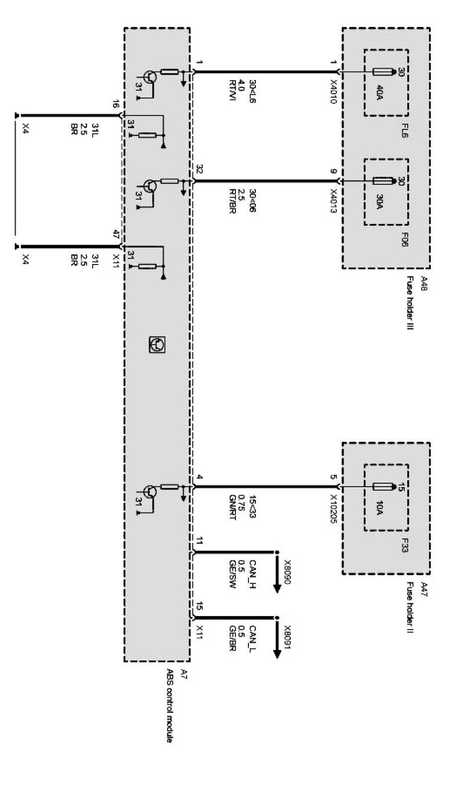
ABS/ASC Control Module
>>
ABS/ASC Coding
ABS/ASC Coding
Supply: