Curiosii for ever!: Car repair manuals for everyone.

Pinpoint Test F: The Lighting Control Module (LCM) Does Not Respond To The Scan Tool




Communications Network

Pinpoint Tests

Pinpoint Test F: The Lighting Control Module (LCM) Does Not Respond To The Scan Tool

Refer to Wiring Diagram Set 14, Module Communications Network for schematic and connector information. Diagrams By Number

Refer to Wiring Diagram Set 58, Lighting Control Module for schematic and connector information. Diagrams By Number

Normal Operation

The Lighting Control Module (LCM) communicates with the scan tool through the Standard Corporate Protocol (SCP) communication network.

This pinpoint test is intended to diagnose the following:

- Fuse
- Wiring, terminals or connectors
- LCM

PINPOINT TEST F: THE LCM DOES NOT RESPOND TO THE SCAN TOOL

NOTICE: Use the correct probe adapter(s) when making measurements. Failure to use the correct probe adapter(s) may damage the connector.

NOTE: Failure to disconnect the battery when instructed will result in false resistance readings. Refer to Battery, Mounting and Cables Battery Disconnect.

-------------------------------------------------
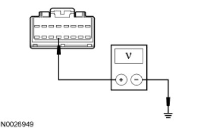
F1 CHECK THE LCM VOLTAGE SUPPLY CIRCUITS FOR AN OPEN


- Ignition OFF.
- Disconnect: LCM C2145a.
- Ignition ON.
- Measure the voltage between the LCM C2145a-13, circuit 221 (OG/WH), harness side and ground.




- Is the voltage greater than 10 volts?

Yes
GO to F2.

No
VERIFY the Central Junction Box (CJB) fuse 6 (7.5A) is OK. If OK, REPAIR the circuit. If not OK, REFER to the Wiring Diagrams to identify the possible causes of the short circuit. CLEAR the DTCs. REPEAT the network test with the scan tool. Diagrams By Number

-------------------------------------------------
F2 CHECK THE LCM GROUND CIRCUITS FOR AN OPEN


- Ignition OFF.
- Disconnect: Negative Battery Cable.
- Disconnect: LCM C2145c.
- Measure the resistance between the LCM C2145a-11, circuit 676 (PK/OG), harness side and ground; and between the C2145c-7, circuit 676 (PK/OG), harness side and ground.




- Are the resistances less than 5 ohms?

Yes
GO to F3.

No
REPAIR the circuit in question. CONNECT the negative battery cable. CLEAR the DTCs. REPEAT the network test with the scan tool.

-------------------------------------------------
F3 CHECK THE SCP CIRCUITS BETWEEN THE LCM AND THE DLC FOR AN OPEN


- Measure the resistance between the LCM C2145a-8, circuit 914 (TN/OG), harness side and the Data Link Connector (DLC) C251-2, circuit 914 (TN/OG), harness side.




- Measure the resistance between the LCM C2145a-16, circuit 915 (PK/LB), harness side and the DLC C251-10, circuit 915 (PK/LB), harness side.




- Are the resistances less than 5 ohms?

Yes
CONNECT the negative battery cable. GO to F4.

No
REPAIR the circuit in question. CONNECT the negative battery cable. CLEAR the DTCs. REPEAT the network test with the scan tool.

-------------------------------------------------
F4 CHECK FOR CORRECT LCM OPERATION


- Disconnect all the LCM connectors.
- Check for:
- corrosion
- damaged pins
- pushed-out pins
- Connect all the LCM connectors and make sure they seat correctly.
- Operate the system and verify the concern is still present.
- Is the concern still present?

Yes
INSTALL a new LCM. REFER to Multifunction Electronic Modules Service and Repair. CLEAR the DTCs. REPEAT the network test with the scan tool.

No
The system is operating correctly at this time. The concern may have been caused by a loose or corroded connector.

-------------------------------------------------