Curiosii for ever!: Car repair manuals for everyone.

Pinpoint Test L: No ISO 9141 Network Communication, All Modules Are Not Responding




Communications Network

Pinpoint Tests

Pinpoint Test L: No ISO 9141 Network Communication, All Modules Are Not Responding

Refer to Wiring Diagram Set 14, Module Communications Network for schematic and connector information. Diagrams By Number

Normal Operation

The ISO 9141 network has an unshielded single wire. The ISO 9141 network does not permit intermodule communication between the Data Link Connector (DLC) and the network modules.

This pinpoint test is intended to diagnose the following:

- Wiring, terminals or connectors
- FSSM
- RCM

PINPOINT TEST L: NO ISO 9141 NETWORK COMMUNICATION, ALL MODULES ARE NOT RESPONDING

NOTICE: Use the correct probe adapter(s) when making measurements. Failure to use the correct probe adapter(s) may damage the connector.

NOTE: The supplemental Supplemental Restraint System (SRS) must be fully operational and free of faults before releasing the vehicle to the customer.

NOTE: Most faults are due to connector and/or wiring concerns. Carry out a thorough inspection and verification before proceeding with the pinpoint test. Inspection and Verification

NOTE: Failure to disconnect the battery when instructed will result in false resistance readings. Refer to Battery, Mounting and Cables Battery Disconnect.

-------------------------------------------------
L1 CHECK DLC PINS FOR DAMAGE


- Ignition OFF.
- Disconnect the scan tool cable from the Data Link Connector (DLC).
- Inspect the DLC pin 7 for damage.




- Is the DLC pin 7 OK?

Yes
GO to L2.

No
REPAIR the DLC as necessary. CLEAR the DTCs. REPEAT the network test with the scan tool.

-------------------------------------------------
L2 CHECK THE ISO 9141 CIRCUIT FOR A SHORT TO VOLTAGE


- Disconnect: Negative Battery Cable.
- Wait at least 1 minute.
- Disconnect: RCM C310a.
- Disconnect: FSSM C3281a (If Equipped).
- Ignition ON.
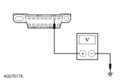
- Measure the voltage between the DLC C251-7, circuit 70 (LB/WH), harness side and ground.




- Is any voltage present?

Yes
REPAIR the circuit. CONNECT all modules. CONNECT the negative battery cable. CLEAR the DTCs. REPEAT the network test with the scan tool.

No
GO to L3.

-------------------------------------------------
L3 CHECK THE ISO 9141 CIRCUIT FOR A SHORT TO GROUND


- Ignition OFF.
- Measure the resistance between the DLC C251-7, circuit 70 (LB/WH), harness side and ground.




- Is the resistance greater than 10,000 ohms?

Yes
GO to L4.

No
REPAIR the circuit. CONNECT all modules. CONNECT the negative battery cable. CLEAR the DTCs. REPEAT the network test with the scan tool.

-------------------------------------------------
L4 CHECK CIRCUIT 70 (LB/WH) BETWEEN THE RCM AND THE DLC FOR AN OPEN


- Measure the resistance between the RCM C310a-11, circuit 70 (LB/WH), harness side and the DLC C251-7, circuit 70 (LB/WH), harness side.




- Is the resistance less than 5 ohms?

Yes
GO to L5.

No
REPAIR the circuit. CONNECT all modules. CONNECT the negative battery cable. CLEAR the DTCs. REPEAT the network test with the scan tool.

-------------------------------------------------
L5 CHECK THE ISO 9141 CIRCUIT OPERATION WITH THE RCM CONNECTED


- Connect: RCM C310a.
- Ignition ON.
- Connect: Negative Battery Cable.
- Repeat the network test with the scan tool.
- Does the scan tool communicate with the RCM?

Yes
If the vehicle is equipped with an FSSM, GO to L6.

If the vehicle is not equipped with an FSSM, the system is operating correctly at this time.

No
GO to L8.

-------------------------------------------------
L6 CHECK THE ISO CIRCUIT OPERATION WITH THE FSSM CONNECTED


- Ignition OFF.
- Disconnect: Negative battery cable. .
- Wait at least 1 minute.
- Connect: FSSM C3281a.
- Ignition ON.
- Repeat the network test with the scan tool.
- Does the scan tool communicate with the FSSM?

Yes
The system is operating correctly at this time.

No
GO to L7.

-------------------------------------------------
L7 CHECK FOR CORRECT FSSM OPERATION


- Disconnect all the FSSM connectors.
- Check for:
- corrosion
- damaged pins
- pushed-out pins
- Connect all the FSSM connectors and make sure they seat correctly.
- Operate the system and verify the concern is still present.
- Is the concern still present?

Yes
INSTALL a new FSSM. REFER to Fire Suppression System Service and Repair. CLEAR the DTCs. REPEAT the network test with the scan tool.

No
The system is operating correctly at this time. The concern may have been caused by a loose or corroded connector.

-------------------------------------------------
L8 CHECK FOR CORRECT RCM OPERATION


- Disconnect all the RCM connectors.
- Check for:
- corrosion
- damaged pins
- pushed-out pins
- Connect all the RCM connectors and make sure they seat correctly.
- Operate the system and verify the concern is still present.
- Is the concern still present?

Yes
INSTALL a new RCM. CLEAR the DTCs. REPEAT the network test with the scan tool.

No
The system is operating correctly at this time. The concern may have been caused by a loose or corroded connector.

-------------------------------------------------