Curiosii for ever!: Car repair manuals for everyone.

Pinpoint Test G: The Driver Door Module (DDM) Does Not Respond To The Scan Tool




Communications Network

Pinpoint Tests

Pinpoint Test G: The Driver Door Module (DDM) Does Not Respond To The Scan Tool

Refer to Wiring Diagram Set 14, Module Communications Network for schematic and connector information. Diagrams By Number

Refer to Wiring Diagram Set 117, Remote Keyless Entry and Alarm for schematic and connector information. Diagrams By Number

Normal Operation

The Driver Door Module (DDM) (if equipped) communicates with the scan tool through the Standard Corporate Protocol (SCP) communication network.

This pinpoint test is intended to diagnose the following:

- Fuse
- Wiring, terminals or connectors
- DDM

PINPOINT TEST G: THE DDM DOES NOT RESPOND TO THE SCAN TOOL

NOTICE: Use the correct probe adapter(s) when making measurements. Failure to use the correct probe adapter(s) may damage the connector.

NOTE: Failure to disconnect the battery when instructed will result in false resistance readings. Refer to Battery, Mounting and Cables Battery Disconnect.

-------------------------------------------------
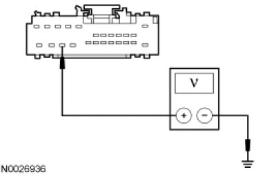
G1 CHECK THE DDM VOLTAGE SUPPLY CIRCUITS FOR AN OPEN


- Ignition OFF.
- Disconnect: DDM C501b.
- Ignition ON.
- Measure the voltage between the DDM C501b-22, circuit 1523 (DG), harness side and ground.




- Is the voltage greater than 10 volts?

Yes
GO to G2.

No
VERIFY the Central Junction Box (CJB) fuse 2 (7.5A) is OK. If OK, REPAIR the circuit. If not OK, REFER to the Wiring Diagrams to identify the possible causes of the short circuit. CLEAR the DTCs. REPEAT the network test with the scan tool. Diagrams By Number

-------------------------------------------------
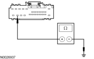
G2 CHECK THE DDM GROUND CIRCUIT FOR AN OPEN


- Ignition OFF.
- Disconnect: Negative Battery Cable.
- Measure the resistance between the DDM C501b-23, circuit 676 (PK/OG), harness side and ground.




- Is the resistance less than 5 ohms?

Yes
GO to G3.

No
REPAIR the circuit. CONNECT the negative battery cable. CLEAR the DTCs. REPEAT the network test with the scan tool.

-------------------------------------------------
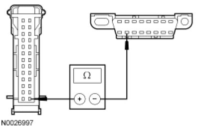
G3 CHECK THE SCP CIRCUITS BETWEEN THE DDM AND THE DLC FOR AN OPEN


- Disconnect: DDM C501a.
- Measure the resistance between the Driver Door Module (DDM) C501a-1, circuit 914 (TN/OG), harness side and the DLC C251-2, circuit 914 (TN/OG), harness side.




- Measure the resistance between the DDM C501a-14, circuit 915 (PK/LB), harness side and the DLC C251-10, circuit 915 (PK/LB), harness side.




- Are the resistances less than 5 ohms?

Yes
CONNECT the negative battery cable. GO to G4.

No
REPAIR the circuit in question. CONNECT the negative battery cable. CLEAR the DTCs. REPEAT the network test with the scan tool.

-------------------------------------------------
G4 CHECK FOR CORRECT DDM OPERATION


- Disconnect all the DDM connectors.
- Check for:
- corrosion
- damaged pins
- pushed-out pins
- Connect all the DDM connectors and make sure they seat correctly.
- Operate the system and verify the concern is still present.
- Is the concern still present?

Yes
INSTALL a new DDM. REFER to Handles, Locks, Latches and Entry Systems Service and Repair. CLEAR the DTCs. REPEAT the network test with the scan tool.

No
The system is operating correctly at this time. The concern may have been caused by a loose or corroded connector.

-------------------------------------------------