Curiosii for ever!: Car repair manuals for everyone.

Part 2




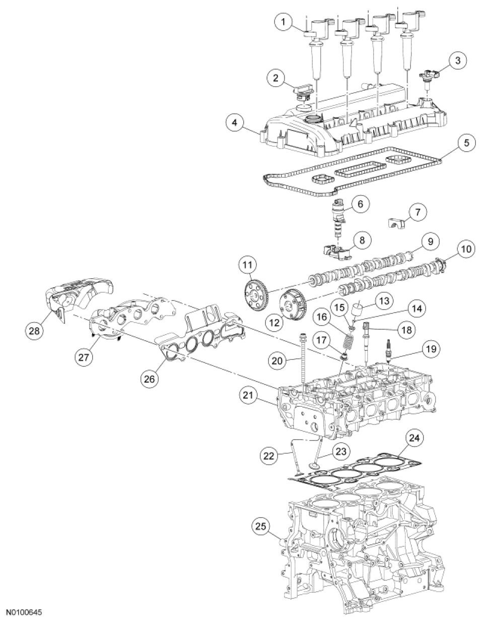
Engine



















Lower Engine Block (View 1)











Lower Engine Block (View 2)











Front Engine Block











Cylinder Head











Intake Manifold









NOTICE: Do not loosen or remove the crankshaft pulley bolt without first installing the special tools as instructed in this procedure. The crankshaft pulley and the crankshaft timing sprocket are not keyed to the crankshaft. The crankshaft, the crankshaft sprocket and the pulley are fitted together by friction, using diamond washers between the flange faces on each part. For that reason, the crankshaft sprocket is also unfastened if the pulley bolt is loosened. Before any repair requiring loosening or removal of the crankshaft pulley bolt, the crankshaft and camshafts must be locked in place by the special service tools, otherwise severe engine damage can occur.

NOTICE: Early build vehicle (built before July 6, 2009) cooling systems are filled with Motorcraft(R) Premium Gold Engine Coolant. Late build vehicle (built on or after July 6, 2009) cooling systems are filled with Motorcraft(R) Specialty Green Engine Coolant. Mixing coolant types degrades the corrosion protection of the coolant. Do not mix coolant types. Failure to follow these instructions may result in engine or cooling system damage.

NOTICE: During engine repair procedures, cleanliness is extremely important. All parts must be thoroughly cleaned and any foreign material, including any material created while cleaning gasket surfaces, that enters the oil passages, coolant passages or the oil pan, can cause engine failure.

NOTE: Assembly of the engine requires various inspections/measurements of the engine components (engine block, crankshaft, connecting rods, pistons and piston rings). These inspections/measurements will aid in determining if the engine components will require replacement. For additional information, refer to Engine.

51. Install the oil pump drive chain tensioner and bolt. Hook the tensioner spring around the shoulder bolt.
- Tighten to 10 Nm (89 lb-in).





52. NOTICE: The Camshaft Alignment Plate is for camshaft alignment only. Using this tool to prevent engine rotation can result in engine damage.

Install the Camshaft Alignment Plate in the slots on the rear of both camshafts.





53. Install the camshaft sprockets and the bolts. Do not tighten the bolts at this time.





54. Install the timing chain guide and the 2 bolts.
- Tighten to 10 Nm (89 lb-in).





55. Install the timing chain.





56. Install the timing chain tensioner arm.





NOTE: If the timing chain tensioner plunger and ratchet assembly are not pinned in the compressed position, follow the next 4 steps.

57. NOTICE: Do not compress the ratchet assembly. This will damage the ratchet assembly.

Using the edge of a vise, compress the timing chain tensioner plunger.





58. Using a small pick, push back and hold the ratchet mechanism.





59. While holding the ratchet mechanism, push the ratchet arm back into the tensioner housing.





60. Install a paper clip into the hole in the tensioner housing to hold the ratchet assembly and the plunger in during installation.






61. Install the timing chain tensioner and the 2 bolts. Remove the paper clip to release the piston.
- Tighten to 10 Nm (89 lb-in).





62. NOTICE: The Camshaft Alignment Plate is for camshaft alignment only. Using this tool to prevent engine rotation can result in engine damage.

Using the flats on the camshafts to prevent camshaft rotation, tighten the camshaft sprocket bolts.

- Tighten to 72 Nm (53 lb-ft).





63. NOTICE: Do not use metal scrapers, wire brushes, power abrasive discs or other abrasive means to clean sealing surfaces. These tools cause scratches and gouges which make leak paths.

Clean and inspect the mounting surfaces of the engine and the front cover.

64. NOTE: The engine front cover must be installed and the bolts tightened within 4 minutes of applying the silicone gasket and sealant.

Apply a 2.5 mm (0.09 in) bead of silicone gasket and sealant to the cylinder head and oil pan joint areas. Apply a 2.5 mm (0.09 in) bead of silicone gasket and sealant to the front cover.





65. Install the engine front cover. Tighten the 22 bolts in the sequence shown, to the following specifications:
- Tighten the 8-mm bolts to 10 Nm (89 lb-in).

- Tighten the 13-mm bolts to 48 Nm (35 lb-ft).





66. NOTE: Remove the through bolt from the Camshaft Front Oil Seal Installer.

NOTE: Lubricate the oil seal with clean engine oil.

Using the Camshaft Front Oil Seal Installer, install a new crankshaft front oil seal.





67. NOTE: Do not install the crankshaft pulley bolt at this time.

NOTE: Apply clean engine oil on the seal area before installing.

Position the crankshaft pulley onto the crankshaft with the hole in the pulley at the 6 o'clock position.





68. NOTICE: Only hand-tighten the 6 mm bolt or damage to the front cover can occur.

NOTE: This step will correctly align the crankshaft pulley to the crankshaft.

Install a standard 6 mm x 18 mm bolt through the crankshaft pulley and thread it into the front cover.





69. NOTICE: The crankshaft must remain in the Top Dead Center (TDC) position during installation of the pulley bolt or damage to the engine can occur. Therefore, the crankshaft pulley must be held in place with the Crankshaft Damper Holding Tool and the bolt should be installed using hand tools only.

NOTE: Do not reuse the crankshaft pulley bolt.

Install a new crankshaft pulley bolt. Using the Crankshaft Damper Holding Tool to hold the crankshaft pulley in place, tighten the crankshaft pulley bolt in 2 stages:

- Stage 1: Tighten to 100 Nm (74 lb-ft).

- Stage 2: Tighten an additional 90 degrees (one-fourth turn).





70. Remove the 6 mm x 18 mm bolt.





71. Remove the Crankshaft TDC Timing Peg.





72. Remove the Camshaft Alignment Plate.





73. NOTE: Only turn the engine in the normal direction of rotation.

Turn the crankshaft clockwise one and three-fourths turns.

74. Install the Crankshaft TDC Timing Peg.





75. NOTE: Only turn the engine in the normal direction of rotation.

Turn the crankshaft clockwise until the crankshaft contacts the Crankshaft TDC Timing Peg.





76. NOTICE: Only hand-tighten the bolt or damage to the front cover can occur.

Using the 6 mm x 18 mm bolt, check the position of the crankshaft pulley.

- If it is not possible to install the bolt, the engine valve timing must be corrected.





77. Install the Camshaft Alignment Plate to check the position of the camshafts.
- If it is not possible to install the Camshaft Alignment Plate, the engine valve timing must be corrected.





78. Remove the Camshaft Alignment Plate.





79. Install the Crankshaft Position (CKP) sensor and the 2 bolts.
- Do not tighten the bolts at this time.





80. Using the Crankshaft Sensor Aligner, adjust the CKP sensor.
- Tighten the 2 CKP bolts to 7 Nm (62 lb-in).





81. Remove the 6 mm x 18 mm bolt.





82. Remove the Crankshaft TDC Timing Peg.





83. Install the engine plug bolt.
- Tighten to 20 Nm (177 lb-in).





84. NOTICE: Do not use metal scrapers, wire brushes, power abrasive discs or other abrasive means to clean the sealing surfaces. These tools cause scratches and gouges which make leak paths.

Clean the valve cover gasket surface with metal surface prep.

85. NOTE: The valve cover must be secured within 4 minutes of silicone gasket application. If the valve cover is not secured within 4 minutes, the sealant must be removed and the sealing area cleaned with metal surface prep.

Apply silicone gasket and sealant to the locations shown.





86. Install the valve cover.
- Tighten the bolts in the sequence shown to 10 Nm (89 lb-in).





87. NOTE: Apply dielectric compound to the inside of the coil-on-plug boots.

Install the 4 coil-on-plugs and the 4 bolts.

- Tighten to 8 Nm (71 lb-in).





88. NOTE: Make sure the notch on the oil level indicator is aligned with the V-shaped boss on the valve cover and fully engaged into the valve cover.

Install the oil level indicator.





89. If equipped, install the block heater.
- Tighten to 40 Nm (30 lb-ft).





90. Install the crankcase vent oil separator and the 8 bolts.
- Tighten to 10 Nm (89 lb-in).





91. NOTE: The Knock Sensor (KS) must not touch the crankcase vent oil separator.

Install the KS and the bolt.

- Tighten to 20 Nm (177 lb-in).





92. Install the coolant bypass hose on the coolant outlet.





93. Connect the coolant bypass hose.





94. Install the EGR tube.
- Tighten to 55 Nm (41 lb-ft).





95. NOTICE: If the engine is repaired or replaced because of upper engine failure, typically including valve or piston damage, check the intake manifold for metal debris. If metal debris is found, install a new intake manifold. Failure to follow these instructions can result in engine damage.

Position the intake manifold and connect the crankcase vent oil separator tube.





96. NOTE: Inspect and install new intake manifold gaskets, if necessary.

Install the intake manifold gaskets, intake manifold and the 7 bolts (3 shown).

- Tighten to 18 Nm (159 lb-in).





97. NOTICE: Use O-ring seals that are made of special fuel-resistant material. Use of ordinary O-rings can cause the fuel system to leak. Do not reuse the O-ring seals.

Install new fuel injector O-rings.

- Separate the fuel injectors from the fuel rail.

- Remove and discard the fuel injector O-rings.

- Install new O-rings and lubricate with clean engine oil.

- Install the fuel injectors onto the fuel rail.





98. Install the fuel rail and injector assembly and the 2 stud bolts.
- Tighten to 23 Nm (17 lb-ft).





99. Install the radio capacitor and nut.
- Tighten to 10 Nm (89 lb-in).





100. Install the fuel rail insulator.