Curiosii for ever!: Car repair manuals for everyone.

Pinpoint Test M: The Stability/Traction Control System Cannot Be Disabled




Anti-Lock Control - Non-Hybrid

Pinpoint Tests

Pinpoint Test M: The Stability/Traction Control System Cannot Be Disabled

Normal Operation

The traction control portion of the AdvanceTrac(R) can be disabled by pressing the traction control switch located on the instrument panel center finish panel. When the system is disabled, the sliding car OFF icon in the Instrument Panel Cluster (IPC) will illuminate solidly. On MKZ vehicles, the traction control switch is part of the Front Controls Interface Module (FCIM). On Fusion and Milan vehicles, the traction control switch is part of the ambient lighting switch.

The IPC sends 5 volts to the traction control switch along circuit CCA15 (YE/GY). When the traction control switch is pressed, this voltage is sent through the switch and to ground along circuit GD116 (BK/VT). When the IPC detects this ground, it sends a message to the PCM and the ABS module along the High Speed Controller Area Network (HS-CAN) bus that the driver has disabled the system. An open circuit or a defective traction control switch will prevent the system from being disabled, but will not set a DTC.

DTC C0089:11 (TCS Disable Switch: Circuit Short to Ground) - If the IPC detects the ground signal during the on-demand self test or if circuit CCA15 (YE/GY) is shorted to ground, DTC C0089:11 will be set. Also, if the traction control switch is held or stuck closed for more than 2 minutes during normal operation, DTC C0089:11 will be set.

This pinpoint test is intended to diagnose the following:
- Wiring, terminals or connectors
- Traction control switch
- IPC



PINPOINT TEST M: THE STABILITY/TRACTION CONTROL SYSTEM CANNOT BE DISABLED

NOTICE: Use the Flex Probe Kit for all test connections to prevent damage to the wiring terminals. Do not use standard multimeter probes.

-------------------------------------------------
M1 CHECK FOR ANY COMMUNICATION DTCs


- Connect the scan tool.
- Ignition ON.
- Check the IPC, the PCM and the ABS module for any communication DTCs.
- Are any communication DTCs present?

Yes
For ABS communication DTCs, GO to the ABS Module DTC Chart. ABS Module DTC Chart

For IPC and PCM communication DTCs, REFER to the Diagnostic Trouble Code (DTC) Chart in Body Control Systems. Diagnostic Trouble Code (DTC) Chart

No
GO to M2.

-------------------------------------------------
M2 ISOLATE THE TRACTION CONTROL SWITCH


- Ignition OFF.
- Disconnect: FCIM C2402 (MKZ).
- Disconnect: Traction Control/Ambient Lighting Switch C2304 (Fusion/Milan).
- For Fusion or Milan, measure the resistance between traction control/ambient lighting switch C2304 pin-7 and pin-1, component side, while pressing and releasing the traction control switch.
- For MKZ, measure the resistance between FCIM C2402 pin-7 and pin-8, component side, while pressing and releasing the switch.
- Is the resistance less than 5 ohms with the switch pressed and greater than 10,000 ohms with the switch released?

Yes
GO to M3.

No
For Fusion or Milan, INSTALL a new traction control switch. REFER to Traction Control Switch Service and Repair.

For MKZ, INSTALL a new FCIM. REFER to Accessories and Optional Equipment.

TEST the system for normal operation.

-------------------------------------------------
M3 CHECK THE TRACTION CONTROL SWITCH GROUND CIRCUIT FOR AN OPEN


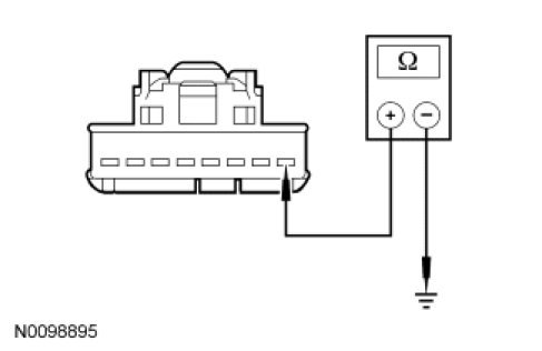
- For Fusion or Milan, measure the resistance between traction control/ambient lighting switch C2304-1, circuit GD116 (BK/VT), harness side and ground.




- For MKZ, measure the resistance between FCIM C2402-8, circuit GD116 (BK/VT), harness side and ground.




- Is the resistance less than 5 ohms?

Yes
GO to M4.

No
REPAIR circuit GD116 (BK/VT). TEST the system for normal operation.

-------------------------------------------------
M4 CHECK THE TRACTION CONTROL SWITCH CONTROL CIRCUIT FOR AN OPEN


- Disconnect: IPC C220.
- For Fusion or Milan, measure the resistance between traction control/ambient lighting switch C2304-7, circuit CCA15 (YE/GY), harness side and IPC C220-18, circuit CCA15 (YE/GY), harness side.




- For MKZ, measure the resistance between FCIM C2402-7, circuit CCA15 (YE/GY), harness side and IPC C220-18, circuit CCA15 (YE/GY), harness side.




- Is the resistance less than 5 ohms?

Yes
GO to M5.

No
REPAIR circuit CCA15 (YE/GY). TEST the system for normal operation.

-------------------------------------------------
M5 CHECK THE TRACTION CONTROL SWITCH CONTROL CIRCUIT FOR A SHORT TO GROUND


- For Fusion or Milan, measure the resistance between traction control/ambient lighting switch C2304-7, circuit CCA15 (YE/GY), harness side and ground.




- For MKZ, measure the resistance between FCIM C2402-7, circuit CCA15 (YE/GY), harness side and ground.




- Is the resistance greater than 10,000 ohms?

Yes
GO to M6.

No
REPAIR circuit CCA15 (YE/GY). TEST the system for normal operation.

-------------------------------------------------
M6 CHECK FOR CORRECT IPC OPERATION


- Ignition OFF.
- Check IPC C220 for:
- corrosion.
- pushed-out pins.
- spread terminals.
- Connect: IPC C220.
- Make sure the connector is seated correctly, then operate the system and verify the concern is still present.
- Is the concern still present?

Yes
INSTALL a new IPC. REFER to Instrument Panel, Gauges and Warning Indicators. TEST the system for normal operation.

No
The system is operating correctly at this time. The concern may have been caused by a loose or corroded connector.

-------------------------------------------------