Pinpoint Test M: The Memory Seat Does Not Operate Correctly - Does Not Operate Using The Memory SET Switch
Seats
Pinpoint Tests
Pinpoint Test M: The Memory Seat Does Not Operate Correctly - Does Not Operate Using the Memory SET Switch
Refer to Wiring Diagram Set 123 (Fusion/Milan/MKZ, Fusion Hybrid/Milan Hybrid), Memory Seats for schematic and connector information. Diagrams By Number
Normal Operation
Each motor in the memory seat track and recliner mechanism contains a Hall-effect position sensor. The Driver Seat Module (DSM) supplies a shared signal feed circuit to each sensor. Each position sensor sends a signal pulse back to the DSM to monitor the position of the power seat and seat backrest. The DSM stores the sensor position data when a SET command is received and uses this information to return the seat to the stored position when a recall command is received.
The memory SET switch is supplied ground on circuit GD126 (BK/WH). When SET button 1 or 2 is pressed, the memory SET switch supplies ground to Driver Door Module (DDM) input circuit CPS16 (YE) or CPS15 (VT/WH). The DDM communicates a memory SET command to the DSM on the Medium Speed Controller Area Network (MS-CAN). The DSM then supplies voltage and ground to the power seat track motors and power recliner motor to move the seat to the stored position. For information on programming memory positions or recalling a stored memory position, refer to Memory Position Programming Programming and Relearning.
The following pinpoint test diagnoses a memory seat that does not operate correctly using the memory SET switch. If the memory seat does not move in all directions using the seat control switch, GO to Pinpoint Test L. Pinpoint Test L: The Memory Seat Is Inoperative/Does Not Operate Correctly - Does Not Operate Horizontally/Vertically/Recline
B1342-B1965:
This pinpoint test is intended to diagnose the following:
- Wiring, terminals or connectors
- Memory SET switch
- Missing status information - MS-CAN communication bus messages:
- ignition switch status
- gear selector position
- Memory power seat track
- Seat recliner motor
- DDM
- DSM
PINPOINT TEST M: THE MEMORY SEAT DOES NOT OPERATE CORRECTLY - DOES NOT OPERATE USING THE MEMORY SET SWITCH
NOTE: The air bag warning indicator illuminates when the correct Restraints Control Module (RCM) fuse is removed and the ignition switch is ON.
NOTE: The Supplemental Restraint System (SRS) must be fully operational and free of faults before releasing the vehicle to the customer.
NOTE: Verify good battery condition before diagnosing the memory seat system. Poor battery condition may interfere with memory seat operation, even if vehicle starting is possible.
-------------------------------------------------
M1 CHECK TCM TRANSMISSION RANGE (TR) PID
- Ignition ON.
- Enter the following diagnostic mode on the scan tool: DataLogger - TCM - PIDs: TR .
- Operate the transmission gear selector in all positions while monitoring the TCM PID TR states.
- Do the PID states agree with the selected positions?
Yes
GO to M2.
No
To diagnose a transmission gear selector (PRNDL) status concern, REFER to Automatic Transmission/Transaxle &/or Transmission Control Systems.
-------------------------------------------------
M2 CHECK DSM IGNITION SWITCH STATUS (IGN_SW) PID
- Enter the following diagnostic mode on the scan tool: DataLogger - DSM - PID: IGN_SW .
- Cycle the ignition in all positions while monitoring the DSM PID states.
- Do the PID states agree with the selected positions?
Yes
GO to M3.
No
To diagnose an ignition status concern, REFER to Steering Column.
-------------------------------------------------
M3 RETRIEVE THE DTCs
- Operate the memory seat and memory exterior mirrors in all directions through the full range of travel.
- Place the memory seat and memory exterior mirrors in central travel positions.
- Enter the following diagnostic mode on the scan tool: Self Test - DSM .
- Enter the following diagnostic mode on the scan tool: Self Test - DDM .
- Are any DTCs retrieved during the DDM Self Tests?
Yes
If one or both of the following DDM DTCs are retrieved; B1534 or B1538, GO to M5.
If DTCs B1952, B1956, B1960 and B1964 are all retrieved, GO to M10.
If DTCs B1953, B1957, B1961 and B1965 are all retrieved, GO to M10.
If DTC B1663, GO to M11.
If DTC B1664, GO to M14.
If DTC B1665, GO to M17.
If DTC B1666, GO to M20.
If DTC B1952, GO to M14.
If DTC B1953, GO to M15.
If DTC B1956, GO to M11.
If DTC B1957, GO to M12.
If DTC B1960, GO to M20.
If DTC B1961, GO to M21.
If DTC B1964, GO to M17.
If DTC B1965, GO to M18.
If DTC B1342, INSTALL a new DSM. REFER to Body Control Systems. REPEAT the self-test. CLEAR the DTCs.
No
GO to M4.
-------------------------------------------------
M4 CHECK THE DSM MEMORY SET SWITCH PID STATES
- Enter the following diagnostic mode on the scan tool: DataLogger - DSM - PIDs .
- Memory 1 recall switch status
- Memory 2 recall switch status
- While activating the memory switch recall 1 and recall 2 buttons, monitor the DDM memory SET switch PID states.
- Do the PID states agree with the switch button positions?
Yes
GO to M10.
No
GO to M5.
-------------------------------------------------
M5 CHECK THE MEMORY SET SWITCH
- Ignition OFF.
- Disconnect: Memory SET Switch C503 .
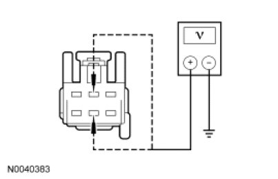
- Measure the resistance between memory SET switch pins, component side, while pressing the indicated buttons using the following chart and illustration:
- Is the memory SET switch OK?
Yes
GO to M6.
No
INSTALL a new memory SET switch. REFER to Memory Set Switch Memory Set Switch. REPEAT the self-test. CLEAR the DTCs.
-------------------------------------------------
M6 CHECK MEMORY SET GROUND CIRCUIT FOR AN OPEN
- Measure the resistance between memory SET switch C503-2, circuit GD126 (BK/WH), harness side and ground.
- Is the resistance less than 5 ohms?
Yes
GO to M7.
No
REPAIR the circuit. REPEAT the self-test. CLEAR the DTCs.
-------------------------------------------------
M7 CHECK MEMORY SET CIRCUITS FOR A SHORT TO VOLTAGE
- Disconnect: DDM C568b .
- Ignition ON.
- Measure the voltage between memory SET switch C503, harness side and ground using the following chart:
- Is voltage present on any circuits?
Yes
REPAIR the circuit(s). REPEAT the self-test. CLEAR the DTCs.
No
GO to M8.
-------------------------------------------------
M8 CHECK MEMORY SET CIRCUITS FOR A SHORT TO GROUND
- Ignition OFF.
- Measure the resistance between memory SET switch C503, harness side and ground using the following chart:
- Are the resistances greater than 10,000 ohms?
Yes
GO to M9.
No
REPAIR the circuit(s). REPEAT the self-test. CLEAR the DTCs.
-------------------------------------------------
M9 CHECK MEMORY SET CIRCUITS FOR AN OPEN
- Measure the resistance between memory SET switch C503 pins and DDM C568b pins using the following chart:
- Are the resistances less than 5 ohms?
Yes
INSTALL a new DDM. REFER to Body Control Systems. REPEAT the self-test. CLEAR the DTCs.
No
REPAIR the circuit(s). REPEAT the self-test. CLEAR the DTCs.
-------------------------------------------------
M10 CHECK DSM SENSOR PIDs
- Enter the following diagnostic mode on the scan tool: DataLogger - DSM - PIDs .
- Driver Power Seat Front Up/Down Sense (SFNT_MT)
- Driver Power Seat Forward/Backward Sense (SFWD_MT)
- Driver Power Seat Rear Up/Down Sense (SREARMT)
- Driver Power Seat Recline Sense (SRCL_MT)
- NOTE: If the DSM detects a fault while carrying out this step, the associated motor may operate in one-second intervals.
- Using the switch, operate the memory seat in all directions through the full range of travel while monitoring the DSM PIDs.
- Does each PID indicate the sensor is operational throughout each motor's full range of travel?
Yes
INSTALL a new DSM. REFER to Body Control Systems. REPEAT the self-test. CLEAR the DTCs.
No
If the PID indicates driver seat front vertical position sensor is not present, GO to M11.
If the PID indicates driver seat rear vertical position sensor is not present, GO to M14.
If the PID indicates driver seat horizontal position sensor is not present, GO to M17.
If the PID indicates driver seat recline position sensor is not present, GO to M20.
-------------------------------------------------
M11 CHECK THE FRONT HEIGHT SENSOR CIRCUITS FOR A SHORT TO VOLTAGE
- Ignition OFF.
- Depower the SRS. Refer to Supplemental Restraint System (SRS) Depowering and Repowering in the
General Procedures portion of Restraint Systems.
- Disconnect: Driver Seat Side Air Bag C327 .
- Disconnect: DSM C3299b .
- Disconnect: Memory Seat Position Sensor C358 .
- WARNING: Make sure no one is in the vehicle and there is nothing blocking or placed in front of any air bag module when the battery is connected. Failure to follow these instructions may result in serious personal injury in the event of an accidental deployment.
- Connect the battery ground cable. Refer to Battery.
- Ignition ON.
- Measure the voltage between:
- memory seat position sensor C358-2, circuit VPS10 (BU/GN), harness side and ground.
- memory seat position sensor 358-5, circuit RPS13 (GN/OG), harness side and ground.
- Is voltage present on either circuit?
Yes
REPAIR the circuit(s). REPEAT the self-test. CLEAR the DTCs.
DISCONNECT the battery ground cable. CONNECT driver seat side air bag module C327. REPOWER the SRS. REFER to Restraint Systems.
No
GO to M12.
-------------------------------------------------
M12 CHECK THE FRONT HEIGHT SENSOR CIRCUITS FOR A SHORT TO GROUND
- Ignition OFF.
- Measure the resistance between:
- memory seat position sensor C358-2, circuit VPS10 (BU/GN), harness side and ground.
- memory seat position sensor 358-5, circuit RPS13 (GN/OG), harness side and ground.
- Are the resistances greater than 10,000 ohms?
Yes
GO to M13.
No
REPAIR the circuit(s). REPEAT the self-test. CLEAR the DTCs.
DISCONNECT the battery ground cable. CONNECT driver seat side air bag module C327. REPOWER the SRS. REFER to Restraint Systems.
-------------------------------------------------
M13 CHECK THE FRONT HEIGHT SENSOR CIRCUITS FOR AN OPEN
- Measure the resistance between:
- memory seat position sensor C358-2, circuit VPS10 (BU/GN), harness side and DSM C3299b-4, circuit VPS10 (BU/GN), harness side.
- memory seat position sensor 358-5, circuit RPS13 (GN/OG), harness side and DSM C3299b-8, circuit RPS13 (GN/OG), harness side.
- Are the resistances less than 5 ohms?
Yes
INSTALL a new driver seat track assembly. REFER to Seat Track Seat Track. REPEAT the self-test. CLEAR the DTCs.
DISCONNECT the battery ground cable. CONNECT driver seat side air bag module C327. REPOWER the SRS. REFER to Restraint Systems.
No
REPAIR the circuit(s). REPEAT the self-test. CLEAR the DTCs.
DISCONNECT the battery ground cable. CONNECT driver seat side air bag module C327. REPOWER the SRS. REFER to Restraint Systems.
-------------------------------------------------
M14 CHECK THE REAR HEIGHT SENSOR CIRCUITS FOR A SHORT TO VOLTAGE
- Ignition OFF.
- Depower the SRS. Refer to Supplemental Restraint System (SRS) Depowering and Repowering in the
General Procedures portion of Restraint Systems.
- Disconnect: Driver Seat Side Air Bag C327 .
- Disconnect: DSM C3299b .
- Disconnect: Memory Seat Position Sensor C358 .
- WARNING: Make sure no one is in the vehicle and there is nothing blocking or placed in front of any air bag module when the battery is connected. Failure to follow these instructions may result in serious personal injury in the event of an accidental deployment.
- Connect the battery ground cable. Refer to Battery.
- Measure the voltage between:
- memory seat position sensor C358-1, circuit VPS11 (GN/BN), harness side and ground.
- driver seat position sensor C358-4, circuit RPS13 (GN/OG), harness side and ground.
- Is voltage present on either circuit?
Yes
REPAIR the circuit(s). REPEAT the self-test. CLEAR the DTCs.
DISCONNECT the battery ground cable. CONNECT driver seat side air bag module C327. REPOWER the SRS. REFER to Restraint Systems.
No
GO to M15.
-------------------------------------------------
M15 CHECK THE REAR HEIGHT SENSOR CIRCUITS FOR A SHORT TO GROUND
- Ignition OFF.
- Measure the resistance between:
- memory seat position sensor C358-1, circuit VPS11 (GN/BN), harness side and ground.
- memory seat position sensor C358-4, circuit RPS13 (GN/OG), harness side and ground.
- Are the resistances greater than 10,000 ohms?
Yes
GO to M16.
No
REPAIR the circuit(s). REPEAT the self-test. CLEAR the DTCs.
DISCONNECT the battery ground cable. CONNECT driver seat side air bag module C327. REPOWER the SRS. REFER to Restraint Systems.
-------------------------------------------------
M16 CHECK THE REAR HEIGHT SENSOR CIRCUITS FOR AN OPEN
- Measure the resistance between:
- memory position sensor C358-1, circuit VPS11 (GN/BN), harness side and DSM C3299b-3, circuit VPS11 (GN/BN), harness side.
- memory seat position sensor C358-4, circuit RPS13 (GN/OG), harness side and DSM C3299b-8, circuit RPS13 (GN/OG), harness side.
- Are the resistances less than 5 ohms?
Yes
INSTALL a new driver seat track assembly. REFER to Seat Track Seat Track. REPEAT the self-test. CLEAR the DTCs.
DISCONNECT the battery ground cable. CONNECT driver seat side air bag module C327. REPOWER the SRS. REFER to Restraint Systems.
No
REPAIR the circuit(s) in question. REPEAT the self-test. CLEAR the DTCs.
DISCONNECT the battery ground cable. CONNECT driver seat side air bag module C327. REPOWER the SRS. REFER to Restraint Systems.
-------------------------------------------------
M17 CHECK THE HORIZONTAL SENSOR CIRCUITS FOR A SHORT TO VOLTAGE
- Ignition OFF.
- Depower the SRS. Refer to Supplemental Restraint System (SRS) Depowering and Repowering in the
General Procedures portion of Restraint Systems.
- Disconnect: Driver Seat Side Air Bag C327 .
- Disconnect: DSM C3299b .
- Disconnect: Memory Seat Position Sensor C358 .
- WARNING: Make sure no one is in the vehicle and there is nothing blocking or placed in front of any air bag module when the battery is connected. Failure to follow these instructions may result in serious personal injury in the event of an accidental deployment.
- Connect the battery ground cable. Refer to Battery.
- Ignition ON.
- Measure the voltage between:
- memory seat position sensor C358-3, circuit VPS09 (BN/BU), harness side and ground.
- memory seat position sensor C358-6, circuit RPS13 (GN/OG), harness side and ground.
- Is voltage present on either circuit?
Yes
REPAIR the circuit(s). REPEAT the self-test. CLEAR the DTCs.
DISCONNECT the battery ground cable. CONNECT driver seat side air bag module C327. REPOWER the SRS. REFER to Restraint Systems.
No
GO to M18.
-------------------------------------------------
M18 CHECK THE HORIZONTAL SENSOR CIRCUITS FOR A SHORT TO GROUND
- Ignition OFF.
- Measure the resistance between:
- memory seat position sensor C358-3, circuit VPS09 (BN/BU), harness side and ground.
- memory seat position sensor C358-6, circuit RPS13 (GN/OG), harness side and ground.
- Are the resistances greater than 10,000 ohms?
Yes
GO to M19.
No
REPAIR the circuit(s). REPEAT the self-test. CLEAR the DTCs.
DISCONNECT the battery ground cable. CONNECT driver seat side air bag module C327. REPOWER the SRS. REFER to Restraint Systems.
-------------------------------------------------
M19 CHECK THE HORIZONTAL SENSOR CIRCUITS FOR AN OPEN
- Measure the resistance between:
- memory seat position sensor C358-3, circuit VPS09 (BN/BU), harness side and DSM C3299b-14, circuit VPS09 (BN/BU), harness side.
- memory seat position sensor C358-6, circuit RPS13 (GN/OG), harness side and DSM C3299b-8, circuit RPS13 (GN/OG), harness side.
- Are the resistances less than 5 ohms?
Yes
INSTALL a new driver seat track assembly. REFER to Seat Track Seat Track. REPEAT the self-test. CLEAR the DTCs.
DISCONNECT the battery ground cable. CONNECT driver seat side air bag module C327. REPOWER the SRS. REFER to Restraint Systems.
No
REPAIR the circuit(s). REPEAT the self-test. CLEAR the DTCs.
DISCONNECT the battery ground cable. CONNECT driver seat side air bag module C327. REPOWER the SRS. REFER to Restraint Systems.
-------------------------------------------------
M20 CHECK THE RECLINER SENSOR CIRCUITS FOR A SHORT TO VOLTAGE
- Ignition OFF.
- Depower the SRS. Refer to Supplemental Restraint System (SRS) Depowering and Repowering in the
General Procedures portion of Restraint Systems.
- Disconnect: Driver Seat Side Air Bag C327 .
- Disconnect: DSM C3299b .
- Disconnect: Driver Seat Recliner Motor C3187 .
- WARNING: Make sure no one is in the vehicle and there is nothing blocking or placed in front of any air bag module when the battery is connected. Failure to follow these instructions may result in serious personal injury in the event of an accidental deployment.
- Connect the battery ground cable. Refer to Battery.
- Measure the voltage between:
- driver seat recliner motor C3187-2, circuit RPS13 (GN/OG), harness side and ground.
- driver seat recliner motor C3187-4, circuit VPS12 (GY/OG), harness side and ground.
- Is voltage present on either circuit?
Yes
REPAIR the circuit(s). REPEAT the self-test. CLEAR the DTCs.
DISCONNECT the battery ground cable. CONNECT driver seat side air bag module C327. REPOWER the SRS. REFER to Restraint Systems.
No
GO to M21.
-------------------------------------------------
M21 CHECK THE RECLINER SENSOR CIRCUITS FOR A SHORT TO GROUND
- Ignition OFF.
- Measure the resistance between:
- driver seat recliner motor C3187-2, circuit RPS13 (GN/OG), harness side and ground.
- driver seat recliner motor C3187-4, circuit VPS12 (GY/OG), harness side and ground.
- Are the resistances greater than 10,000 ohms?
Yes
GO to M22.
No
REPAIR the circuit(s). REPEAT the self-test. CLEAR the DTCs.
DISCONNECT the battery ground cable. CONNECT driver seat side air bag module C327. REPOWER the SRS. REFER to Restraint Systems.
-------------------------------------------------
M22 CHECK THE RECLINER SENSOR CIRCUITS FOR AN OPEN
- Measure the resistance between:
- driver seat recliner motor C3187-2, circuit RPS13 (GN/OG), harness side and DSM C3299b-8, circuit RPS13 (GN/OG), harness side.
- driver seat recliner motor C3187-4, circuit VPS12 (GY/OG), harness side and DSM C3299b-20, circuit VPS12 (GY/OG), harness side.
- Are the resistances less than 5 ohms?
Yes
INSTALL a new driver seat recliner motor. REFER to Seat Recliner Motor Seat Recliner Motor. REPEAT the self-test. CLEAR the DTCs.
DISCONNECT the battery ground cable. CONNECT driver seat side air bag module C327. REPOWER the SRS. REFER to Restraint Systems.
No
REPAIR the circuit(s). REPEAT the self-test. CLEAR the DTCs.
DISCONNECT the battery ground cable. CONNECT driver seat side air bag module C327. REPOWER the SRS. REFER to Restraint Systems.
-------------------------------------------------