Curiosii for ever!: Car repair manuals for everyone.

Pinpoint Test N: Temperature Control is Inoperative/Does Not Operate Correctly - Manual Climate Control




Climate Control System

Pinpoint Tests

Pinpoint Test N: Temperature Control is Inoperative/Does Not Operate Correctly - Manual Climate Control

Refer to Wiring Diagram Set 54, Manual Climate Control System for schematic and connector information. Diagrams By Number

Normal Operation

Under normal operation, the temperature blend door actuator is supplied voltage and ground. As the temperature selection changes it varies the voltage to the temperature blend door actuator. The temperature control potentiometer receives voltage from the temperature blend door actuator. Ground for the temperature control potentiometer is supplied from the temperature blend door actuator.

This pinpoint test is intended to diagnose the following:
- Fuse
- Wiring, terminals or connectors
- Temperature blend door actuator
- Temperature control potentiometer
- Stuck or bound linkage or door



PINPOINT TEST N: TEMPERATURE CONTROL IS INOPERATIVE/DOES NOT OPERATE CORRECTLY - MANUAL CLIMATE CONTROL

-------------------------------------------------
N1 CHECK THE VOLTAGE TO THE TEMPERATURE BLEND DOOR ACTUATOR MOTOR


- Ignition OFF.
- Disconnect: In-line C237.
- Ignition ON.
- Measure the voltage between in-line C237-4, circuit 1040 (RD/BK), instrument panel harness side and ground.




- Is the voltage greater than 10 volts?

Yes
GO to N2.

No
VERIFY the Central Junction Box (CJB) fuse 17 (10A) is OK. If OK, REPAIR circuit 1040 (RD/BK) for an open. TEST the system for normal operation.

-------------------------------------------------
N2 CHECK THE GROUND TO THE BLEND DOOR ACTUATOR


- Ignition OFF.
- Measure the resistance between in-line C237-5, circuit 57 (BK), instrument panel harness side and ground.




- Is the resistance less than 5 ohms?

Yes
GO to N3.

No
REPAIR circuit 57 (BK) for an open. TEST the system for normal operation.

-------------------------------------------------
N3 CHECK THE TEMPERATURE CONTROL POTENTIOMETER TOTAL RESISTANCE


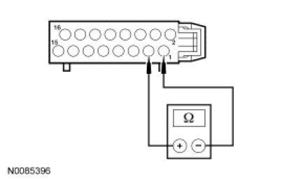
- Measure the resistance between in-line C237-1, circuit 436 (RD/LG), instrument panel harness side and in-line C237-3, circuit 600 (DB), instrument panel harness side.




- Is the resistance between 8,000 and 11,000 ohms?

Yes
GO to N6.

No
If the resistance is greater than 11,000 ohms, GO to N4.

If the resistance is less than 8,000 ohms, GO to N5.

-------------------------------------------------
N4 CHECK CIRCUITS 436 (RD/LG) AND 600 (DB) FOR AN OPEN


- Disconnect: Temperature Control Potentiometer C294C.
- Measure the resistance between in-line C237-1, circuit 436 (RD/LG), instrument panel harness side and temperature control potentiometer C294C-1, circuit 436 (RD/LG), harness side.




- Measure the resistance between in-line C237-3, circuit 600 (DB), instrument panel harness side and temperature control potentiometer C294C-3, circuit 600 (DB), harness side.




- Are the resistances less than 5 ohms?

Yes
INSTALL a new temperature control potentiometer. TEST the system for normal operation.

No
REPAIR the affected circuit for an open. TEST the system for normal operation.

-------------------------------------------------
N5 CHECK CIRCUITS 436 (RD/LG) AND 600 (DB) FOR A SHORT TOGETHER


- Disconnect: Temperature Control Potentiometer C294C.
- Measure the resistance between in-line C237-1, circuit 436 (RD/LG), instrument panel harness side and in-line C237-3, circuit 600 (DB), instrument panel harness side.




- Is the resistance greater than 10,000 ohms?

Yes
INSTALL a new temperature control potentiometer. TEST the system for normal operation.

No
REPAIR circuits 436 (RD/LG) and 600 (DB) for a short together. TEST the system for normal operation.

-------------------------------------------------
N6 CHECK THE TEMPERATURE CONTROL POTENTIOMETER OPERATION


- Measure the high-side resistance between in-line C237-7, circuit 437 (YE/LG), instrument panel harness side and in-line C237-3, circuit 600 (DB), instrument panel harness side while rotating the temperature control potentiometer between full WARM to full COOL.




- Measure the low-side resistance between in-line C237-7, circuit 437 (YE/LG), instrument panel harness side and in-line C237-1, circuit 436 (RD/LG), instrument panel harness side while rotating the temperature control potentiometer between full WARM to full COOL.




- Do both resistances vary between 50 and 10,000 ohms?

Yes
GO to N9.

No
If the resistances are greater than 10,000 ohms, GO to N7.

If the resistances are less than 50 ohms, GO to N8.

-------------------------------------------------
N7 CHECK CIRCUIT 437 (YE/LG) FOR AN OPEN


- Disconnect: Temperature Control Potentiometer C294C.
- Measure the resistance between in-line C237-7, circuit 437 (YE/LG), instrument panel harness side and temperature control potentiometer C294C-2, circuit 437 (YE/LG), harness side.




- Is the resistance less than 5 ohms?

Yes
INSTALL a new temperature control potentiometer. TEST the system for normal operation.

No
REPAIR circuit 437 (YE/LG) for an open. TEST the system for normal operation.

-------------------------------------------------
N8 CHECK CIRCUITS 437 (YE/LG) AND 600 (DB) OR CIRCUITS 437 (YE/LG) AND 436 (RD/LG) FOR A SHORT TOGETHER


- Disconnect: Temperature Control Potentiometer C294C.
- Measure the resistance between in-line C237-7, circuit 437 (YE/LG), instrument panel harness side and in-line C237-3, circuit 600 (DB), instrument panel harness side.




- Measure the resistance between in-line C237-7, circuit 437 (YE/LG), instrument panel harness side and in-line C237-1, circuit 436 (RD/LG), instrument panel harness side.




- Is the resistance greater than 10,000 ohms?

Yes
INSTALL a new temperature control potentiometer. TEST the system for normal operation.

No
REPAIR the circuits for a short together. TEST the system for normal operation.

-------------------------------------------------
N9 CHECK CIRCUITS 437 (YE/LG) AND 600 (DB) FOR A SHORT TO GROUND


- Disconnect: Temperature Control Potentiometer C294C.
- Measure the resistances between ground and:
- in-line C237-7, circuit 437 (YE/LG), instrument panel harness side.
- in-line C237-3, circuit 600 (DB), instrument panel harness side.




- Are the resistances greater than 10,000 ohms?

Yes
GO to N10.

No
REPAIR the affected circuit for a short to ground. TEST the system for normal operation.

-------------------------------------------------
N10 CHECK CIRCUITS 436 (RD/LG), 437 (YE/LG) AND 600 (DB) FOR A SHORT TO VOLTAGE


- Ignition ON.
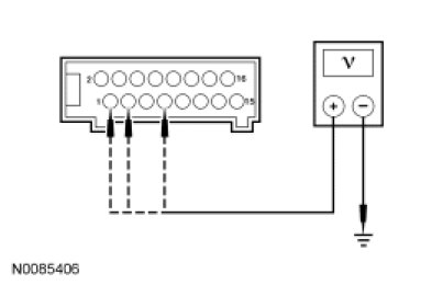
- Measure the voltage between ground and:
- in-line C237-7, circuit 437 (YE/LG), instrument panel harness side.
- in-line C237-3, circuit 600 (DB), instrument panel harness side.
- in-line C237-1, circuit 436 (RD/LG), instrument panel harness side.




- Is any voltage present?

Yes
REPAIR the affected circuit for a short to voltage. TEST the system for normal operation.

No
GO to N11.

-------------------------------------------------
N11 CHECK ACTUATOR CIRCUITS FOR AN OPEN


NOTE: Access to the connector in the following step is difficult. Before performing this step, visually inspect the actuator and its harness for obvious damage. If no damage is evident, proceed with the test.

- Disconnect: Temperature Blend Door Actuator C289.
- Measure the resistance between the in-line connector, body harness side and temperature blend door actuator, body harness side using the following chart.









- Are the resistances less than 5 ohms?

Yes
GO to N12.

No
REPAIR the affected circuit for an open. TEST the system for normal operation.

-------------------------------------------------
N12 CHECK CIRCUITS 436 (RD/LG), 437 (YE/LG) AND 600 (DB) FOR A SHORT TO VOLTAGE


- Ignition ON.
- Measure the voltage between ground and:
- in-line C237-7, circuit 437 (YE/LG), body harness side.
- in-line C237-3, circuit 600 (DB), body harness side.
- in-line C237-1, circuit 436 (RD/LG), body harness side.




- Is any voltage present?

Yes
REPAIR the affected circuit for a short to voltage. TEST the system for normal operation.

No
GO to N13.

-------------------------------------------------
N13 CHECK CIRCUITS FOR A SHORT TO GROUND


- Measure the resistances between ground and:
- in-line C237-7, circuit 437 (YE/LG), body harness side.
- in-line C237-3, circuit 600 (DB), body harness side.




- Are the resistances greater than 10,000 ohms?

Yes
GO to N14.

No
REPAIR the affected circuit for a short to ground. TEST the system for normal operation.

-------------------------------------------------
N14 CHECK CIRCUITS FOR A SHORT TOGETHER


- Ignition OFF.
- Measure the resistance between in-line C237-1, circuit 436 (RD/LG), body harness side and in-line C237-3, circuit 600 (DB), body harness side.




- Measure the resistance between in-line C237-7, circuit 437 (YE/LG), body harness side and in-line C237-1, circuit 436 (RD/LG), body harness side.




- Measure the resistance between in-line C237-7, circuit 437 (YE/LG), body harness side and in-line C237-3, circuit 600 (DB), body harness side.




- Is the resistance greater than 10,000 ohms?

Yes
GO to N15.

No
REPAIR the circuits for a short together. TEST the system for normal operation.

-------------------------------------------------
N15 CHECK FOR A BINDING, STUCK OR BROKEN BLEND DOOR


- Ignition OFF.
- Remove the actuator.
- Inspect for a binding, stuck or broken blend door or linkage.
- Is there a binding, stuck or broken blend door or linkage condition?

Yes
REPAIR the blend door/linkage. TEST the system for normal operation.

No
INSTALL a new temperature blend door actuator. TEST the system for normal operation.

-------------------------------------------------