Curiosii for ever!
: Car repair manuals for everyone.
Home
>>
Mercury
>>
2005
>>
Montego AWD V6-3.0L VIN 1
>>
Repair and Diagnosis
>>
Diagrams
>>
Exploded Views
>>
Engine
>>
Timing Components
>>
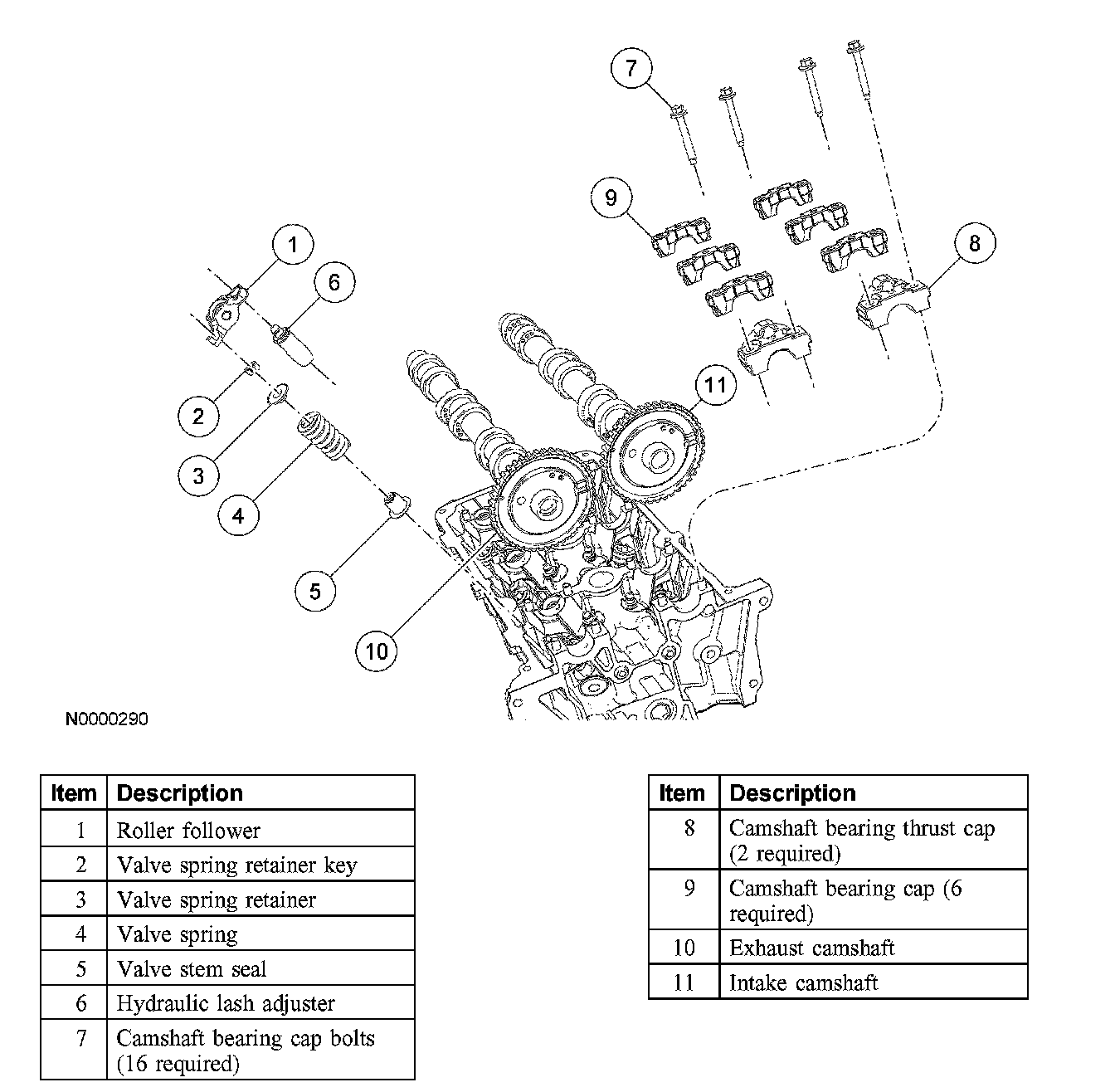
Valve Train Components - RH
Valve Train Components - RH