Curiosii for ever!: Car repair manuals for everyone.

Spark Plug: Service and Repair

REMOVAL
1. Remove the ignition coil-on-plug.







2. Remove the RH spark plugs.

NOTE:
^ Use compressed air to remove any foreign material from the spark plug well before removing the spark plugs.
^ If an original spark plug is used, make sure it is installed in the same cylinder from which it was taken. New spark plugs can be used in any cylinder.







3. Remove the LH spark plugs.







4. Inspect the spark plugs.

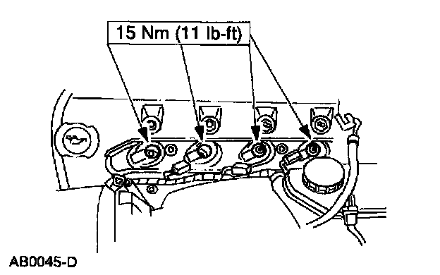
INSTALLATION







1. Adjust the spark plug gap as necessary.
2. To install, reverse the removal procedure.