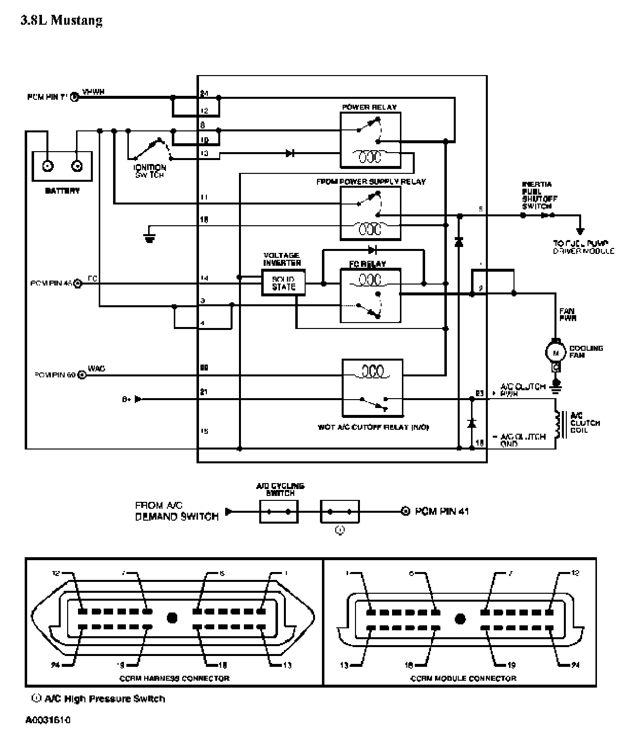
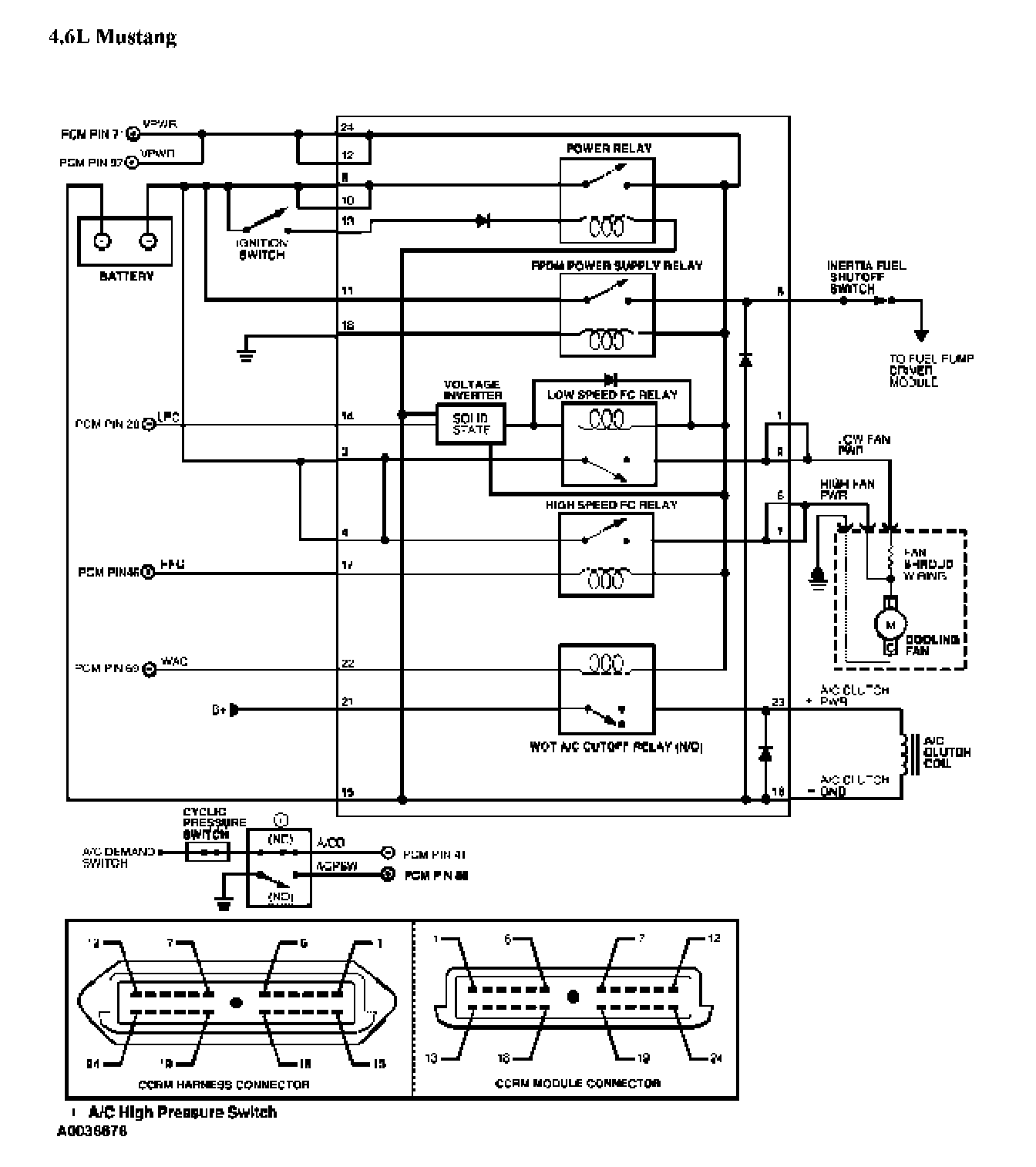
Curiosii for ever!: Car repair manuals for everyone.

Test X: Constant Control Relay Module (CCRM)



X INTRODUCTION 1 OF 4:





X INTRODUCTION 2 OF 4:





X INTRODUCTION 3 OF 4:





X INTRODUCTION 4 OF 4:





X1 - X2:





X3 - X15:





X16 - X17:





X18 - X20:





X21 - X24:





X25 - X30:





X31 - X35:





X36 - X41:





X42 - X43:





X44 - X50:





X51 - X54:





X65 - X70:





X71 - X73:





X80 - X81:





X82 - X83:





X84:





X98:





X99 - X101:





X102:





X103 - X104:





X105 - X106:





X107 - X109:





X110 - X111:





X115 - X116:





X120:





X124 - X125:





X126 - X128:





X130 - X131:





X132 - X135:





X140 - X141:





X145:





X146 - X147: