Curiosii for ever!
: Car repair manuals for everyone.
Home
>>
Mercury
>>
2002
>>
Sable V6-3.0L VIN U
>>
Repair and Diagnosis
>>
Diagrams
>>
Electrical Diagrams
>>
Windows
Windows
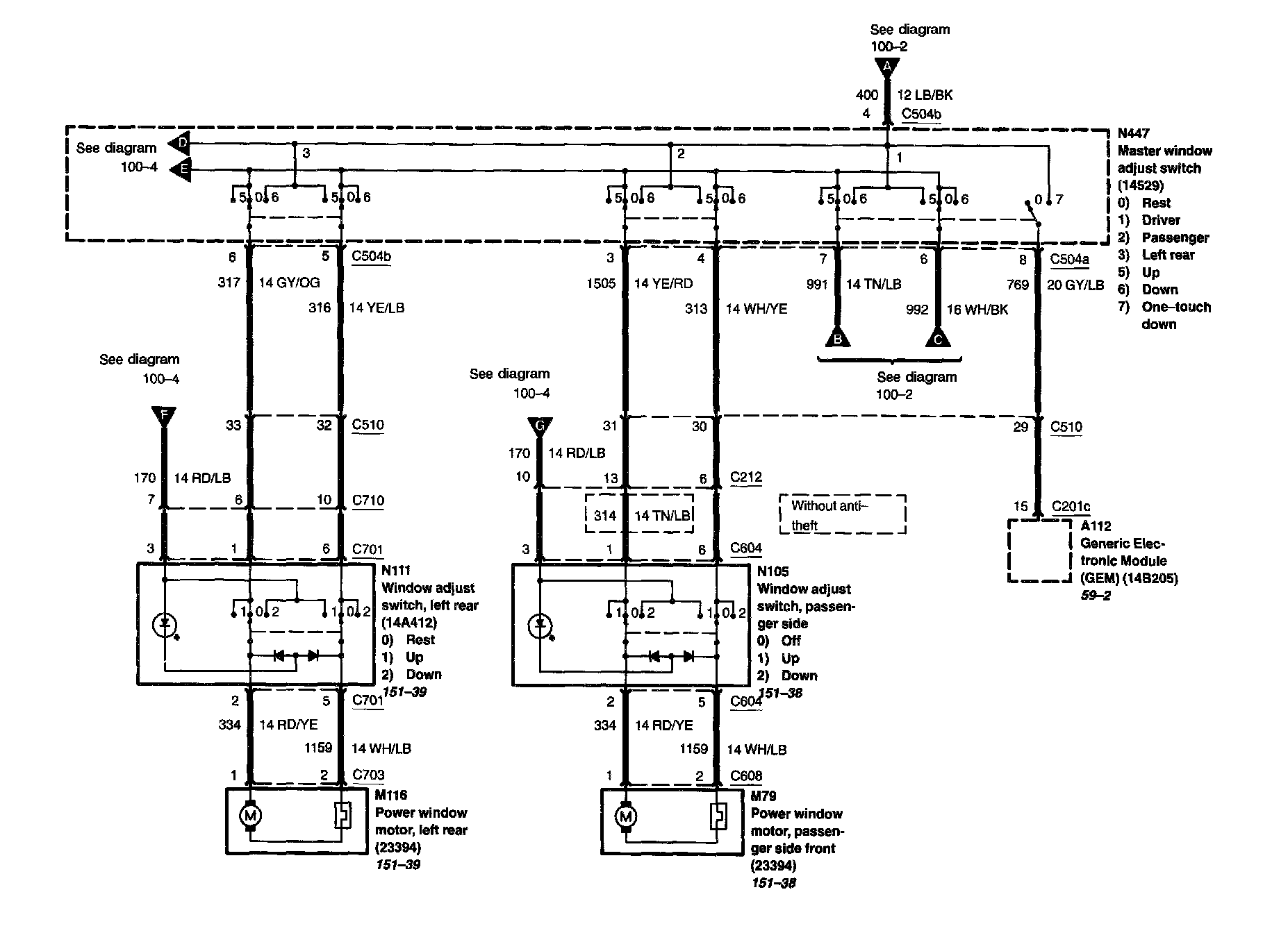
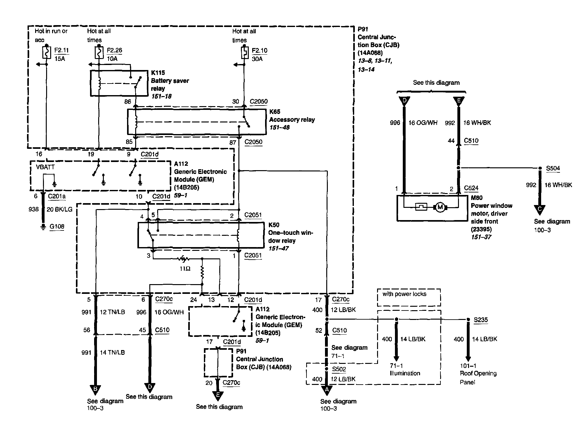
Diagram 100-1:
Diagram 100-2:
Diagram 100-3:
Diagram 100-4: