Curiosii for ever!
: Car repair manuals for everyone.
Home
>>
Mercury
>>
1999
>>
Sable V6-3.0L VIN U
>>
Repair and Diagnosis
>>
Windows and Glass
>>
Windows
>>
Power Window Switch
>>
Testing and Inspection
>>
Overhead Console
Overhead Console
Component Testing Procedure:
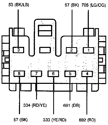
Terminal - Overhead Console:
Schematic - Overhead Console: