Curiosii for ever!
: Car repair manuals for everyone.
Home
>>
Mercury
>>
1999
>>
Sable V6-3.0L VIN U
>>
Repair and Diagnosis
>>
Diagrams
>>
Exploded Views
>>
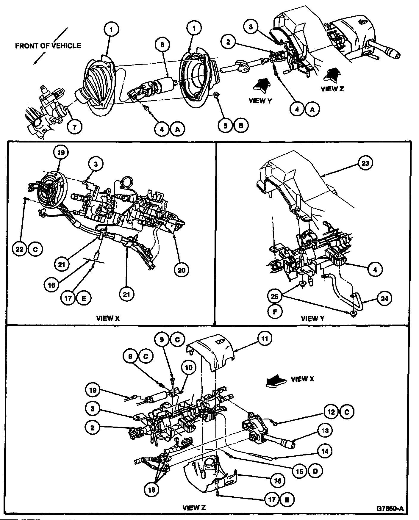
Steering Column
>>
With Floor Shift
With Floor Shift
Part 1 Of 2:
Part 2 Of 2: