Curiosii for ever!
: Car repair manuals for everyone.
Home
>>
Mercury
>>
1998
>>
Tracer L4-122 2.0L SOHC
>>
Repair and Diagnosis
>>
Diagrams
>>
Exploded Views
>>
Engine
>>
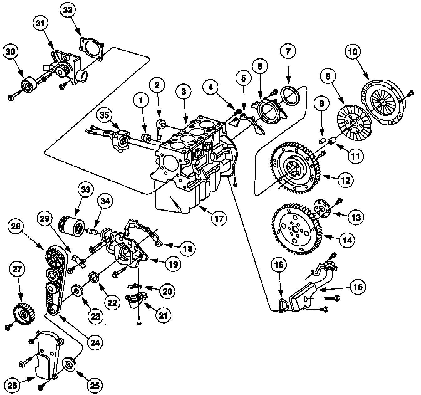
System Diagram
System Diagram
Upper Engine Components, Part 1 Of 2:
Upper Engine Components, Part 2 Of 2:
Lower Engine Components, Part 1 Of 4:
Lower Engine Components, Part 2 Of 4:
Lower Engine Components, Part 3 Of 4:
Lower Engine Components, Part 4 Of 4: