Curiosii for ever!
: Car repair manuals for everyone.
Home
>>
Mercury
>>
1998
>>
Tracer L4-122 2.0L SOHC
>>
Repair and Diagnosis
>>
Diagrams
>>
Exploded Views
>>
Automatic Transmission/Transaxle
>>
System Diagram
>>
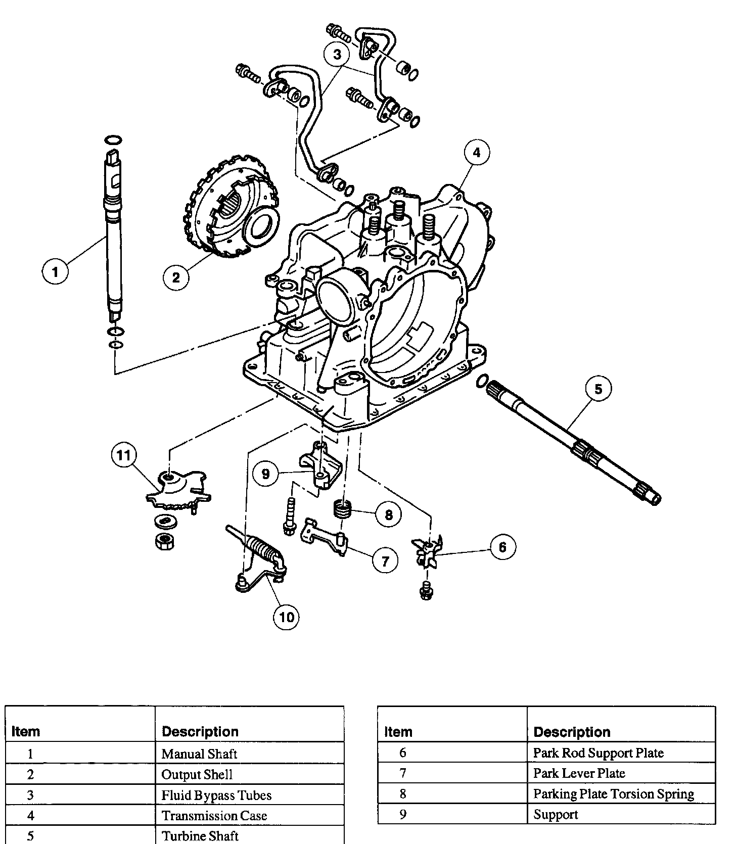
Internal Components
Internal Components
Part 1 Of 2:
Part 2 Of 2: