Curiosii for ever!: Car repair manuals for everyone.

Check For Leaks




A/C Manifold And Tube Leak Test
1. Tighten the manifold retaining bolt to 18-23 N.m (14-16 lb-ft).
2. Add refrigerant to the system if necessary.
3. Leak test the manifold O-ring seals using Rotunda R-134a Automatic Calibration Halogen Leak Detector 023-R1003 or equivalent.
4. If no leaks are found, the manifold O-ring seals are good.
5. If a leak is found at the A/C manifold and tube and the manifold retaining bolt is tightened to 18-23 N.m (14-16 lb-ft), install new manifold O-ring seals. Repeat the leak test.

External Leak Test




Special Service Tool(s) Required




1. If the A/C compressor is on the vehicle, discharge the A/C system using the procedure described in System Discharging and Recovery. Remove the A/C compressor from the vehicle.
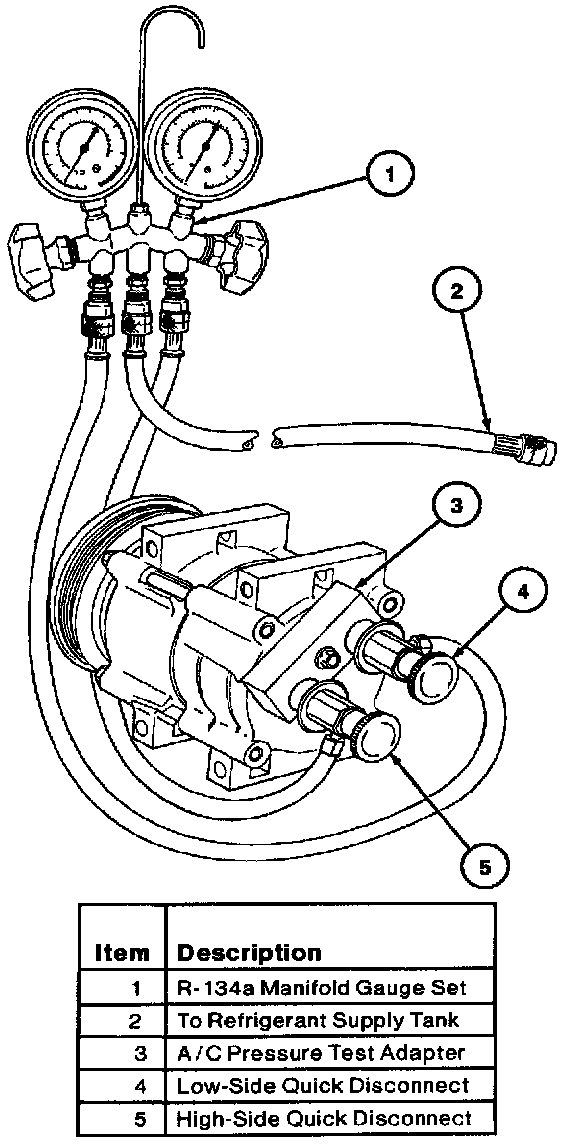
2. Remove the manifold retaining bolt and remove the A/C manifold and tube from the rear head of the A/C compressor. Install A/C Pressure Test Adapter T94P-19623-E on the rear head of the A/C compressor using the existing manifold retaining bolt.
3. Connect the high- and low-pressure lines of a manifold gauge set to the corresponding fittings on the A/C Pressure Test Adapter T94P-19623-E.
4. Attach the center hose of the manifold gauge set to a refrigerant container standing in an upright position.
5. Hand-rotate the compressor shaft 10 complete revolutions to distribute oil within the A/C compressor.
6. Open the low pressure gauge valve, the high pressure gauge valve and the valve on the refrigerant container to allow the refrigerant vapor to flow into the A/C compressor.
7. Using Rotunda R-134a Automatic Calibration Halogen Leak Detector 023-R1003 or equivalent, check for leaks at the compressor shaft seal and the compressor center seal.
8. If a shaft seal leak is found, install a new shaft seal. If an external leak is found at the center joint of the A/C compressor, install a new A/C compressor.
9. When the leak test is completed, recover the refrigerant.
10. Install the A/C compressor on the vehicle.
11. Leak-test, evacuate and charge the system. Observe all safety precautions.