Curiosii for ever!
: Car repair manuals for everyone.
Home
>>
Mercury
>>
1996
>>
Tracer L4-110 1.8L DOHC
>>
Repair and Diagnosis
>>
Diagrams
>>
Connector Views
>>
Engine Control Module
>>
Block Diagrams and Connector Pin Usage
>>
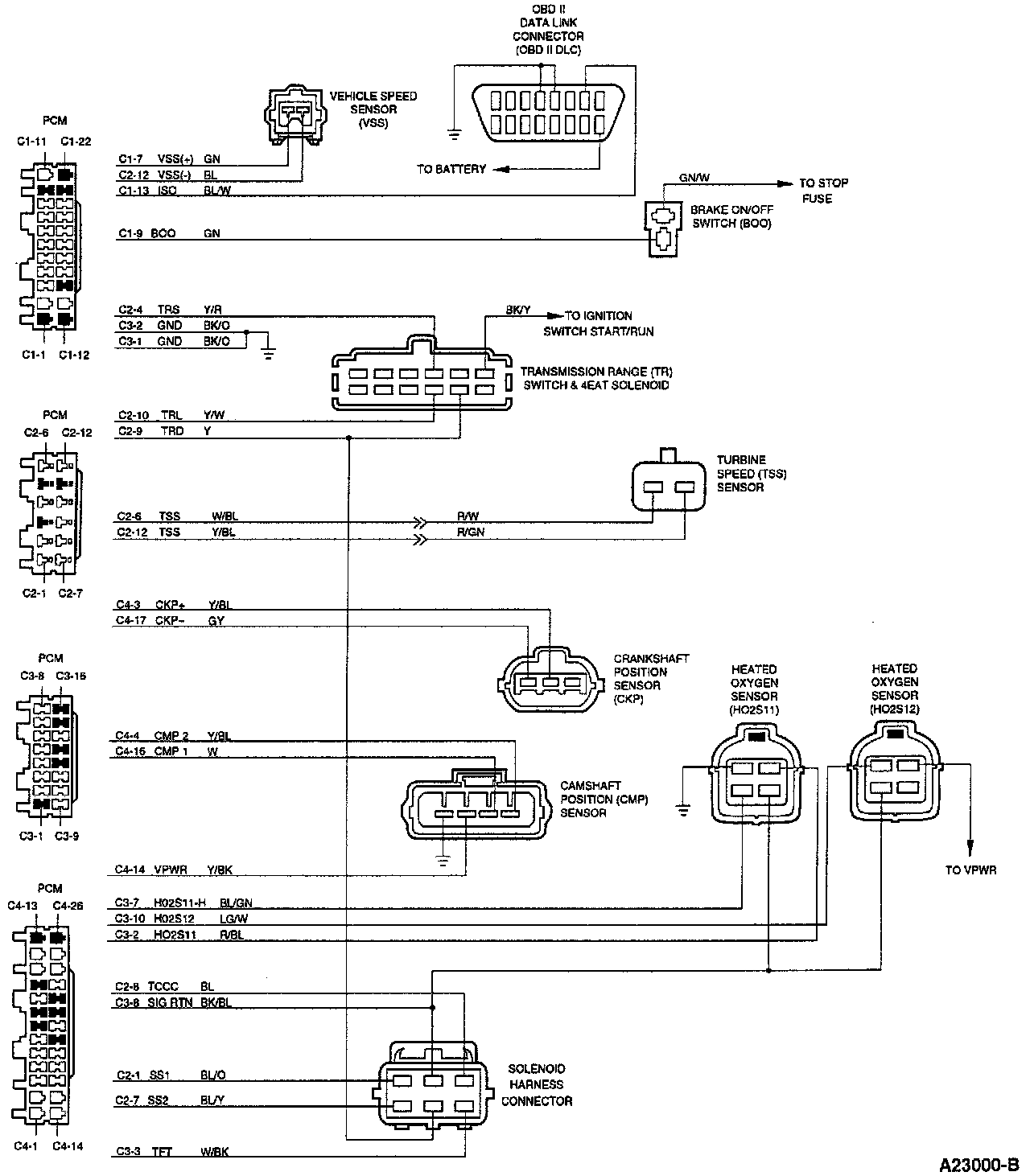
With Automatic Transaxle
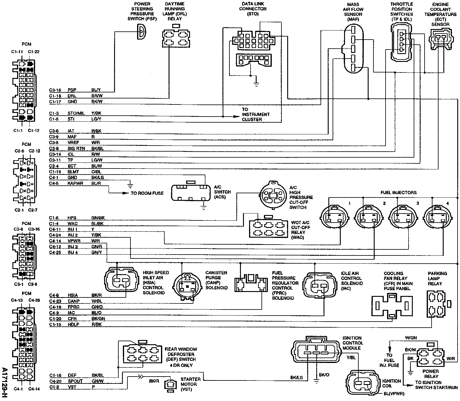
With Automatic Transaxle
Electrical Schematic:
Electrical Schematic:
Powertrain Control Module (PCM) Connector Pin Usage:
Powertrain Control Module (PCM) Connector Pin Usage: