Curiosii for ever!
: Car repair manuals for everyone.
Home
>>
Mercury
>>
1995
>>
Tracer L4-116 1.9L SOHC
>>
Repair and Diagnosis
>>
Powertrain Management
>>
Computers and Control Systems
>>
Testing and Inspection
>>
Pinpoint Tests
>>
PC - Spark Timing Check -- High Data Rate
>>
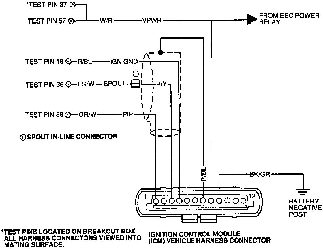
PC - Testing Schematic
PC - Testing Schematic
Testing Schematic: