Curiosii for ever!: Car repair manuals for everyone.

With Automatic Temperature Control (ATC)

NOTE: Whenever an A/C evaporator core is replaced, it will be necessary to replace the suction accumulator/drier.

CAUTION: If an A/C evaporator core leak is suspected, the A/C evaporator core must be leak tested before it is removed from the vehicle.

REMOVAL
1. Remove the A/C evaporator housing, please refer to Heating and Air Conditioning/Evaporator Case/Service and Repair/ Service and Repair
2. Disconnect and remove the vacuum harness.

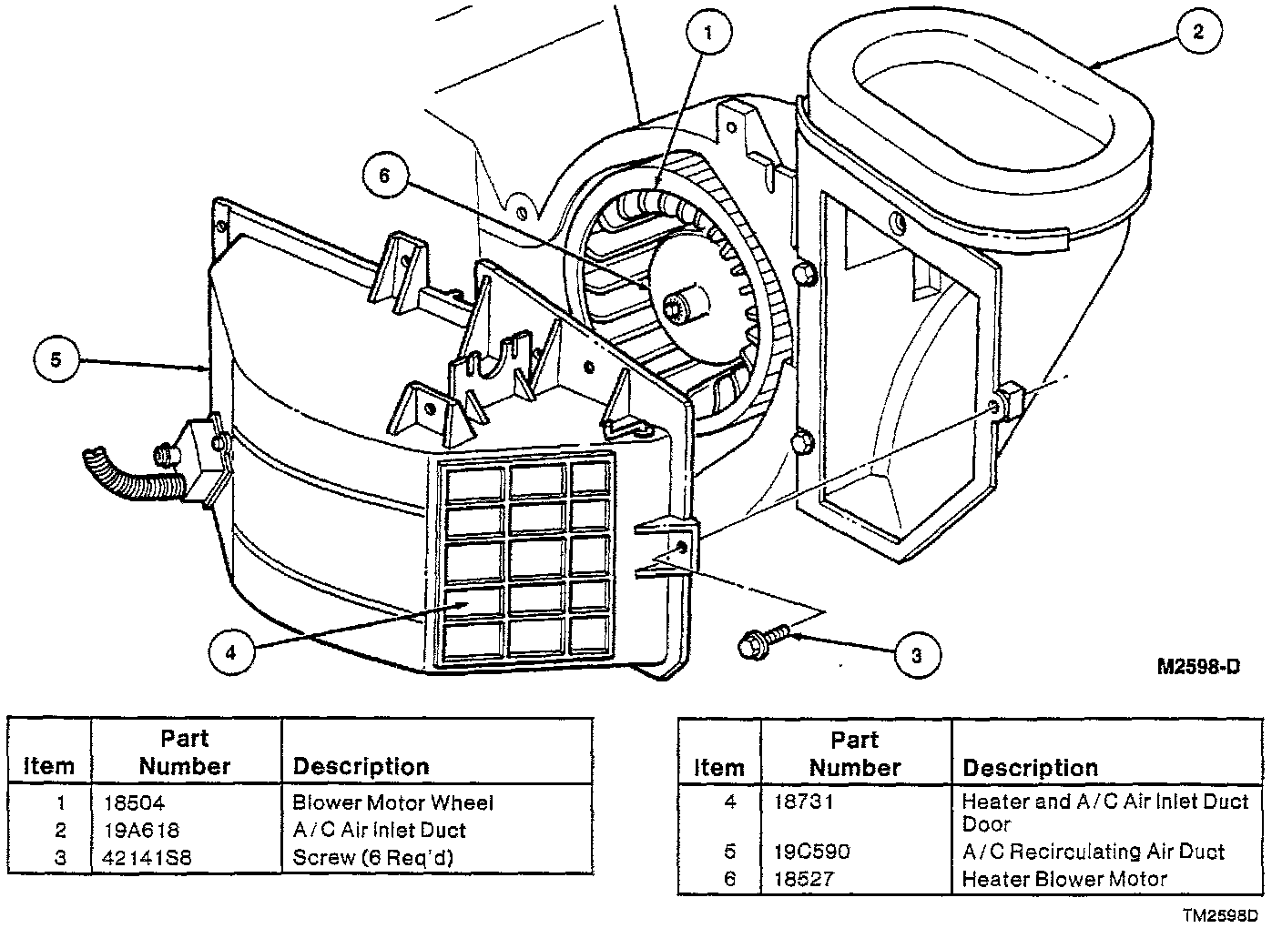
Recirculation Duct:






3. Remove the six screws retaining the recirculating duct and remove the A/C recirculating air duct from the A/C evaporator housing.

Fig 20 Air Inlet Duct Removal From Evaporator Case:






4. Remove the two screws from the A/C recirculating air duct and remove the A/C recirculating air duct from the A/C evaporator housing.

Heater And A/C Evaporator Housing Installation:






5. Remove the support bracket from the A/C evaporator housing.

Fig 28 Blower Speed Control Connector:






6. Remove the screws holding the electronic connector bracket to the A/C recirculating air duct. Disconnect the engine harness from the blower speed control connector. Release the three connectors from the bracket and remove the bracket. Disconnect the aspirator hose.

Electric Blend Door Actuator Attachment:






7. Remove the three screws to release the A/C electronic door actuator motor.

Heater And Evaporator Case Removal And Installation:






8. Remove the moulded seals from the A/C evaporator core tubes.

Drilling Holes In Evaporator Case Tabs:






9. Drill a 4.75 mm (3/16 inch) hole in both of the upright tabs on top of the A/C evaporator housing.

Fig 22 Evaporator Case Cutting:






10. Using a hot knife or a small saw blade, cut the top of the A/C evaporator housing between the raised outline.

Fig 23 Evaporator Core Removal From Case:






11. Fold the cutout cover back from the opening and lift the A/C evaporator core from the A/C evaporator housing.

INSTALLATION
1. Transfer the two foam core seals to the new A/C evaporator core.
2. Position the A/C evaporator core in the A/C evaporator housing and close the cutout cover.

Fig 24 Cutout Cover Securing In Closed Position:






3. Install a spring nut on each of the two upright tabs with the two holes drilled in the front flange. Ensure the hole in the spring nut is aligned with the 4.75 mm (3/16 inch) holes drilled in the tab and the flange. Install and tighten the screw in each spring nut (through the hole in the tab or the flange) to secure the cutout cover in the closed position.

Fig 25 Caulking Cord Installation:






4. Install Caulking Cord D6AZ-19560-A (ESB-M4G32-A) or equivalent to seal the A/C evaporator housing against leakage along the cut line.
5. Install the air inlet duct to the A/C evaporator housing and tighten the two screws.
6. Install the recirculating duct to the A/C evaporator housing and tighten the six screws.
7. Install the electrical connector bracket to the recirculating duct with one screw.
8. Install the blower motor speed controller connector to the bracket.
9. Attach the A/C electronic door actuator motor to the A/C evaporator housing and tighten the three screws. Install the electrical connector to the bracket. Attach the temperature control lockout valve and switch by snapping the spring clip in place on the outermost heater core tube.
10. Install the vacuum harness to the A/C evaporator housing.
11. Install the foam seals over the evaporator tubes.
12. Assemble the support bracket to the A/C evaporator housing.
13. Install the A/C evaporator housing assembly, please refer to Heating and Air Conditioning/Evaporator Case/Service and Repair/ Service and Repair