Blower Override Switch: Service and Repair
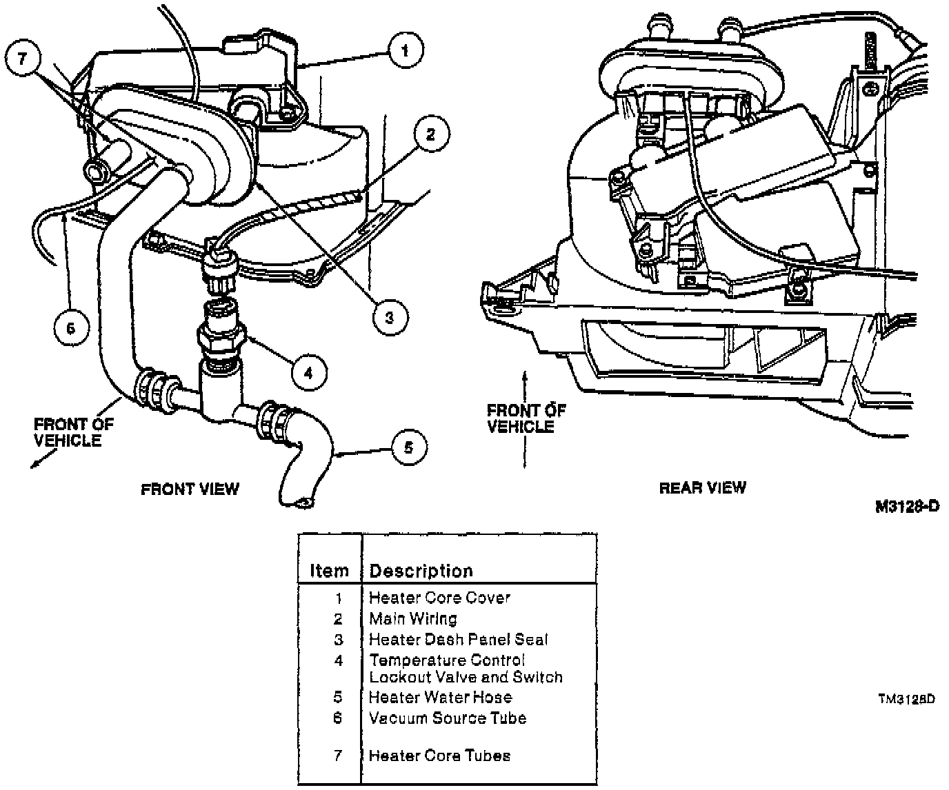
REMOVAL AND INSTALLATIONNOTE: The temperature control lockout valve and switch screws into a fitting in the heater water hose in the engine compartment.
Temperature Control Lockout Valve And Switch Removal And Installation:
1. To replace the temperature control lockout valve and switch, disconnect the two wire connectors from the receptacle on the temperature control lockout valve and switch.
2. Partially drain the coolant from the radiator.
3. Unscrew the temperature control lockout valve and switch body from the fitting in the heater water hose.
4. Apply Pipe Sealant with Teflon D8AZ-19554-A or equivalent meeting Ford specification WSK-M2G350-A2 to the threads in the replacement temperature control lockout valve and switch and install it in the fitting. Tighten the switch to 19 Nm (14 ft lb).
5. Attach the electrical connector to the top of the temperature control lockout valve and switch.
7. Refill the radiator with the specified coolant.