Curiosii for ever!
: Car repair manuals for everyone.
Home
>>
Mercury
>>
1994
>>
Cougar/XR7 V8-281 4.6L SOHC
>>
Repair and Diagnosis
>>
Powertrain Management
>>
Computers and Control Systems
>>
Integrated Control Relay Module
>>
Diagrams
>>
Electrical Diagrams
Electrical Diagrams
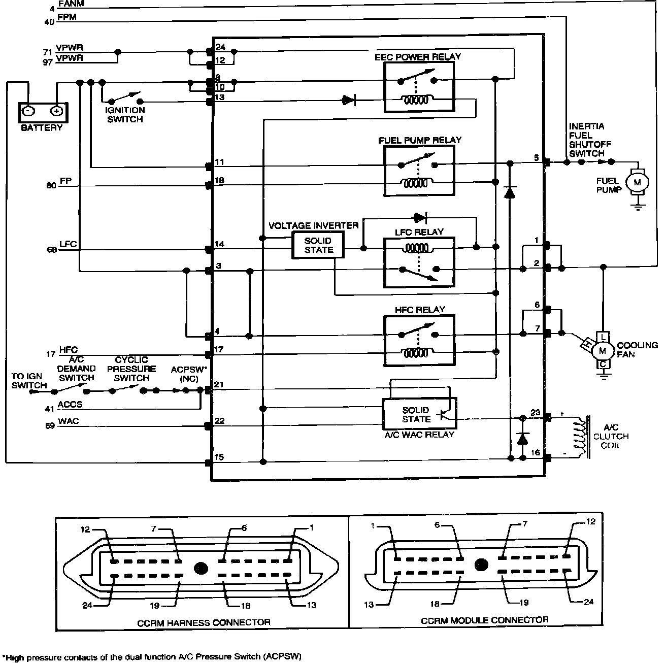
Constant Control Relay Module Schematic:
Constant Control Relay Module Pin Usage: