Curiosii for ever!
: Car repair manuals for everyone.
Home
>>
Mercury
>>
1993
>>
Topaz V6-182 3.0L
>>
Repair and Diagnosis
>>
Powertrain Management
>>
Emission Control Systems
>>
Catalytic Converter
>>
Locations
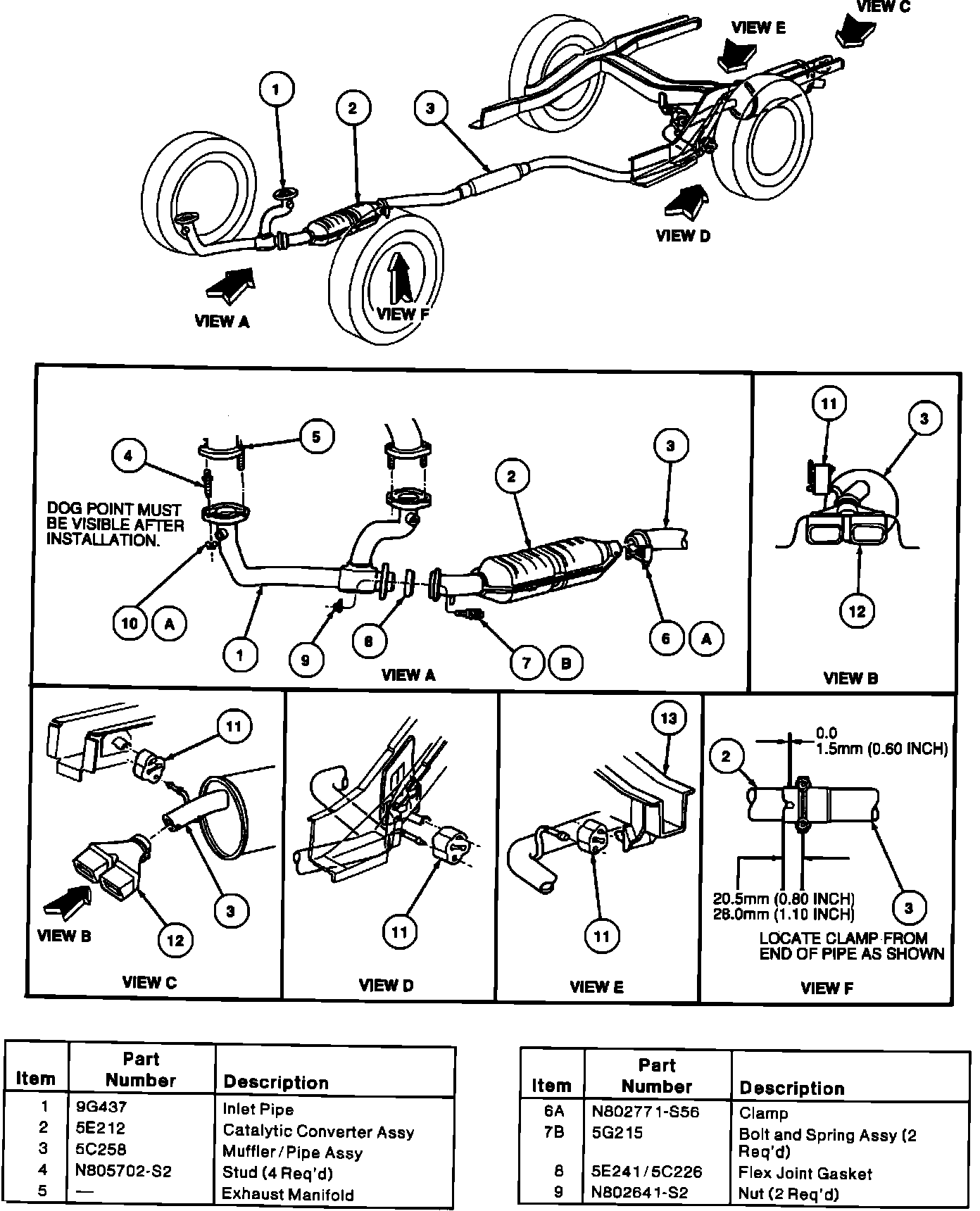
Catalytic Converter: Locations
Exhaust System: