With Automatic Temperature Control
INSTALLATION1. Transfer the seal to new heater core.
2. Install the heater core and secure it into the A/C evaporator housing.
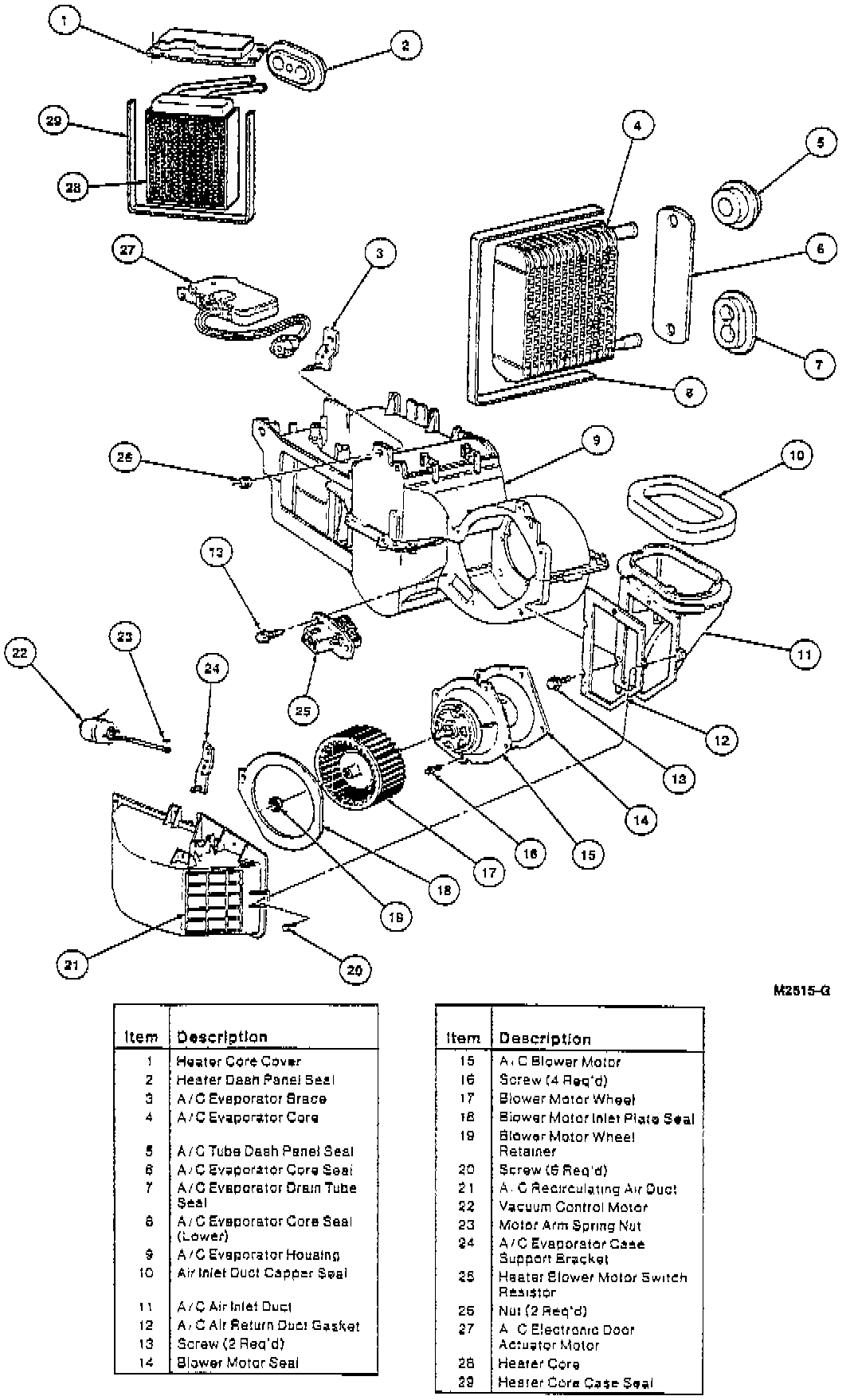
Heater Core Cover Removal And Installation:
3. Position the heater core cover on the A/C evaporator housing and install the four retaining screws.
A/C Electronic Door Actuator Motor:
4. Position the A/C electronic door actuator motor to the blend door shaft. Install the A/C electronic door actuator motor to the A/C evaporator housing.
Heater And Evaporator Case Removal And Installation:
5. Install the seal on the heater core tubes.
Fig 26 Vacuum Line Removal From Heater Core Seal:
6. Install the vacuum source line through the heater dash panel seal.
7. Install the A/C evaporator housing assembly into the vehicle, please refer to Heating and Air Conditioning/Evaporator Case/Service and Repair/ Service and Repair
8. Install the instrument panel, refer to Body and Frame/Interior Trim/ Dash Board/Service and Repair/ Service and Repair