Curiosii for ever!
: Car repair manuals for everyone.
Home
>>
Mercury
>>
1992
>>
Tracer L4-116 1.9L SOHC
>>
Repair and Diagnosis
>>
Powertrain Management
>>
Ignition System
>>
Ignition Cable
>>
Locations
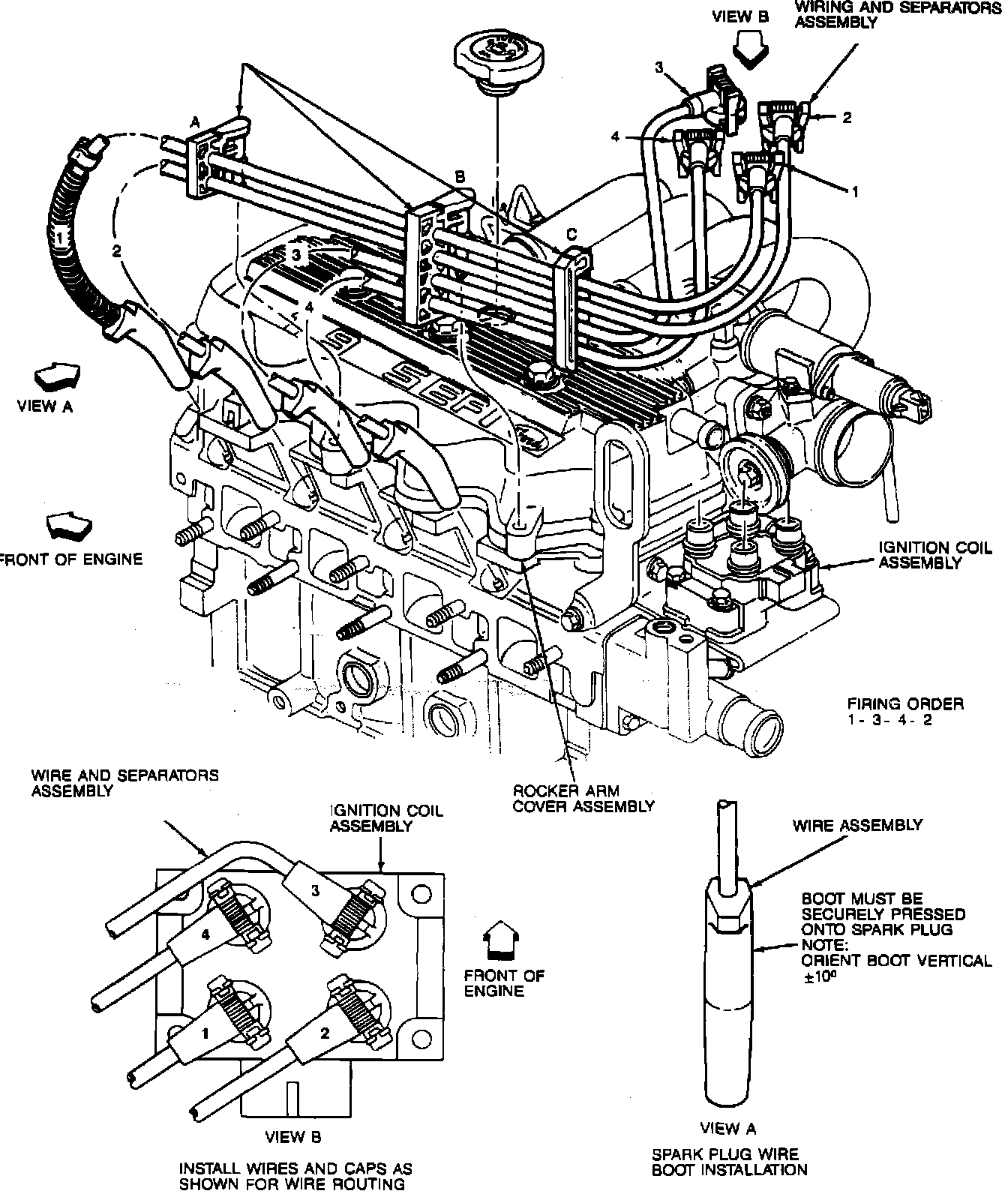
Ignition Cable: Locations
Component Location: