Curiosii for ever!: Car repair manuals for everyone.

Air Duct: Service and Repair

REMOVAL
1. Open the glove compartment door and release the retainers, lower the door.

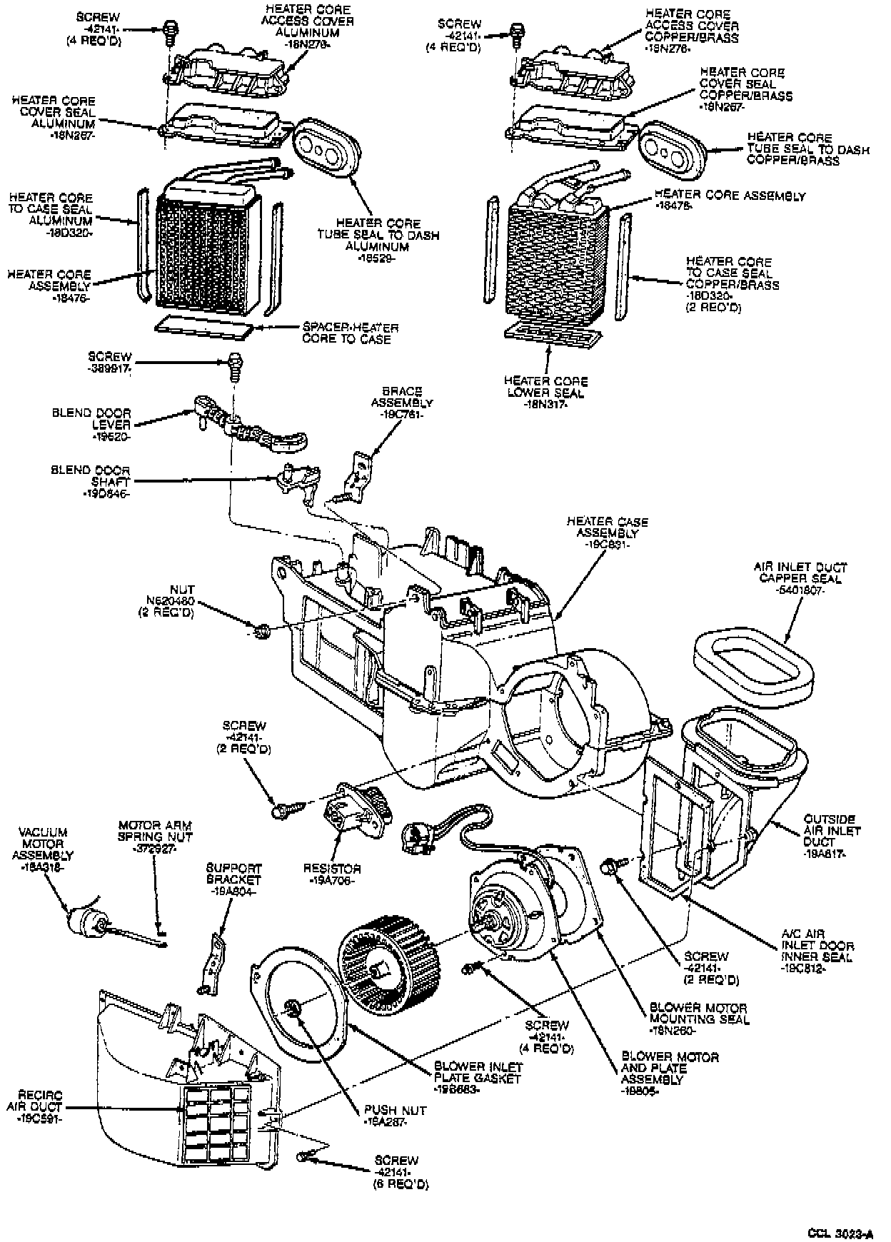
Heater Case Assembly:






2. Remove the screw attaching the recirculating duct support bracket to the cowl.
3. Remove the vacuum connection to the recirculating door vacuum motor.

Recirculating Duct Assembly:






4. Remove the six screws attaching the recirculating duct to the heater assembly.
5. Remove the recirculating duct from the heater assembly, lowering the recirculating duct from between the instrument panel and the heater case.

INSTALLATION
1. Install the recirculating duct to the heater case, lifting the recirculating duct between the instrument panel and the heater case.
2. Install the six screws retaining the recirculating duct to the heater case.
3. Install the vacuum connector to the recirculating door vacuum motor.
4. Install the screw attaching the support bracket to the cowl.
5. Close the glove compartment.