Curiosii for ever!
: Car repair manuals for everyone.
Home
>>
Mercury
>>
1991
>>
Tracer L4-110 1.8L DOHC
>>
Repair and Diagnosis
>>
Powertrain Management
>>
Computers and Control Systems
>>
Engine Control Module
>>
Diagrams
>>
Diagram Information and Instructions
>>
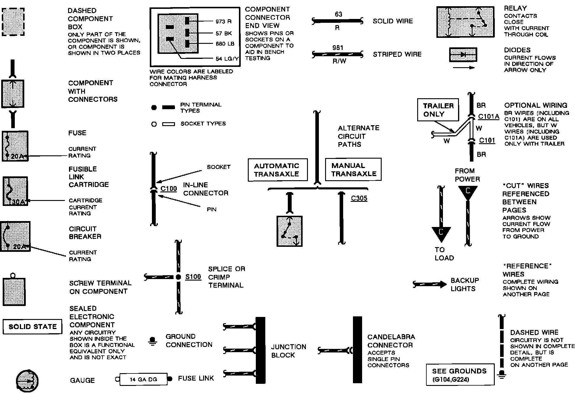
Symbol Identification
Symbol Identification
Symbol Identification:
Vacuum And Vapor Hose Schematic Symbols:
Vacuum And Vapor Hose Schematic Symbols:
Symbol Identification:
Symbol Identification:
Electrical Symbols:
Electrical Symbols: