Curiosii for ever!
: Car repair manuals for everyone.
Home
>>
Mercury
>>
1991
>>
Tracer L4-110 1.8L DOHC
>>
Repair and Diagnosis
>>
Power and Ground Distribution
>>
Fuse Block
>>
Locations
>>
Fuse Panel
>>
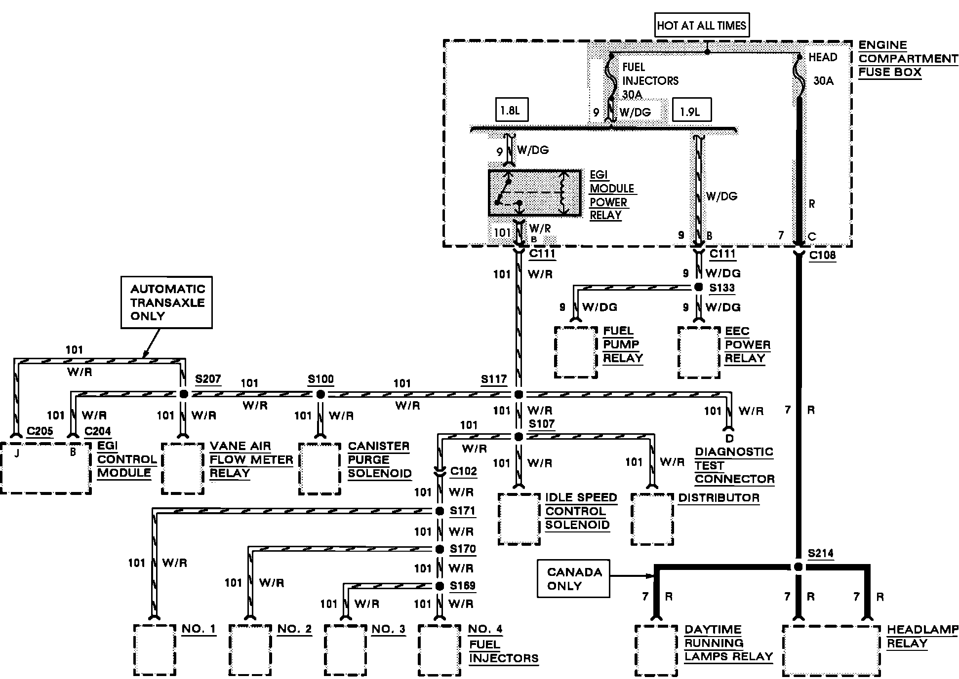
Main Fuse Panel
Main Fuse Panel
Power Distribution: