Curiosii for ever!
: Car repair manuals for everyone.
Home
>>
Mercury
>>
1991
>>
Sable V6-182 3.0L
>>
Repair and Diagnosis
>>
Diagrams
>>
Exploded Views
>>
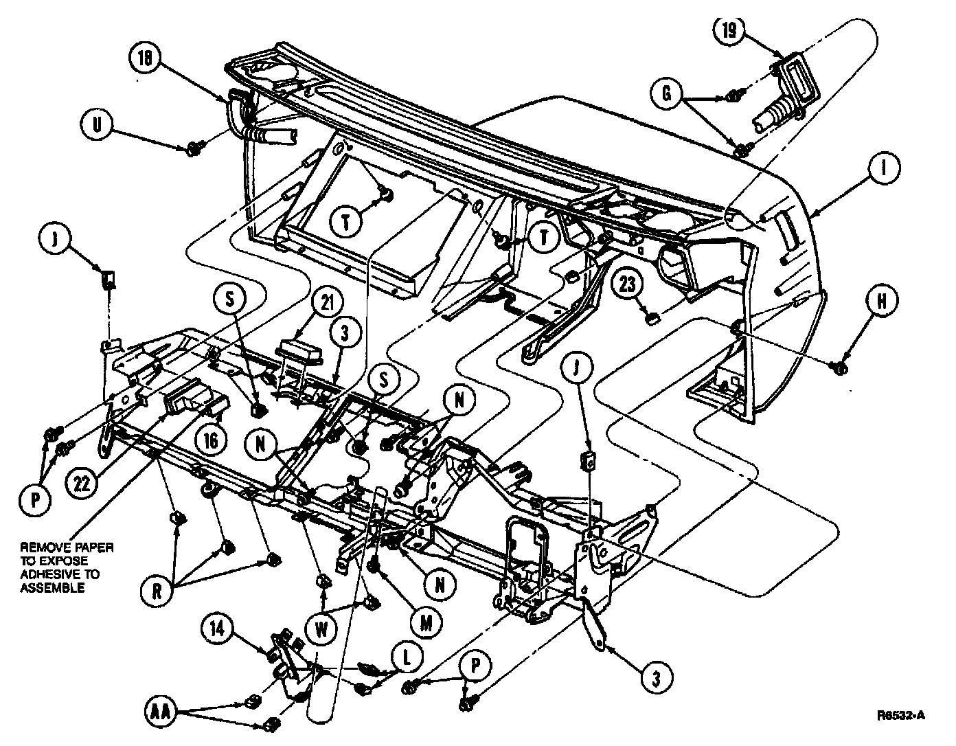
Dashboard / Instrument Panel
Dashboard / Instrument Panel
Front
Rear
Exploded and Harness View Index