Curiosii for ever!: Car repair manuals for everyone.

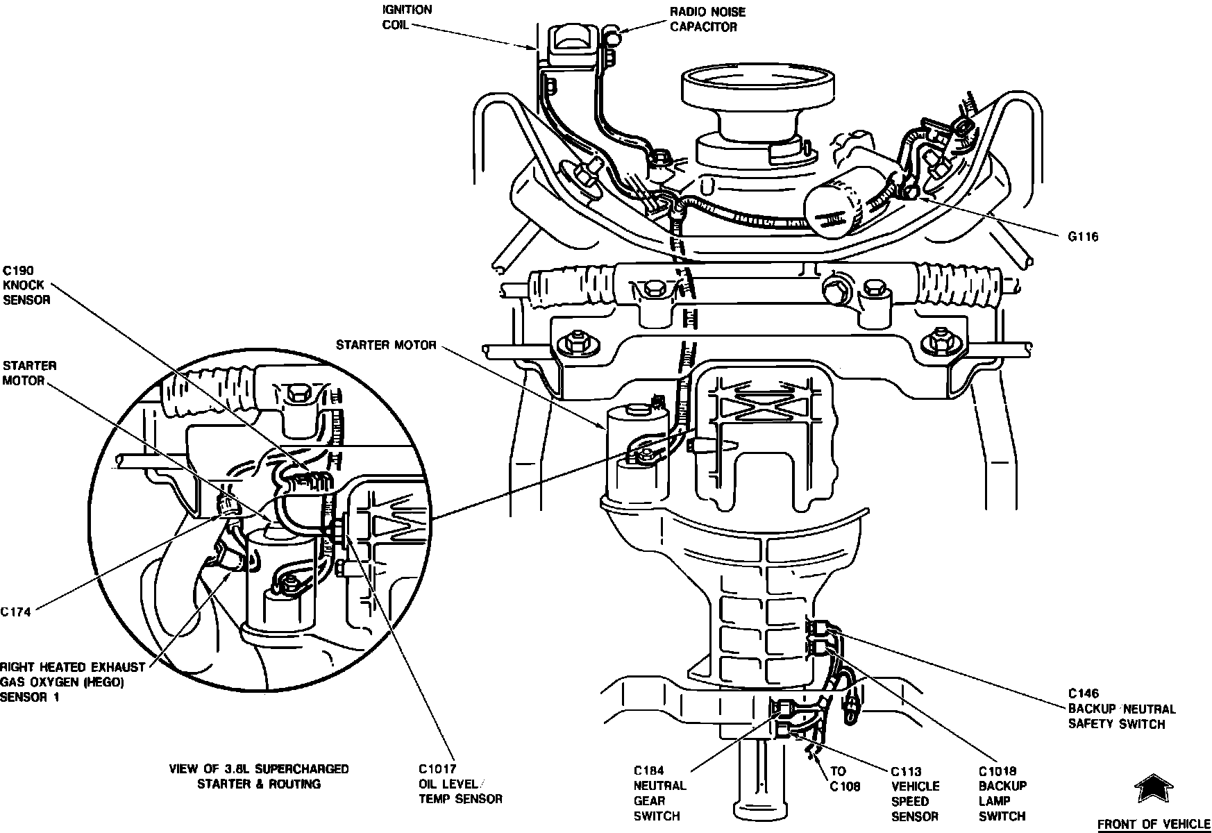
Under Vehicle View

Underside Of Engine/Transmission:






BACKUP LIGHT SWITCH
BACKUP/NEUTRAL SAFETY SWITCH
IGNITION COIL
KNOCK SENSOR (3.8 SC)
NEUTRAL GEAR SWITCH
OIL LEVEL/TEMPERATURE SENSOR (3.8 SC)
RADIO NOISE CAPACITOR
RIGHT HAND HEGO (3.8 SC)
STARTER MOTOR
VEHICLE SPEED SENSOR