Curiosii for ever!: Car repair manuals for everyone.

Control Assembly: Service and Repair

Fig. 10 Control panel removal:






1. Disconnect battery ground cable.
2. Position removal tool T87P-19061-A or equivalent into retaining clip access holes, Fig. 10, then disengage clips by applying pressure away from control panel.

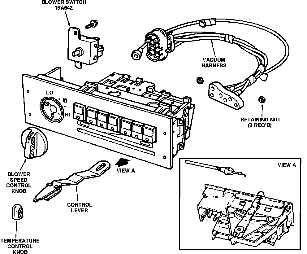
Fig. 11 Control panel assembly:





3. Pull control assembly away from I/P, then disconnect electrical connectors, vacuum harness and temperature control cable from the assembly, Fig. 11.
4. Remove control assembly from I/P.
5. Reverse procedure to install.