Curiosii for ever!
: Car repair manuals for everyone.
Home
>>
Mercury
>>
1989
>>
Tracer L4-1589cc 1.6L SOHC
>>
Repair and Diagnosis
>>
Powertrain Management
>>
Ignition System
>>
Spark Plug
>>
Locations
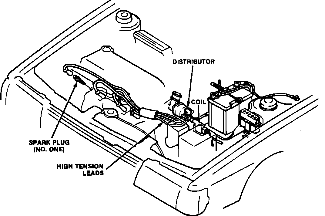
Spark Plug: Locations
Component Locations: