Curiosii for ever!: Car repair manuals for everyone.

Engine Control Operating Strategy Electrical Schematic





1989 24-01-220
24-01-220 Engine Control Operating Strategy


1.6L EFI
Electrical Schematic Non-MIL




1989
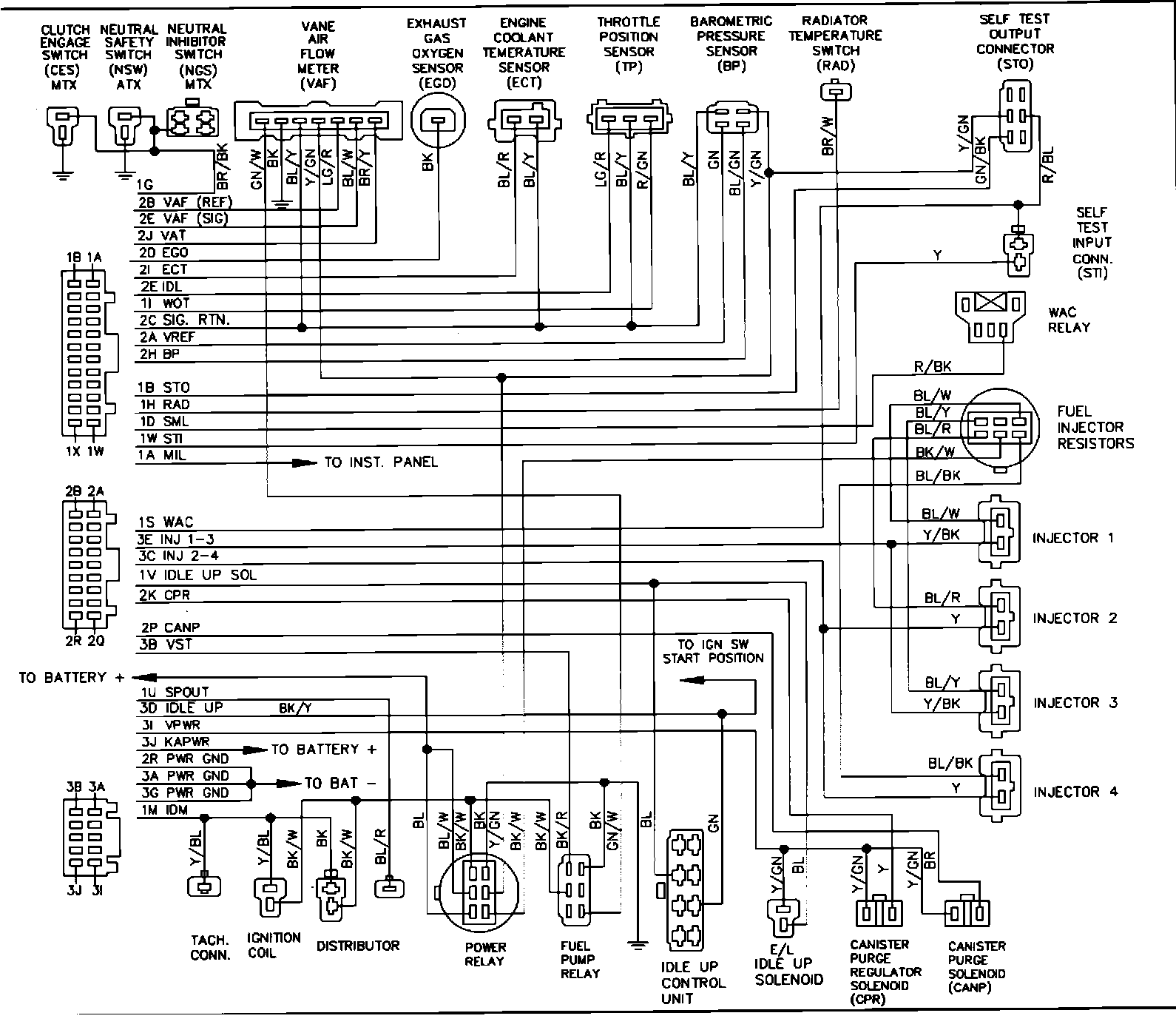
24-01-221 Engine Control Operating Strategy 24-01-221


1.6L EFI
Electrical Schematic Built After

11-2-87




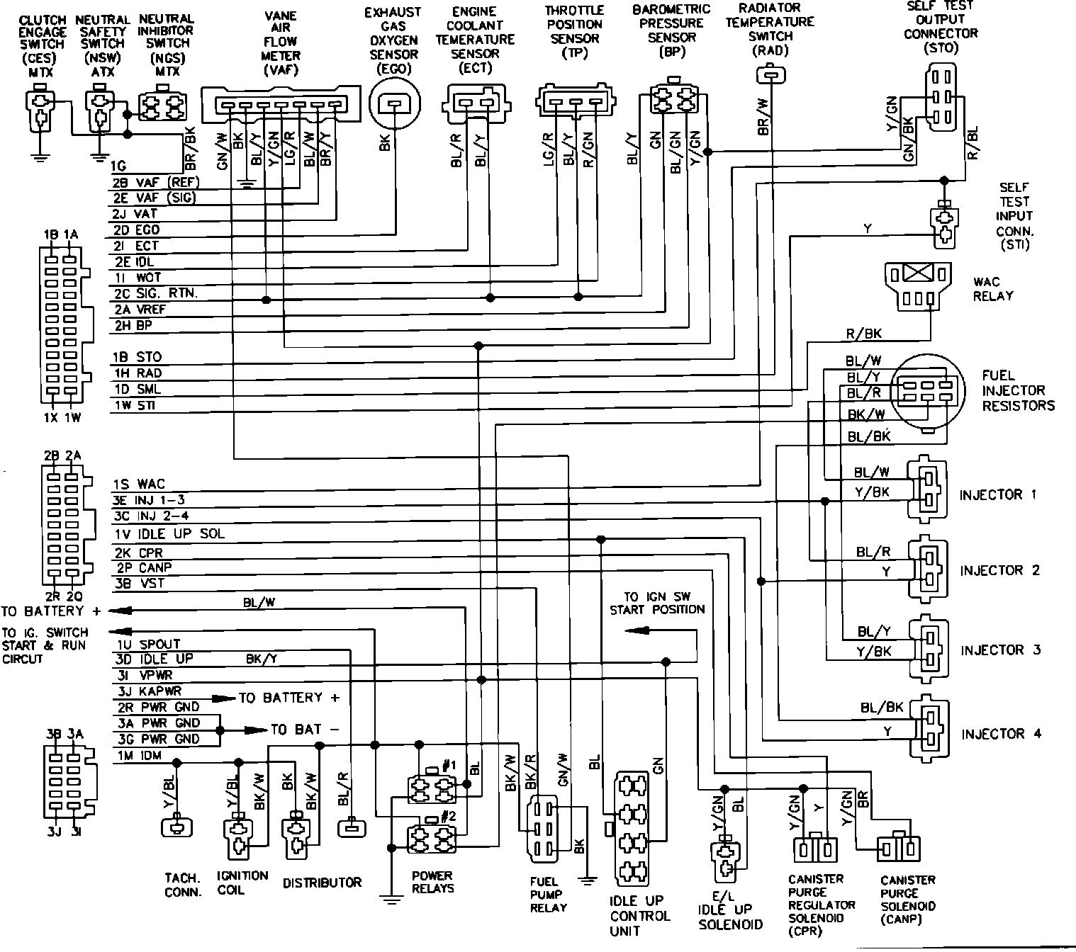
1989
24-01-222 Engine Control Operating Strategy 24-01-222


1.6L EFI

Electrical Schematic Built Prior
To 11-2-87