Curiosii for ever!
: Car repair manuals for everyone.
Home
>>
Mercury
>>
1989
>>
Sable V6-232 3.8L
>>
Repair and Diagnosis
>>
Powertrain Management
>>
Ignition System
>>
Ignition Ballast Resistor
>>
Locations
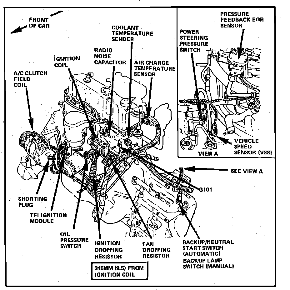
Ignition Ballast Resistor: Locations
LH Side Of Engine Compartment.:
LH Front Of Engine
Applicable to: 4-153/2.5L