Curiosii for ever!
: Car repair manuals for everyone.
Home
>>
Mercury
>>
1989
>>
Sable V6-232 3.8L
>>
Repair and Diagnosis
>>
Powertrain Management
>>
Computers and Control Systems
>>
Testing and Inspection
>>
Pinpoint Tests
>>
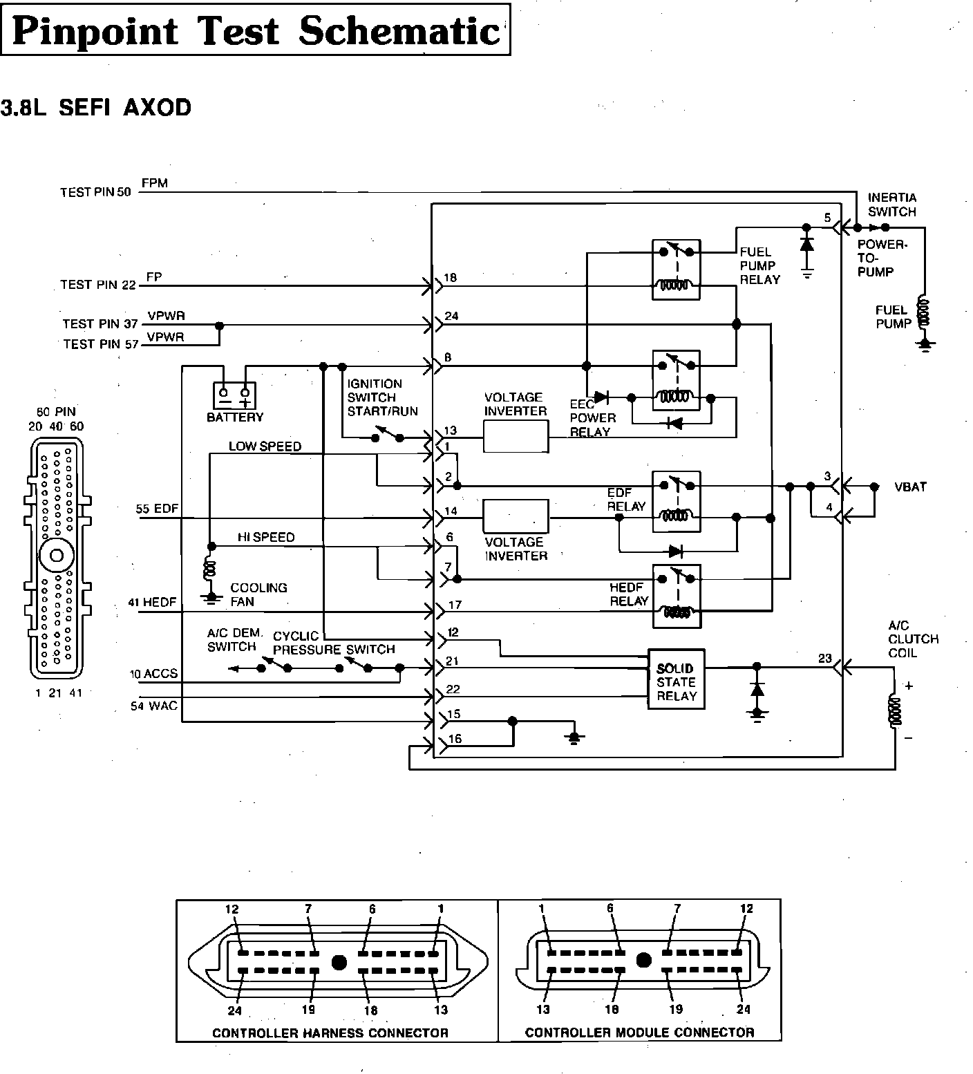
X - Integrated Relay Control Module
>>
X - Wiring Diagram
X - Wiring Diagram
Pinpoint Test X - Integrated Controller: