Curiosii for ever!
: Car repair manuals for everyone.
Home
>>
Mercury
>>
1989
>>
Sable V6-232 3.8L
>>
Repair and Diagnosis
>>
Power and Ground Distribution
>>
Diagrams
>>
Electrical Diagrams
>>
Power Distribution
>>
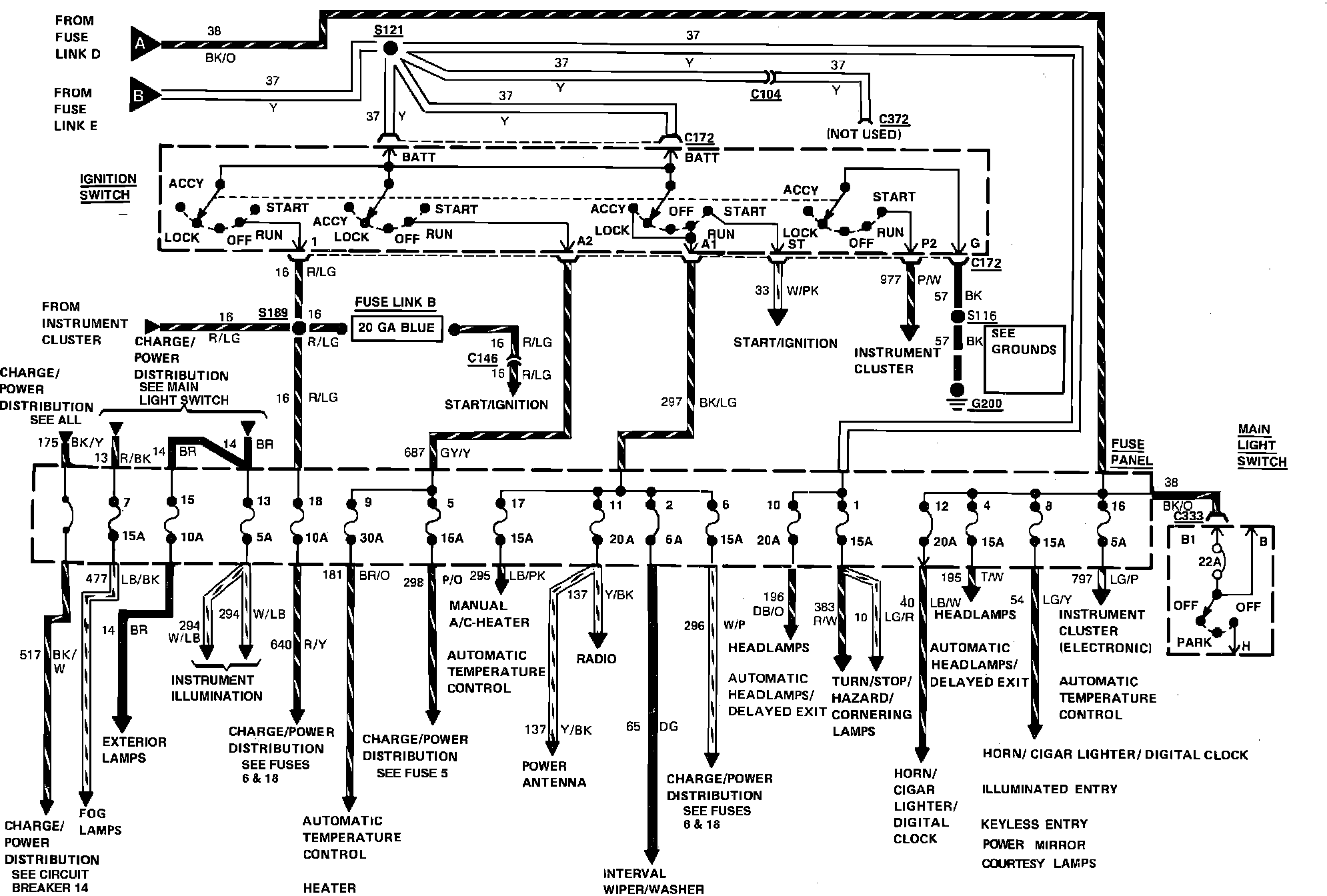
Main Fuse Panel
>>
Less Heated Windshield
Less Heated Windshield
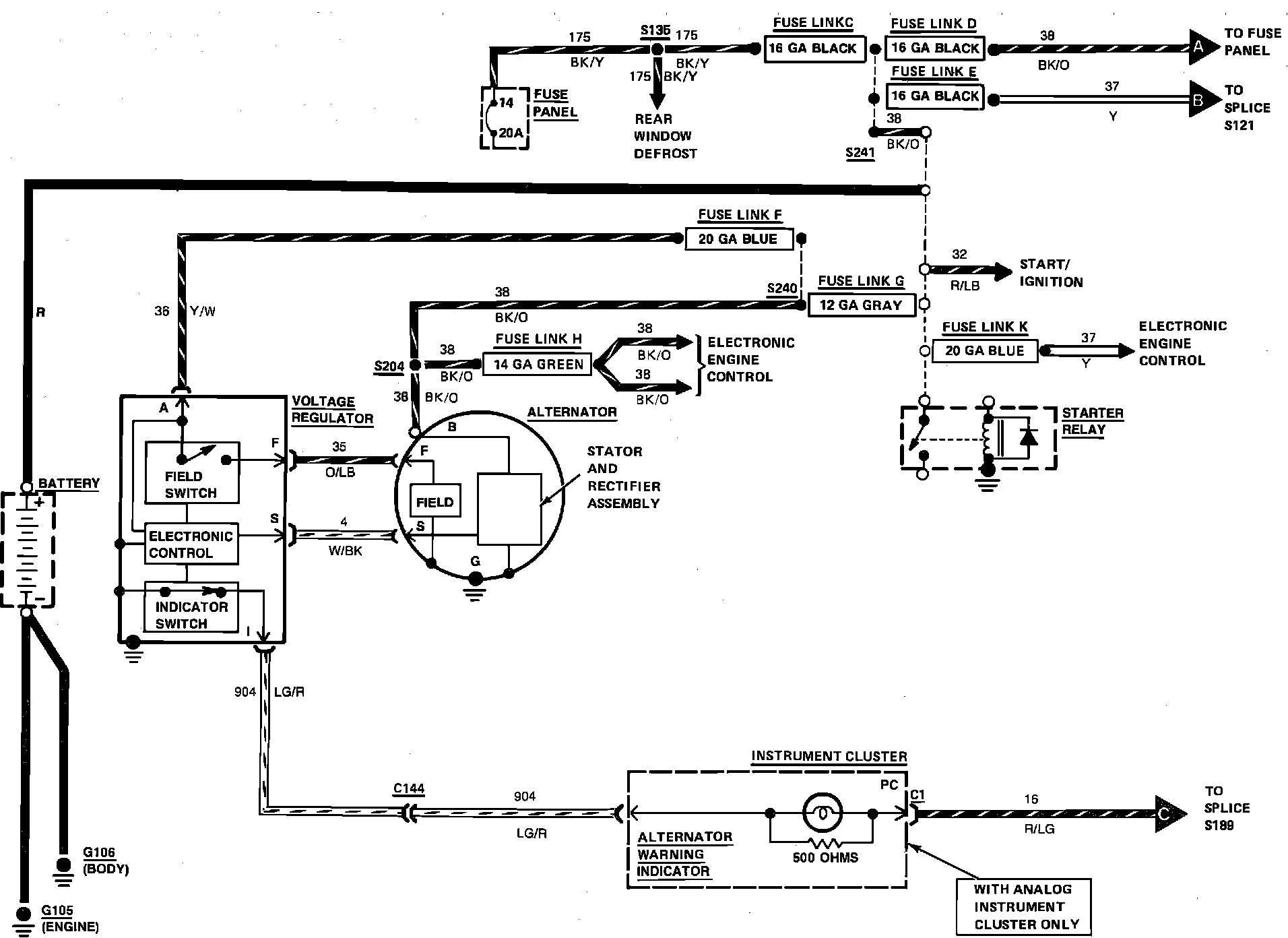
Charge & Power Distribution:
Charge & Power Distribution Wiring Circuit: