Curiosii for ever!: Car repair manuals for everyone.

With Manual Temperature Control A/C

Removal

Fig 8 Suction Accumulator/Drier Dome Type:






Note:
Whenever an evaporator core is replaced, it will be necessary to replace the suction accumulator/drier.

WARNING: If an evaporator leak is suspected, the core must be leak tested before it is removed from the vehicle.

1. Remove evaporator case. Service and Repair
2. Disconnect and remove vacuum harness from vacuum motor.

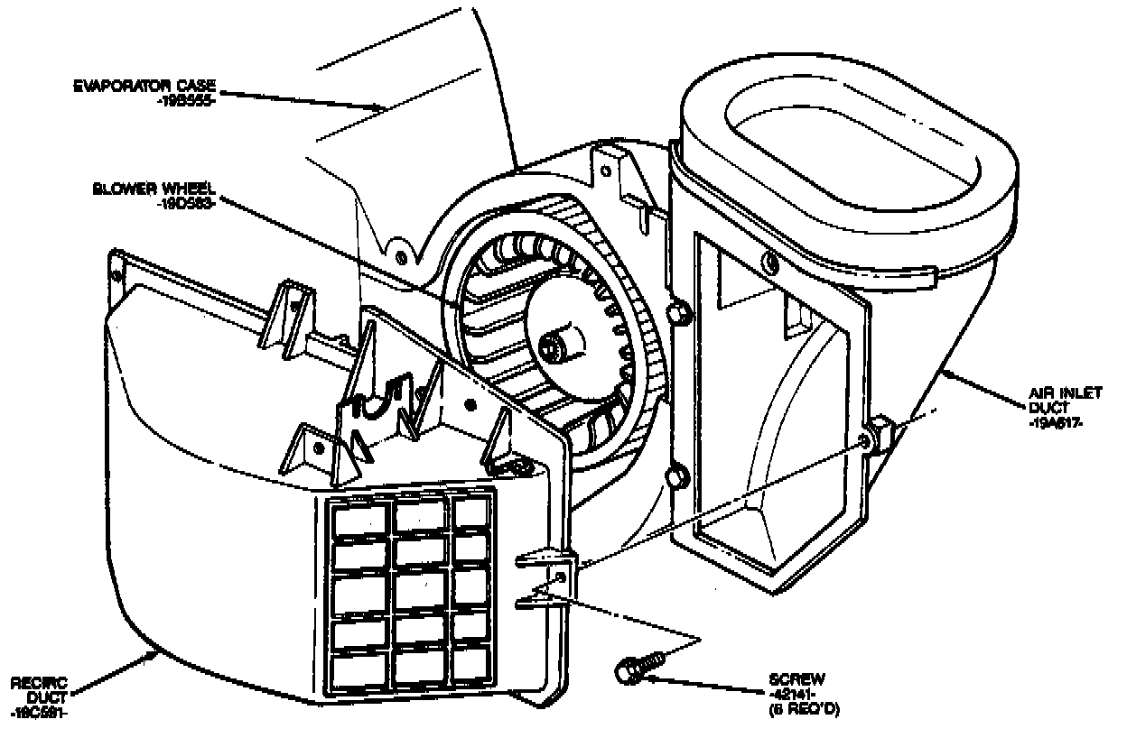
Fig 19 Recirc Duct Removal From Evaporator Case:






3. Remove six recirc duct screws from evaporator (Fig. 19).
Remove duct.

Fig 20 Air Inlet Duct Removal From Evaporator Case:






4. Remove air inlet duct (two screws) from evaporator case (Fig. 20).

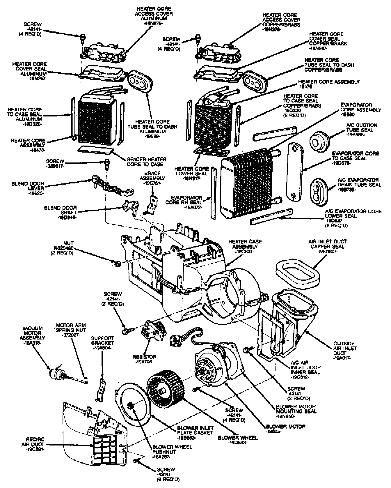
Fig 18 Heater And Evaporator Exploded View:






5. Remove support bracket from evaporator case (Fig. 18).
6. Remove moulded seals from evaporator core tubes (Fig. 18).

Fig 21 Drilling Holes In Evaporator Case Tabs:






7. Drill a 3/16-inch hole in each of two upright tabs on top of evaporator case (Fig. 21).

Fig 22 Evaporator Case Cutting:






8. Using a hot knife or small saw blade, cut top of evaporator case between raised outlines (Fig. 22).

Fig 23 Evaporator Core Removal From Case:






9. Fold cutout cover back from opening and lift evaporator core from case (Fig. 23).

Installation
1. Transfer two foam core seals to new evaporator core.
2. Position evaporator core in case and close cutout cover.

Fig 24 Cutout Cover Securing In Closed Position:






3. Install spring nut on each of two upright tabs and adjacent holes drilled in front flange.
Ensure hole in spring nut is aligned with 3/16-inch holes drilled in tab and flange.
Install and tighten screw in each spring nut (through hole in tab or flange) securing cutout cover in closed position (Fig. 24).

Fig 25 Caulking Cord Installation:






4. Install caulking cord (rope sealer) D9AZ-19560-A, or equivalent, to seal evaporator case against leakage along cut line (Fig. 25).
5. Assemble support bracket to evaporator case.
6. Install air inlet duct on evaporator case (two screws).
7. Install recirc duct on evaporator case (six screws).
8. Install vacuum harness on evaporator case.
9. Install foam seals over evaporator tubes.
10. Install evaporator case assembly.