Curiosii for ever!: Car repair manuals for everyone.

With Automatic Temperature Control A/C

Removal

Fig 46 Suction Accumulator Drier:






Note:
Whenever an evaporator core is replaced, it will be necessary to replace the suction accumulator drier.

WARNING: If an evaporator leak is suspected, the core must be leak tested before it is removed from the vehicle.

1. Remove evaporator case. Service and Repair
2. Disconnect and remove vacuum harness.

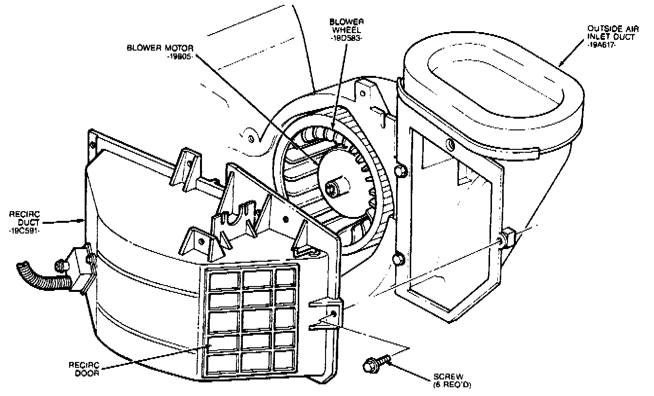
Fig 26 Recirc Duct Removal From Evaporator Case:






3. Remove six screws attaching recirc duct and remove duct from evaporator case (Fig. 26).

Fig 20 Air Inlet Duct Removal From Evaporator Case:






4. Remove two screws from air inlet duct and remove duct from evaporator case (Fig. 27).

Fig 25 Heater And A/C Evaporator Installation:





5. Remove support bracket from evaporator case (Fig. 25, View A).

Fig 28 Blower Speed Control Connector:






6. Remove screws holding electronic connector bracket to recirc duct.
Disconnect engine harness 14401 from blower speed control connector (Fig. 28).
Release three connectors from bracket and remove bracket.
Disconnect aspirator hose.
7. Remove blend door actuator (three screws).
8. Remove moulded seals from evaporator core tubes (Fig. 25).

Fig 30 Drilling Holes In Evap Case Tabs:






9. Drill a 4.75mm (3/16-inch) hole in both upright taps on top of evaporator case (Fig. 30).

Fig. 14 Cutting Evaporator Case. Continental And Mark VII:






10. Using a hot knife or small saw blade, cut top of evaporator case between raised outline (Fig. 31).

Fig. 15 Removing Evaporator Case From Core. Continental And Mark VII:






11. Fold cutout cover back from opening and lift evaporator core from case (Fig. 32).

Installation
1. Transfer two foam core seals to new evaporator core.
2. Position evaporator core in case and close cutout cover.

Fig 33 Cutout Cover Secured In Closed Position:






3. Install a spring nut on each of two upright tabs with two holes drilled in front flange.
Ensure hole in spring nut is aligned with 4.75mm (3/16-inch) holes drilled in tab and flange.
Install and tighten screw in each spring nut (through hole in tab or flange) to secure cutout cover in closed position (Fig. 33).

Fig 34 Caulking Cord Installation:






4. Install Caulking Cord D9AZ-19560-A or equivalent to seal evaporator case against leakage along cut line (Fig. 34).
5. Install air inlet duct to evaporator case and tighten two screws.
6. Install recirc duct to evaporator case and tighten six screws.
7. Install electrical connector bracket to recirc duct with one screw.
8. Install speed controller connector to bracket.
9. Attach blend door actuator to evaporator case and tighten three screws.
Install electrical connector to bracket.
Attach cold engine lock out switch by snapping spring clip in place on outermost heater core tube.
10. Install vacuum harness to evaporator case.
11. Install foam seals over evaporator tubes.
12. Assemble support bracket to evaporator case.
13. Install evaporator case assembly.