Curiosii for ever!
: Car repair manuals for everyone.
Home
>>
Mercury
>>
1989
>>
Cougar/XR7 V6-232 3.8L SC
>>
Repair and Diagnosis
>>
Powertrain Management
>>
Computers and Control Systems
>>
Relays and Modules - Computers and Control Systems
>>
Integrated Control Relay Module
>>
Diagrams
>>
Electrical Diagrams
Electrical Diagrams
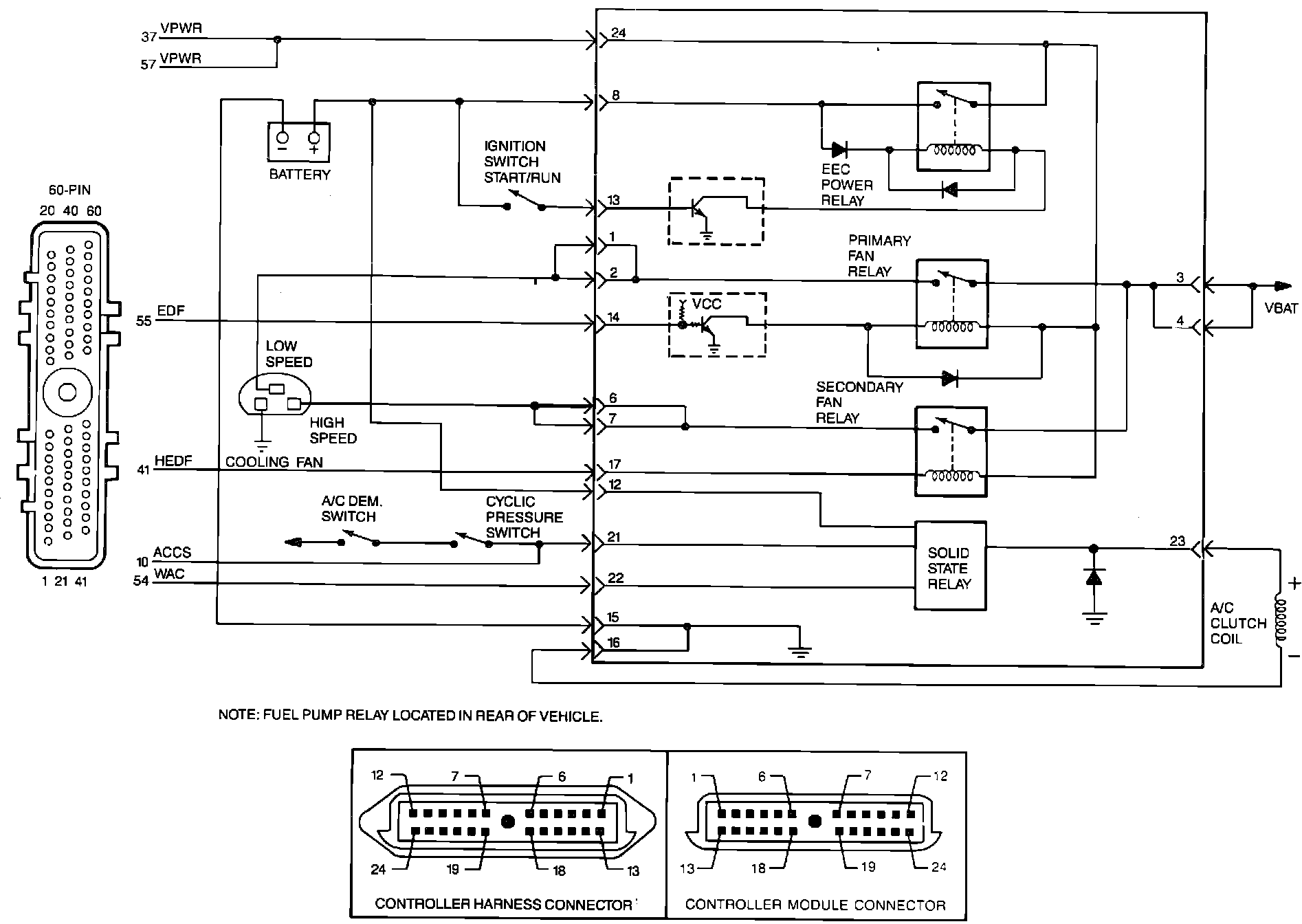
Integrated Controller Pin Usage: