Curiosii for ever!: Car repair manuals for everyone.

With Manual A/C


*** UPDATED BY TSB #87194 DATED SEPTEMBER 1987

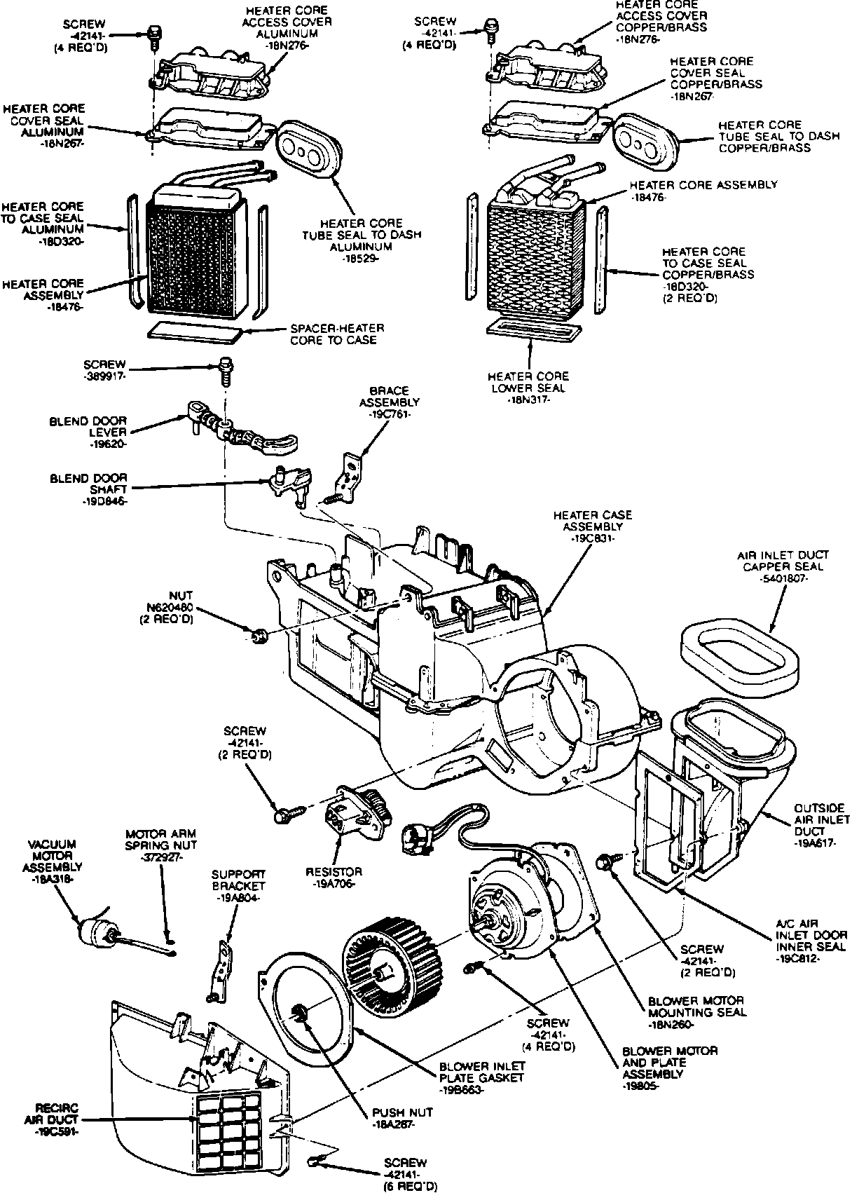
NOTE: Two (2) types of heater cores were used on this vehicle. An aluminum or a brass/copper core was installed during assembly. All replacement heater cores are brass/copper. If the original core was aluminum then a new core seal is required to ensure proper heater operation. The original seal may be reused on brass/copper cores if it is not damaged.
Aluminum cores have a yellow or aluminum alloy coating on their tubes. Copper/brass cores will have brass colored tubes.

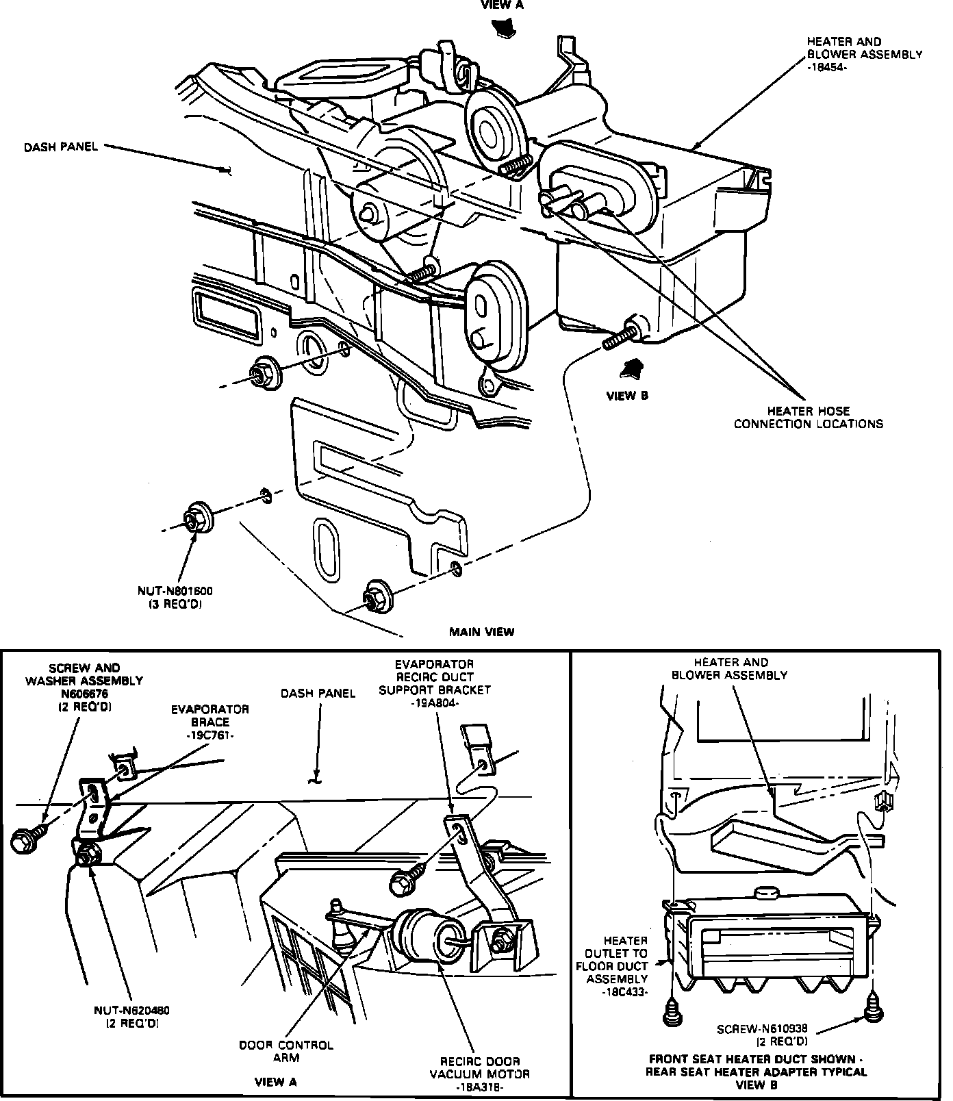
Instrument Panel:




Heater Case Assembly - Disassembled View:





1. Disconnect battery ground cable.
2. Drain cooling system into suitable container.
3. Disconnect vacuum supply hose from in-line check valve located in engine compartment.

LOWER STEERING COLUMN

Instrument Panel - Disassembled View:





4. Remove the ignition lock assembly.
a. Turn the key to the ON position.
b. Insert a 1/8" (3.17mm) pin or punch into the hole in the trim below the ignition cylinder.
c. Push in on the pin while pulling the lock cylinder out.
d. To reinstall, reverse procedure confirming the cylinder is FULLY seated prior to turning the key to the OFF position.
5. Remove steering column opening cover attaching screws, then the cover.
6. Remove round insulator in cowl area.
7. Remove steering column trim shrouds, then disconnect steering column switches electrical connectors.
8. Remove one (1) bolt and nut at lock pillar U-joint and four (4) screws at steering column bracket and lower column.

REMOVE INSTRUMENT PANEL ASSEMBLY

Radio Finish Panels:





9. Remove five (5) cluster opening trim screws.
10. Remove cluster opening trim by disengaging five (5) hidden retainers along the upper edge. Free panel by rocking upper edge toward driver. The panel can be removed without disassembling cluster from panel.
11. Pivot glove compartment assembly by depressing side of glove compartment tray.
12. Using glove compartment and steering column openings for access, disconnect electrical connections, vacuum hoses, heater and A/C (if equipped) control cables and radio antenna cable.
13. Remove two lower instrument panel-to-cowl side retaining screws both both sides of instrument panel.
14. Disconnect under hood connectors from main wiring harness. Disengage main harness rubber grommet from dash panel, then feed wiring harness and its connector halves into instrument panel area.
15. Remove one (1) bolt attaching instrument panel to floor brace above LH side of tunnel.
16. Remove two (2) lower instrument panel-to-cowl side retaining screws at both LH and RH side
17. Snap out left and right front speaker opening covers and defroster grill, then remove three upper instrument panel attaching screws.
18. Remove instrument panel and lay it on front seat.

REMOVE HEATER CASE

19. Remove instrument panel to heater case shake brace attaching screw, then the instrument panel shake brace.
20. Remove floor register or rear seat adapter to heater case attaching bolts, then the floor register.

Heater Case Assembly:





21. Remove three (3) heater case-to-dash panel attaching nuts located in engine compartment.
22. Remove two (2) screws attaching top brackets to cowl top panel, then carefully pull heater assembly from dash panel and remove from vehicle.
23. Remove vacuum source line from heater core tube seal, then remove heater core tube seal.

Fig. 29 Heater core removal:





24. Remove four (4) heater core access cover attaching screws, then the access cover.
25. Remove heater core and seals from heater case.
26. Reverse procedure to install.