Curiosii for ever!: Car repair manuals for everyone.

Idle Speed Control Schematics - Revision

90ford30 ENGINE/EMISSIONS DIAGNOSTIC SHOP MANUAL - 1987 - SECTION 17 - ELECTRICAL SCHEMATICS - IDLE SPEED CONTROL ACTUATOR CONNECTORS REVISED
Article No. 90-18B-9
FORD: 1987 ESCORT, TAURUS, TEMPO, THUNDERBIRD

LINCOLN-MERCURY: 1987 COUGAR, LYNX, TOPAZ
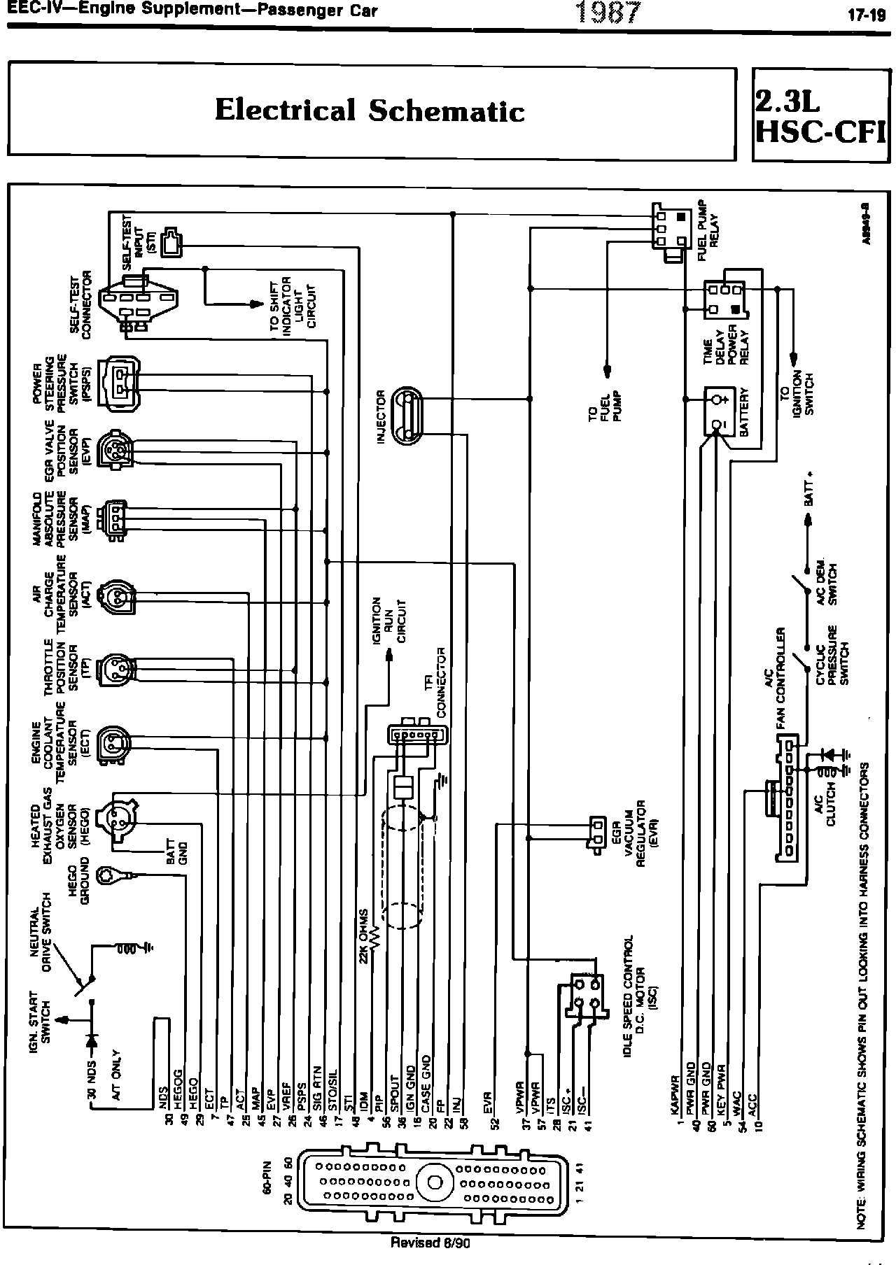
ISSUE: The Idle Speed Control Actuator (ISCA) connectors shown in the Electrical Schematics of the 1987 Engine/Emissions Diagnostic Shop Manual on pages 17-3, 17-19, 17-23, 17-27 and 17-38 are incorrect.

ACTION: Refer to the pages following this TSB article for the updated schematics.
OTHER APPLICABLE ARTICLES: None
WARRANTY STATUS: INFORMATION ONLY
OASIS CODES: 290000



Electrical Schematic 1.9L CFI




. EEC-IV Module Connector Pin Usage 1.9L CFI




Electrical Schematic 2.3L HSC-CFI




EEC-IV Module Connector Pin Usage, 2.3L HSC-CFI




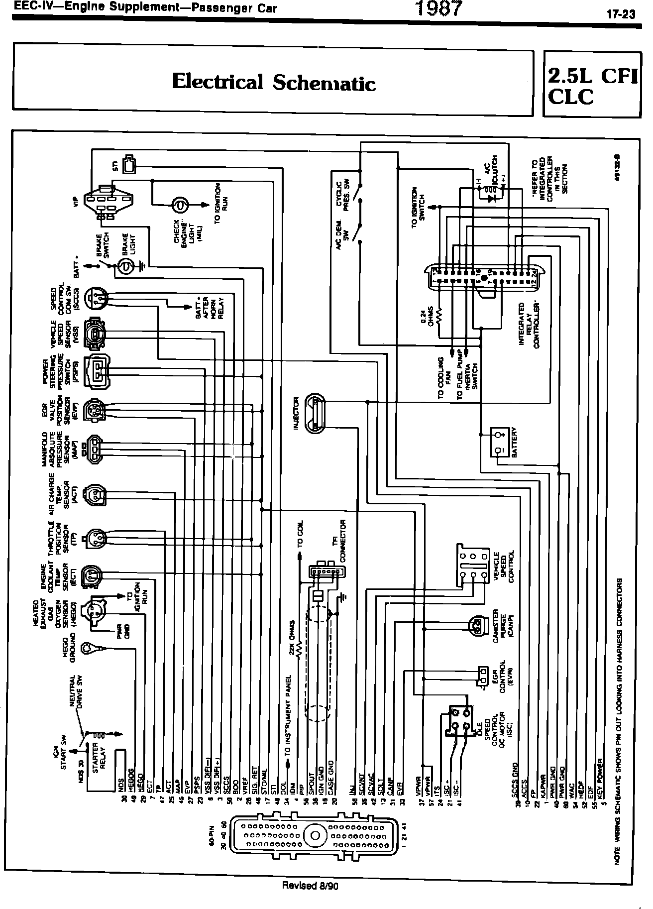
Electrical Schematic 2.5L CFI CLC




Integrated Controller Schematic 2.5L CFI CLC




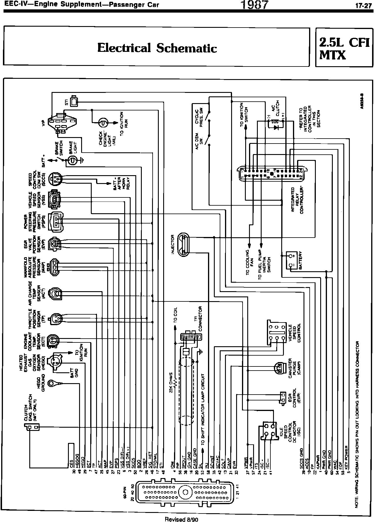
Electrical Schematic 2.5L CFI MTX




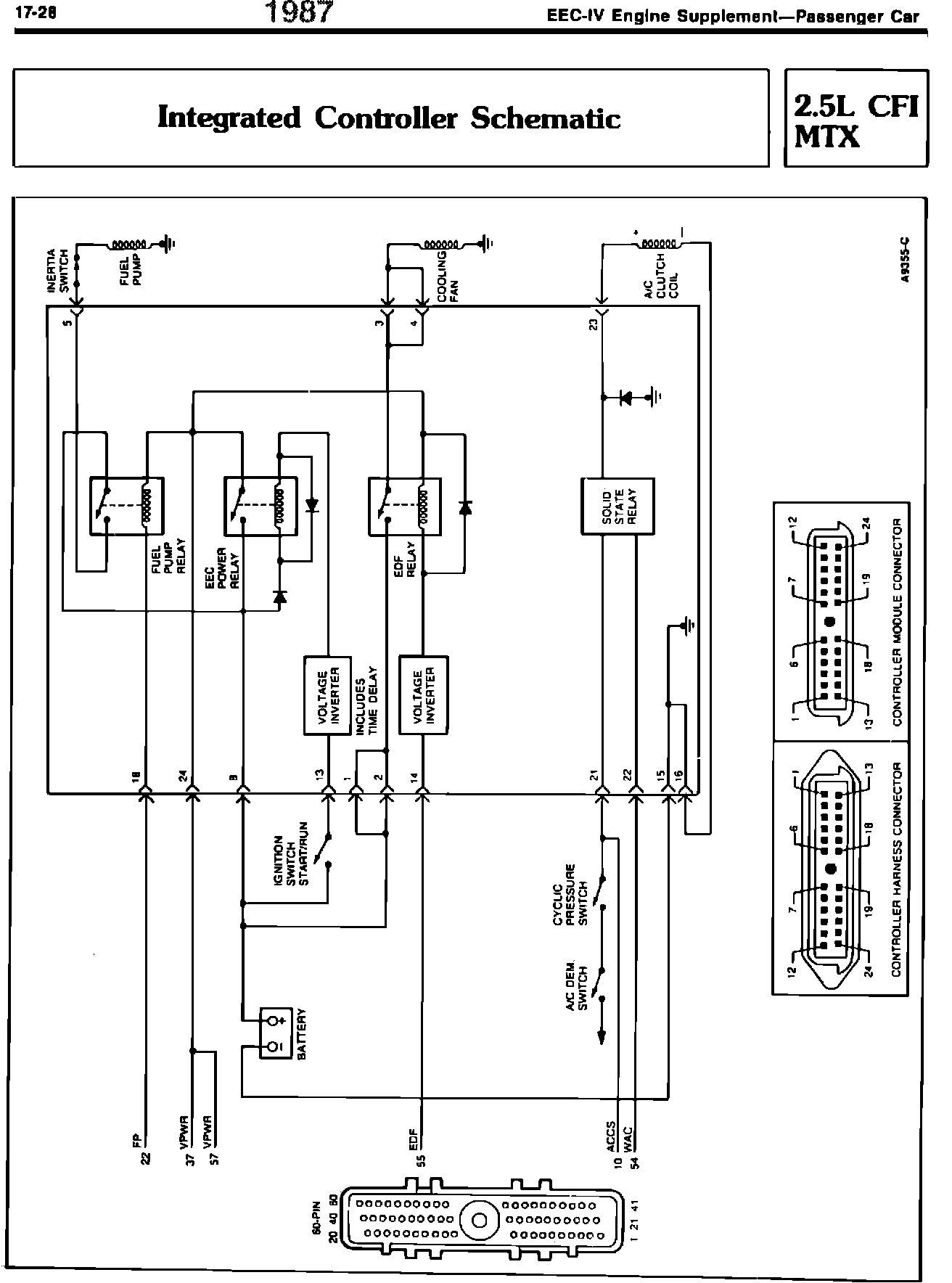
Integrated Controller Schematic 2.5L CFI MTX




EEC-IV Diagnostic By Symptom 3.8L CFI




Electrical Schematic 3.8L CFI