Curiosii for ever!: Car repair manuals for everyone.

Evaporator Core: Service and Repair



1. Disconnect battery ground cable.
2. Drain coolant from radiator.
3. Discharge refrigerant from system.
4. Disconnect heater hoses from heater core. Plug heater core tubes or blow any coolant from the heater core with low pressure air.
5. Disconnect liquid line and accumulator dryer inlet tube from evaporator core at dash panel. Cap lines and evaporator core to prevent any dirt and moisture from entering the system.
6. Remove instrument panel.
7. Disconnect wire harness connector from blower motor resistor.

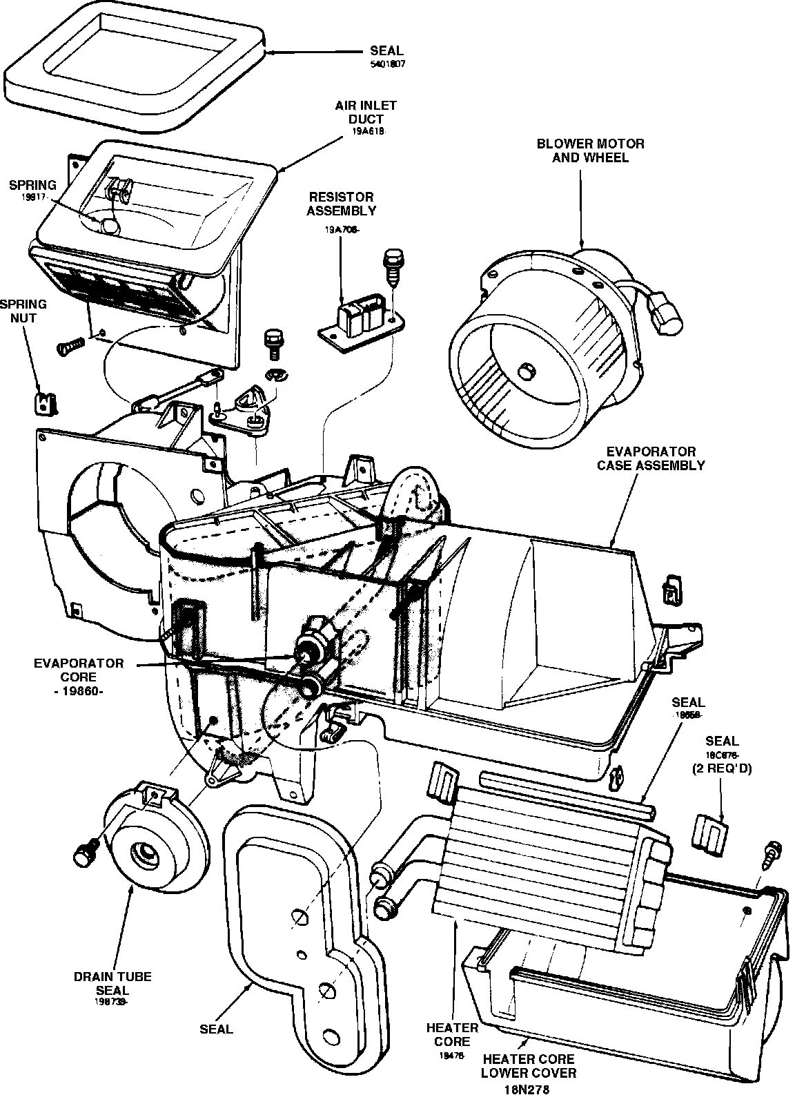
Fig. 15 Evaporator Case:





8. Remove the one screw attaching bottom of evaporator case to dash panel, Fig. 22.
9. Remove instrument panel brace from cowl top panel.

Fig. 23 Disassembled view of evaporator case assembly:





10. Remove two nuts attaching evaporator case to the dash panel in engine compartment, Fig. 23.
11. Loosen the sound insulation from cowl top panel in area around air inlet opening.
12. Remove two screws attaching support bracket and brace to cowl top panel.
13. Reverse procedure to install.