Curiosii for ever!
: Car repair manuals for everyone.
Home
>>
Mercury
>>
1987
>>
Topaz FWD L4-140 2.3L HSC
>>
Repair and Diagnosis
>>
Cruise Control
>>
Cruise Control Servo
>>
Locations
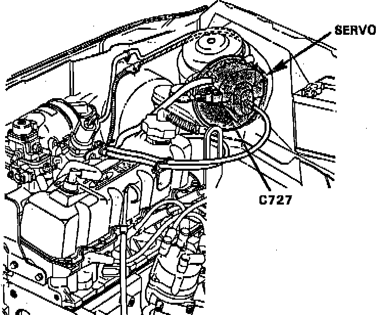
Cruise Control Servo: Locations
LH Shock Tower Area:
LH Shock Tower