Curiosii for ever!: Car repair manuals for everyone.

Evaporator Case: Service and Repair



1. Disconnect battery ground cable.
2. Drain coolant from radiator.
3. Discharge refrigerant from system.
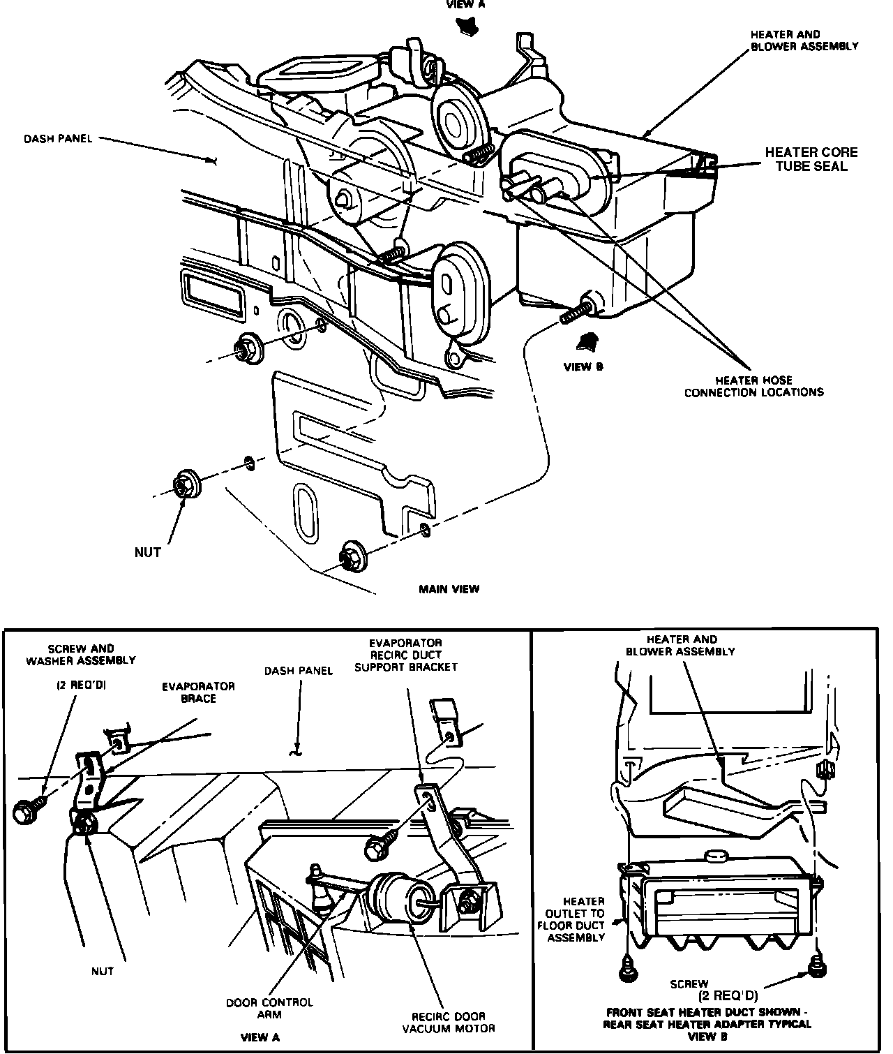
4. Disconnect heater hoses from heater core. Plug heater core tubes or blow any coolant from the heater core with low pressure air.
5. Disconnect vacuum supply hose from in-line check valve in engine compartment.
6. Disconnect liquid line and accumulator from evaporator core at dash panel. Cap lines and core to prevent contamination.
7. Remove instrument panel as follows:
a. Remove four retaining screws from bottom of steering column opening.
b. Remove steering column trim shrouds, then disconnect electrical connectors from column switches.
c. Release steering column by remove bolt and nut from lock pillar U-joint and four screws from steering column.
d. Remove lower finish panel, then the cluster opening finish panel attaching screws and the panel. Five hidden retainers must be disengaged before removing panel.
e. Depress side of glove compartment bin and pivot the glove compartment down.
f. Disconnect all electrical connectors, vacuum hoses and cables from rear of instrument panel.
g. Disconnect all underhood connectors from main wiring harness.
h. Unfasten main harness rubber grommet from dash panel, then feed harness and connector halves from engine compartment into instrument panel.
i. Remove instrument panel-to-floor brace attaching bolts above left side terminal.
j. Remove two instrument panel-to-cowl retaining screws from both sides of panel.
k. Remove both speaker opening covers and the defroster guide.
l. Remove upper instrument panel attaching screws, then position panel assembly on front seat.

Fig. 24 Evaporator case removal:





8. Remove instrument panel shake brace from evaporator case.
9. Remove floor register or rear seat adapter from bottom of evaporator case, Fig. 24.
10. Remove three evaporator case-to-dash panel attaching nuts.

Fig. 25 Disassembled view of evaporator case assembly. W/Manual A/C System:




Fig. 26 Disassembled view of evaporator case assembly. W/Electronic ATC System:





11. Remove two support bracket-to-cowl top panel attaching screws, then carefully remove evaporator case from vehicle, Figs. 25 and 26.
12. Reverse procedure to install.